GM Service Manual Online
For 1990-2009 cars only
Makes
🢒
Suzuki
🢒
2009
🢒
XL-7 FWD
🢒
Safety and Security
🢒
Supplemental Inflatable Restraints
🢒 SIR Schematics
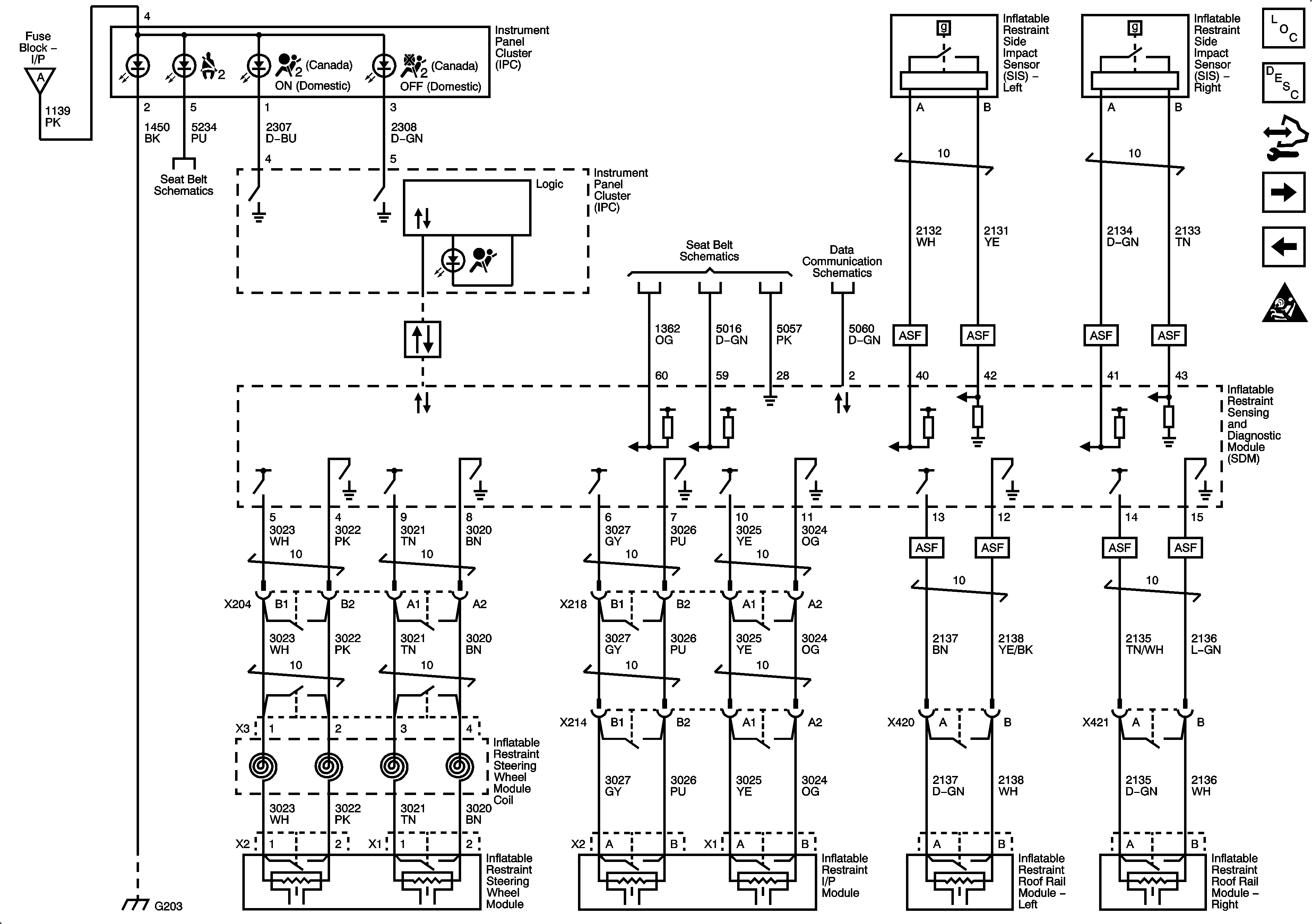
Figure
1:
Power, Ground, Roll Over Sensor, and PPS
Master Electrical Component List
SIR System Description and Operation
Control Module References
Modules and Sensors
AOS MODULE, BATT MAIN 2, HTD/SEATS, L/GATE, LT TRN/SIG, PWR MIRS, RT TRN/SIG and SIR Fuses and POWER SEATS Circuit Breaker
RUN/CRANK BUS - MAF, PCM, IGN, SIR DISPLAY and TRANS Fuses
AOS MODULE, BATT MAIN 2, HTD/SEATS, L/GATE, LT TRN/SIG, PWR MIRS, RT TRN/SIG and SIR Fuses and POWER SEATS Circuit Breaker
AOS MODULE, BATT MAIN 2, HTD/SEATS, L/GATE, LT TRN/SIG, PWR MIRS, RT TRN/SIG and SIR Fuses and POWER SEATS Circuit Breaker
Modules and Sensors
Low Speed GMLAN
Low Speed GMLAN
Low Speed GMLAN
G311
Figure
2:
Modules and Sensors
Master Electrical Component List
SIR System Description and Operation
Control Module References
Pretensioners and Front End Sensors
Power, Ground, Rollover Sensor, and PPS
Power, Ground, Rollover Sensor, and PPS
Seat Belts Schematics
G203 and G205
Seat Belts Schematics
Low Speed GMLAN
Figure
3:
Pretensioners and Front End Sensors
Master Electrical Component List
SIR System Description and Operation
Control Module References
Modules and Sensors