GM Service Manual Online
For 1990-2009 cars only
Makes
🢒
Buick
🢒
2007
🢒
Allure
🢒 Charging
Charging
Charging
Master Electrical Component List
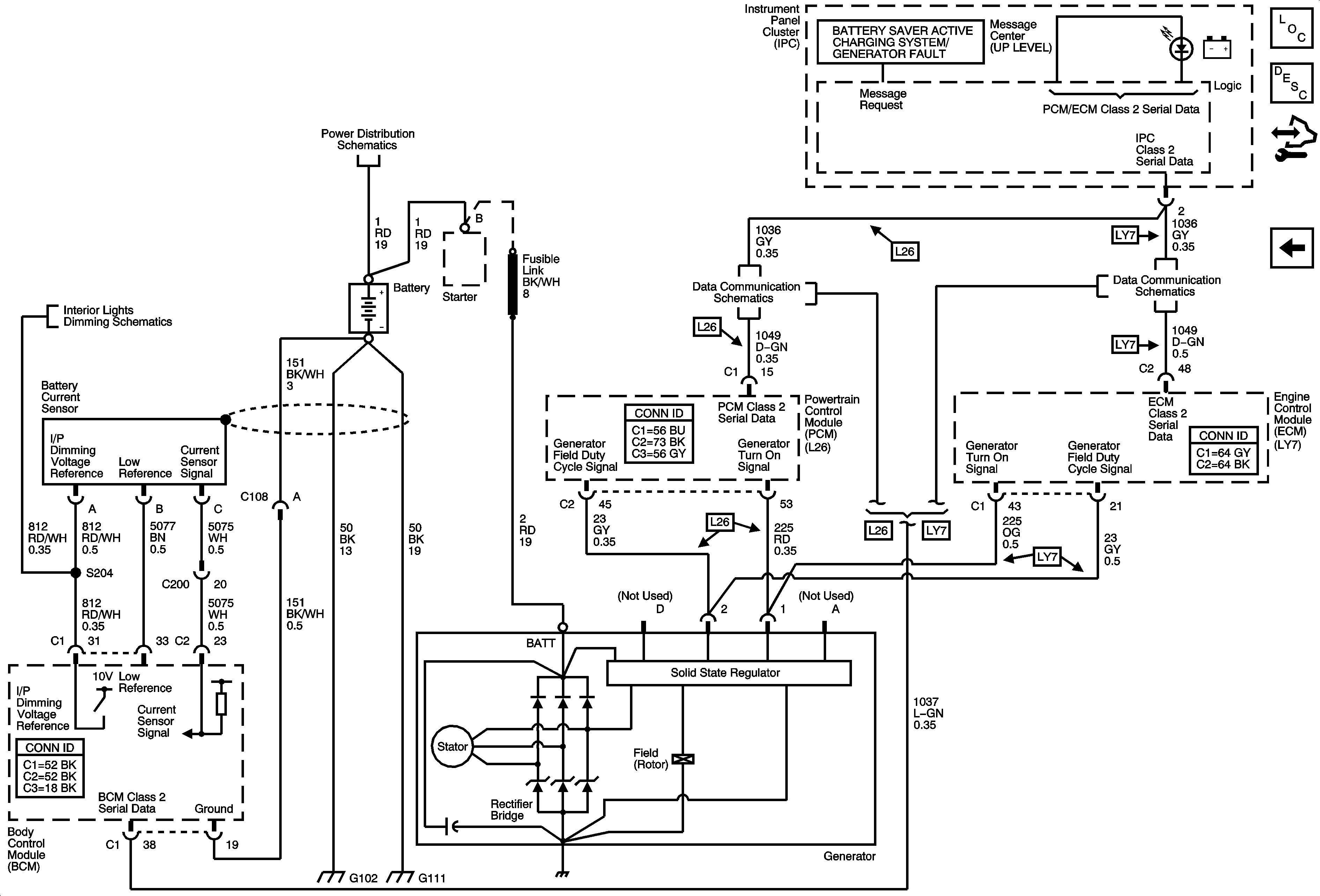
Charging System Description and Operation
Control Module References
Starting - LY7
I/P, Console, and Driver Door Lighting
Fuse Block-Underhood B+ Bus
Data Link Connector Schematics L26
Data Link Connector (DLC) Schematics LY7