GM Service Manual Online
For 1990-2009 cars only
Makes
🢒
Buick
🢒
2007
🢒
Allure
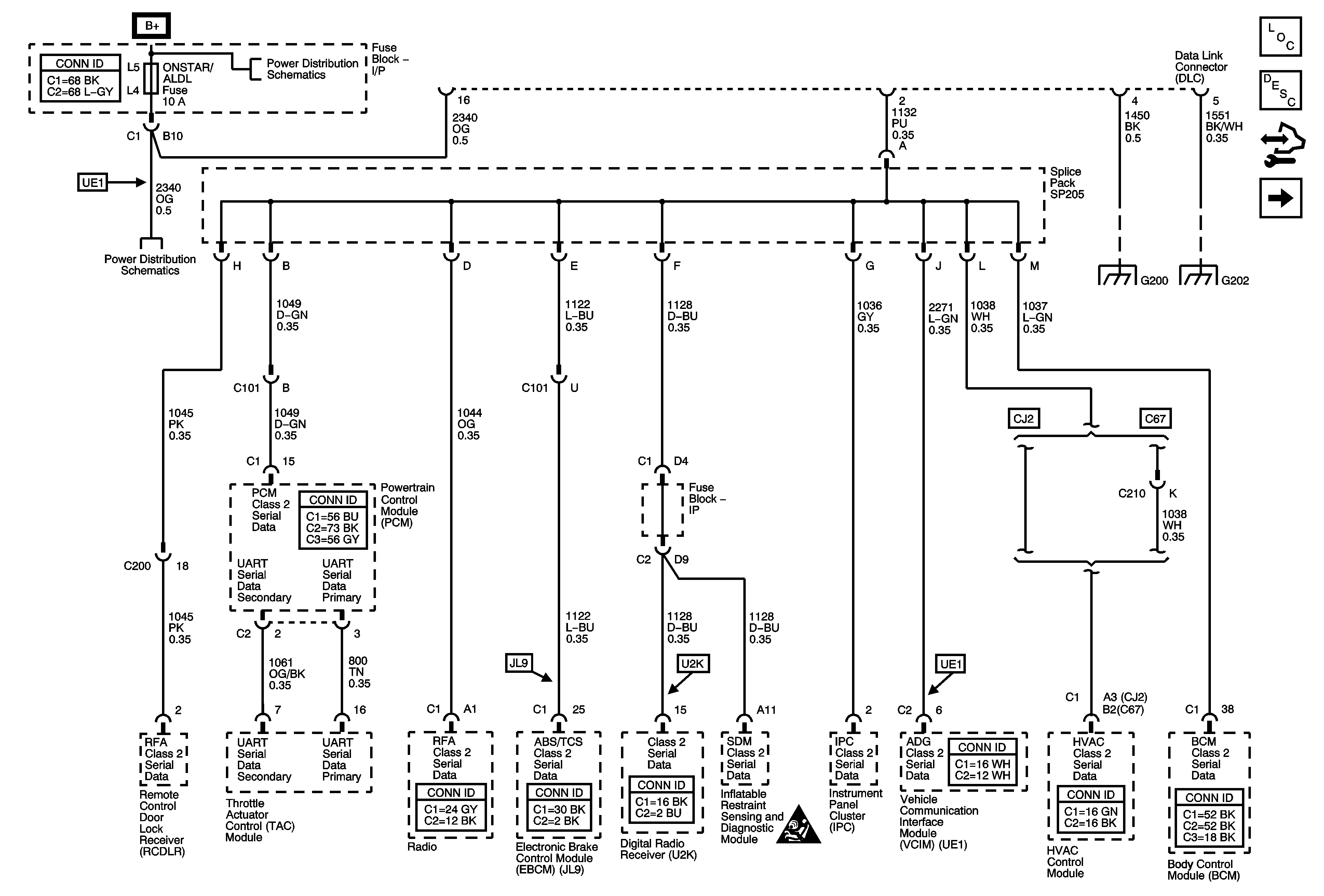
🢒 Data Link Connector Schematics L26
Data Link Connector Schematics L26
L26
Master Electrical Component List
Data Link Communications Description and Operation
Control Module References
Data Link Connector (DLC) Schematics LY7
Fuse Block - Underhood BATT MAIN 1 Fuse
Fuse Block - Underhood BATT MAIN 1 Fuse
G200
G202
Data Communication Schematic Icons