GM Service Manual Online
For 1990-2009 cars only
Makes
🢒
Buick
🢒
2007
🢒
Allure
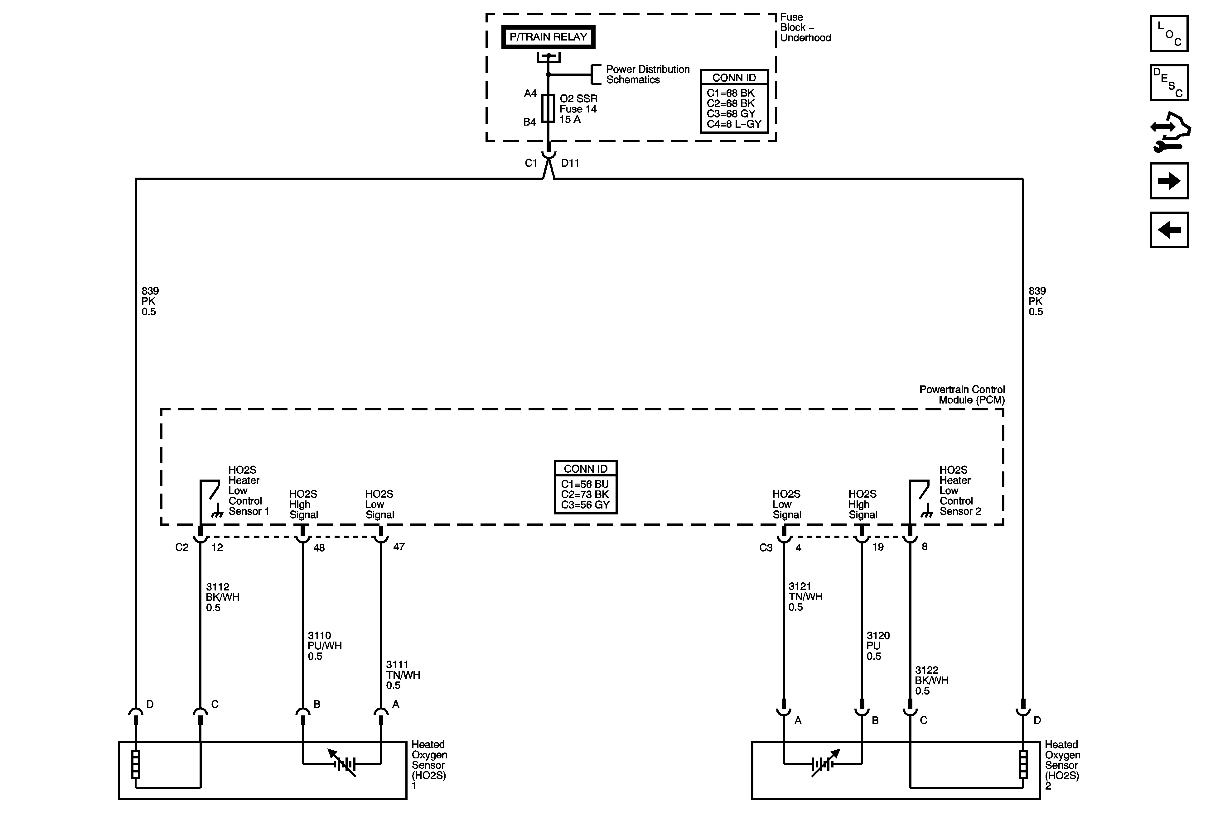
🢒 Oxygen Sensors
Oxygen Sensors
Oxygen Sensors
Master Electrical Component List
Powertrain Control Module Description
Control Module References
Electronic Throttle Controls
MAF, VSS
Fuse Block-Underhood B+ Bus
Fuse Block-Underhood B+ Bus