GM Service Manual Online
For 1990-2009 cars only
Makes
🢒
Buick
🢒
2007
🢒
Allure
🢒 Electronic Throttle Controls
Electronic Throttle Controls
Electronic Throttle Controls
Master Electrical Component List
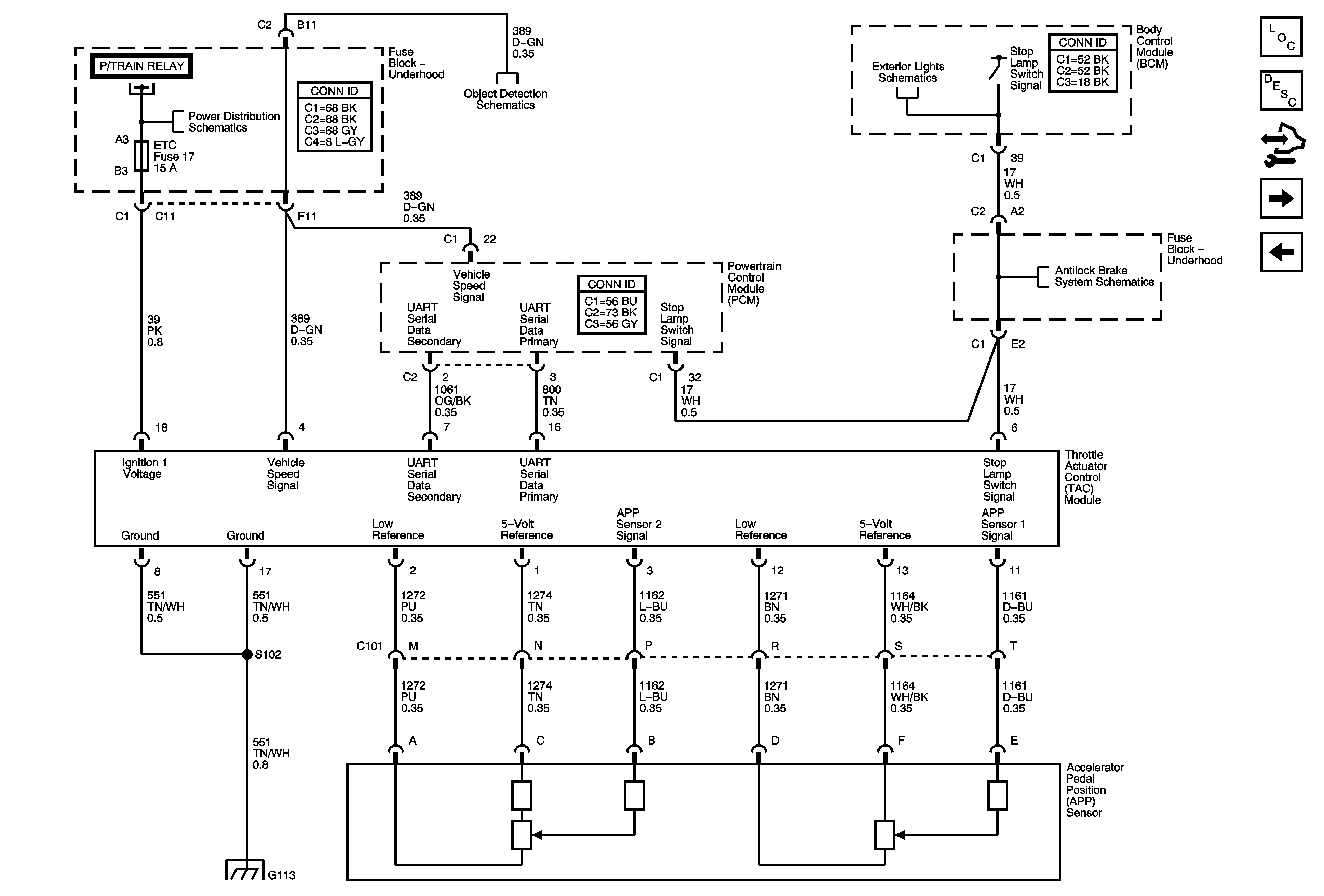
Throttle Actuator Control (TAC) System Description
Control Module References
Ignition Controls
Oxygen Sensors
Fuse Block-Underhood B+ Bus
Fuse Block-Underhood B+ Bus
Object Detection Schematics
Turn Signal, Hazard and Stop Lamps Outputs
Data Active Brake and Stability
G101, G102, G103, G111, G112, and G113