GM Service Manual Online
For 1990-2009 cars only
Makes
🢒
Buick
🢒
2007
🢒
Allure
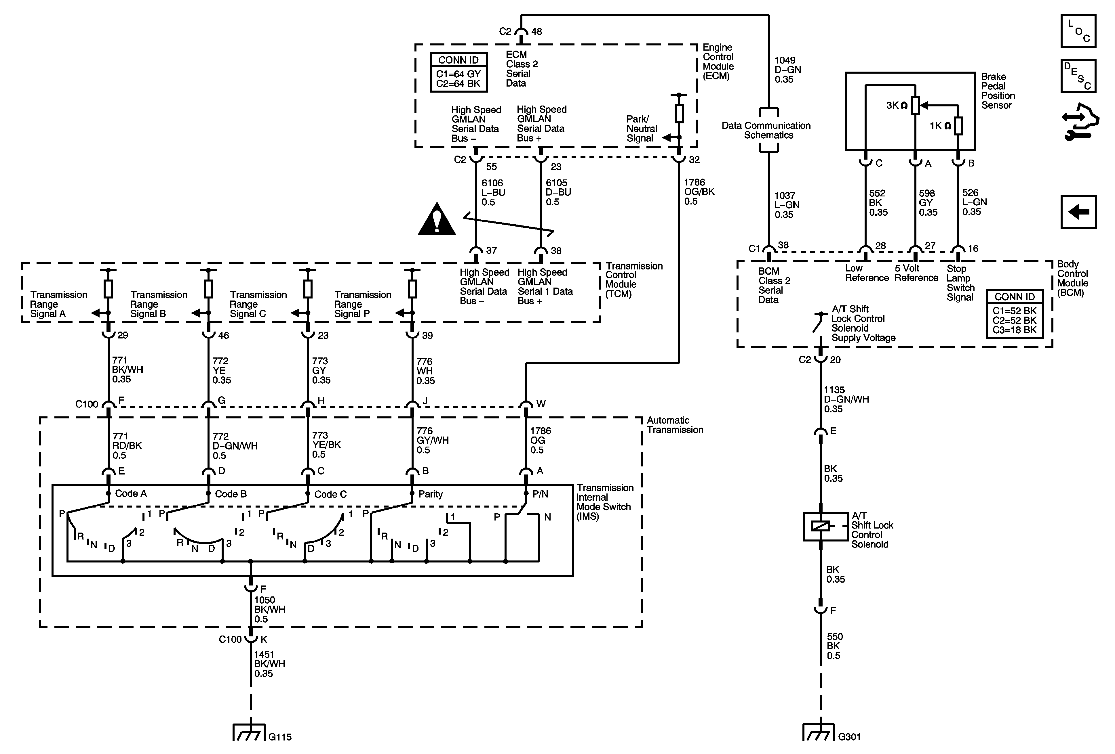
🢒 Shift Lock Control LY7
Shift Lock Control LY7
LY7
Master Electrical Component List
Automatic Transmission Shift Lock Control Description and Operation
Control Module References
Shift Lock Control L26
Shift Lock Control Schematic Icons
Data Link Connector (DLC) Schematics LY7
G115 (LY7)
G301