GM Service Manual Online
For 1990-2009 cars only
Makes
🢒
Buick
🢒
2007
🢒
Allure
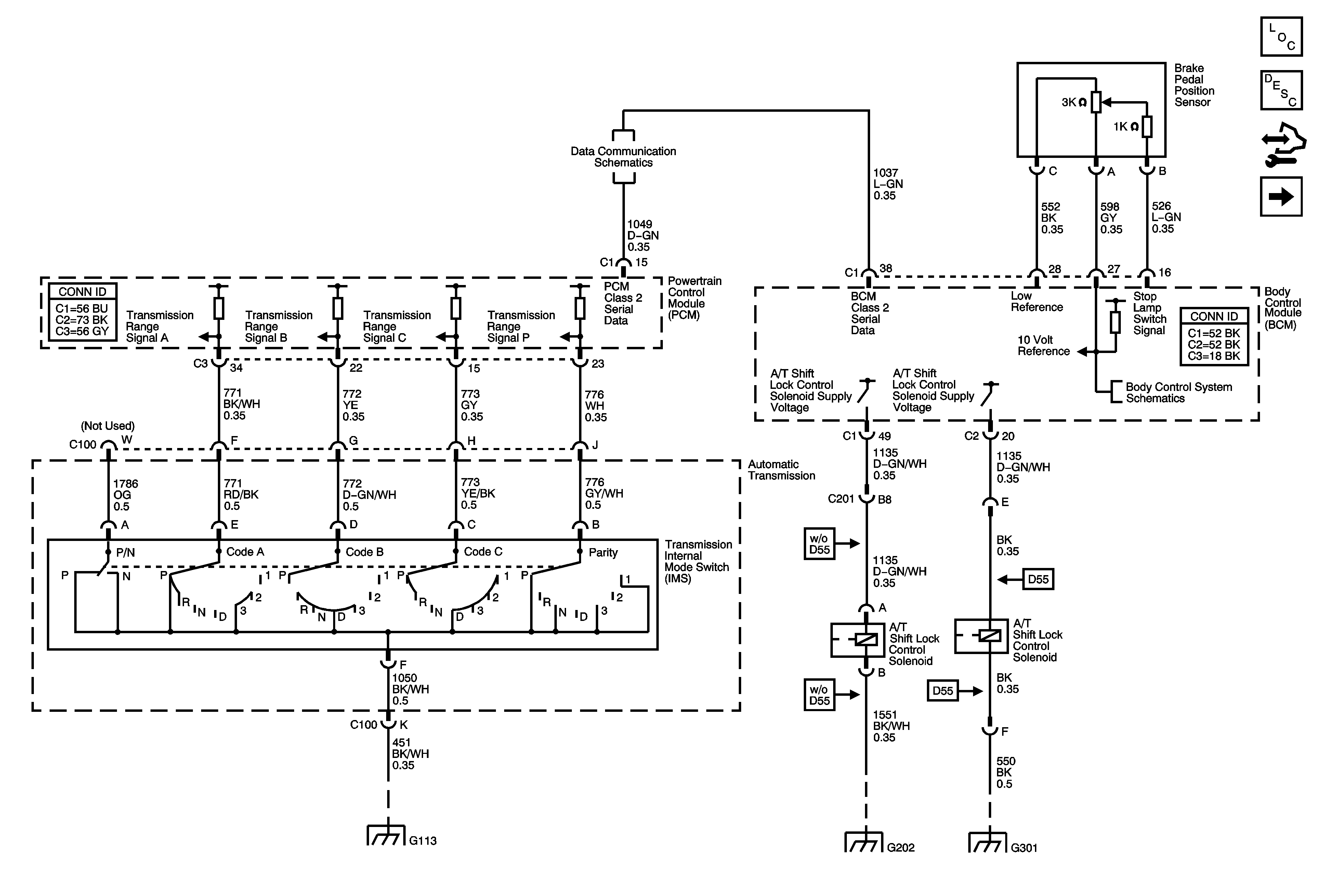
🢒 Shift Lock Control L26
Shift Lock Control L26
L26
Master Electrical Component List
Automatic Transmission Shift Lock Control Description and Operation
Control Module References
Shift Lock Control LY7
Data Link Connector Schematics L26
Exterior Lights and Interior Lights References
G101, G102, G103, G111, G112, and G113
G202
G301