GM Service Manual Online
For 1990-2009 cars only
Makes
🢒
Buick
🢒
2007
🢒
Allure
🢒 Indicator Actuators
Indicator Actuators
Actuators
Master Electrical Component List
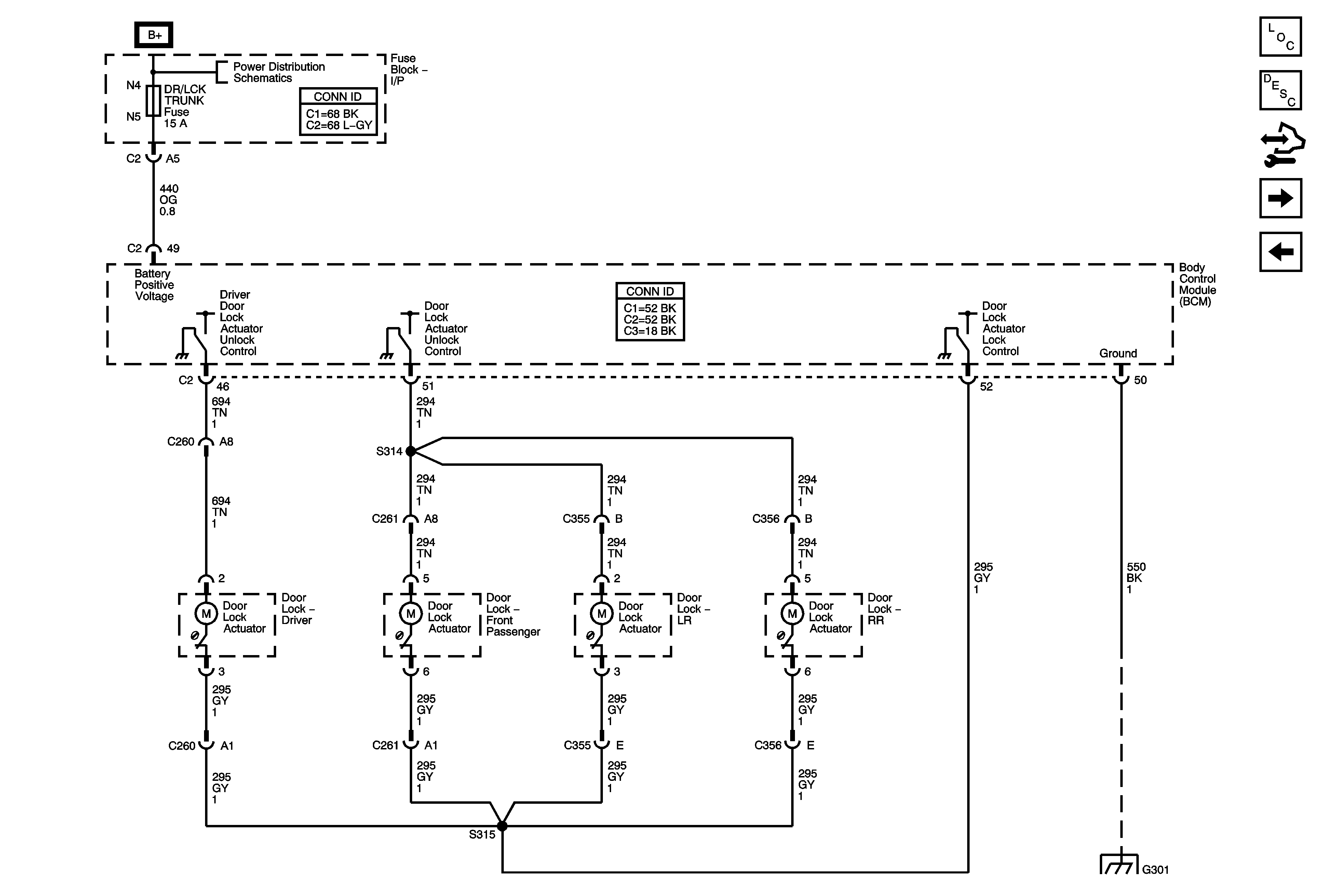
Power Door Locks Description and Operation
Control Module References
Indicator Ajar Indicators
Lock Indicator Switches
Fuse Block - Underhood BATT MAIN 2 Fuse
G301