GM Service Manual Online
For 1990-2009 cars only
Makes
🢒
Buick
🢒
2007
🢒
Allure
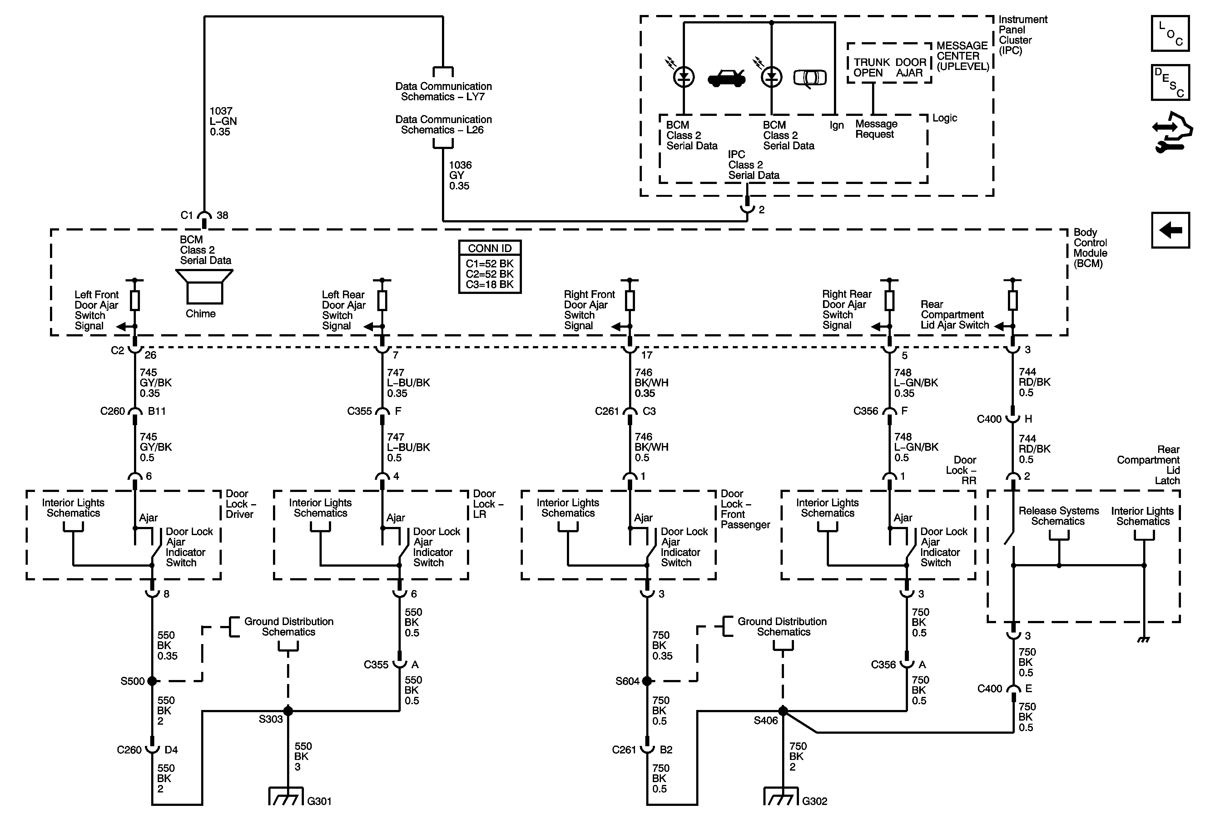
🢒 Indicator Ajar Indicators
Indicator Ajar Indicators
Ajar Indicators
Master Electrical Component List
Power Door Locks Description and Operation
Control Module References
Indicator Actuators
Data Link Connector (DLC) Schematics LY7
Data Link Connector Schematics L26
Lights Lamp Controls
Lights Lamp Controls
Lights Lamp Controls
Lights Lamp Controls
Body Rear End
Courtesy Lamps
G301
G302
G301
G302