GM Service Manual Online
For 1990-2009 cars only
Makes
🢒
Buick
🢒
2007
🢒
Allure
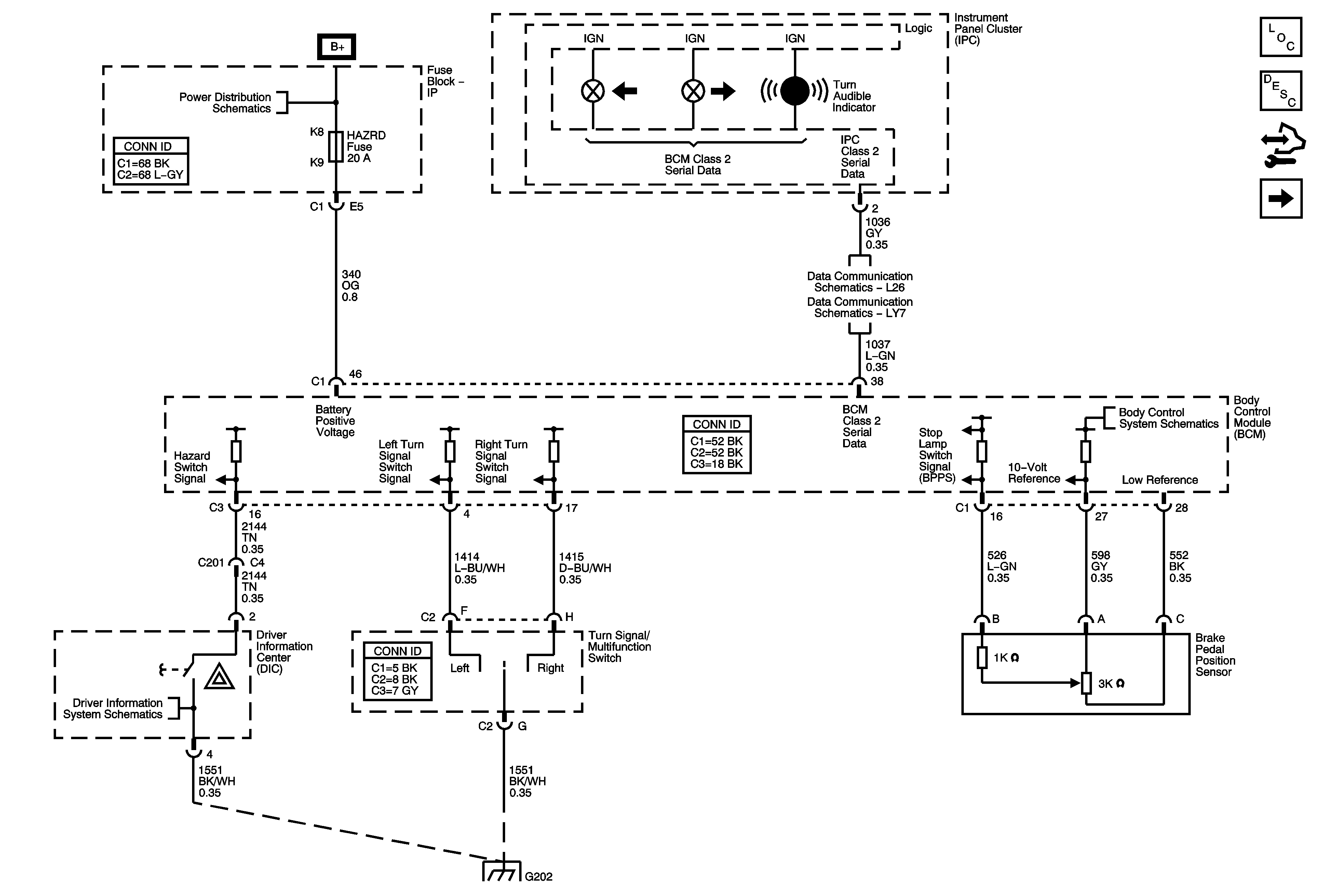
🢒 Turn Signal, Hazard and Stop Lamps Inputs
Turn Signal, Hazard and Stop Lamps Inputs
Turn Signal, Hazard, and Stop Lamps Inputs
Master Electrical Component List
Exterior Lighting Systems Description and Operation
Control Module References
Turn Signal, Hazard and Stop Lamps Outputs
Fuse Block - Underhood BATT MAIN 2 Fuse
Data Link Connector Schematics L26
Data Link Connector (DLC) Schematics LY7
Exterior Lights and Interior Lights References
Driver Information System
G202