GM Service Manual Online
For 1990-2009 cars only
Makes
🢒
Buick
🢒
2007
🢒
Allure
🢒 Overhead Lighting
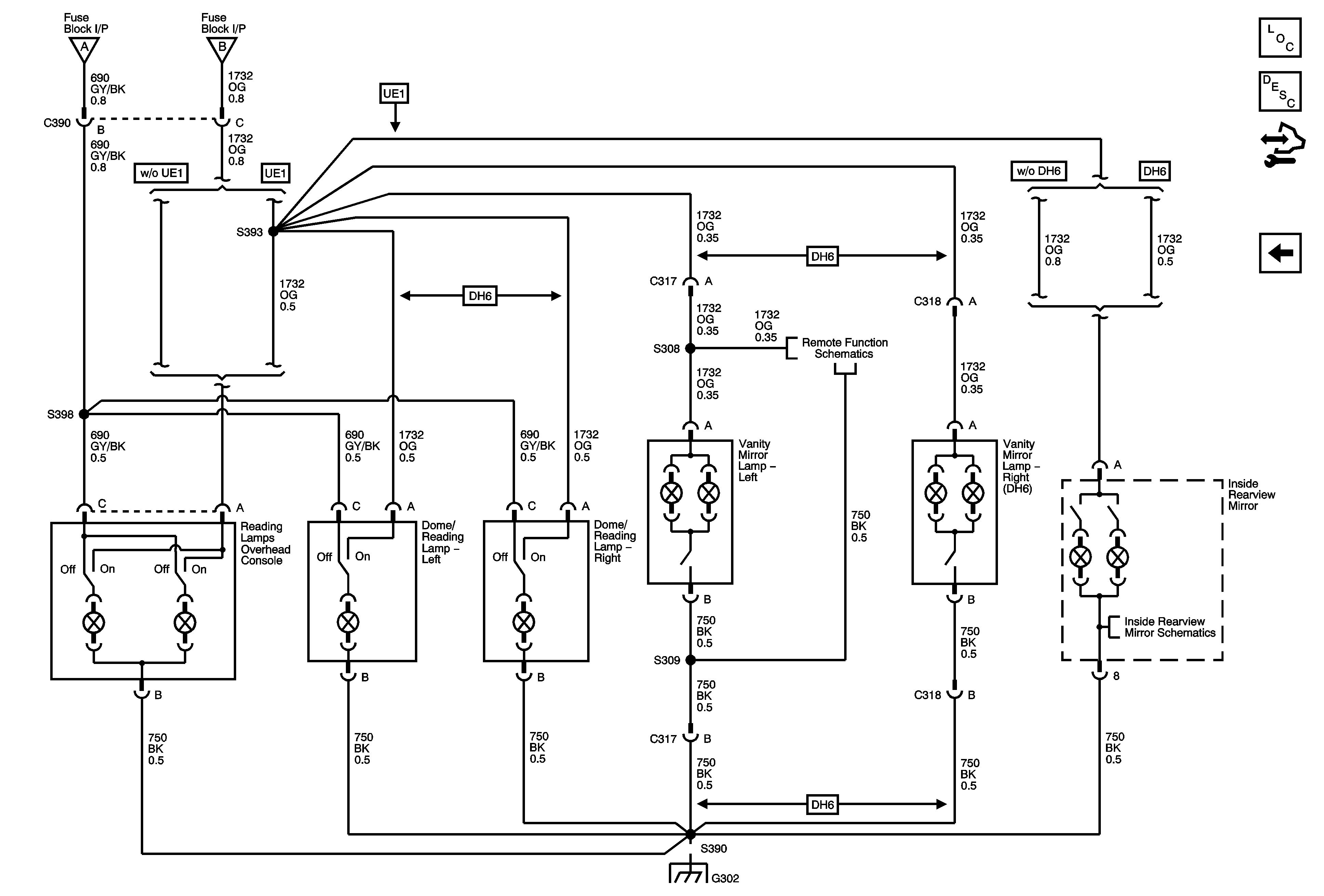
Overhead Lighting
Overhead Lighting
Master Electrical Component List
Interior Lighting Systems Description and Operation
Control Module References
Courtesy Lamps
Courtesy Lamps
Courtesy Lamps
Garage Door Opener
G302