GM Service Manual Online
For 1990-2009 cars only
Makes
🢒
Buick
🢒
2007
🢒
Allure
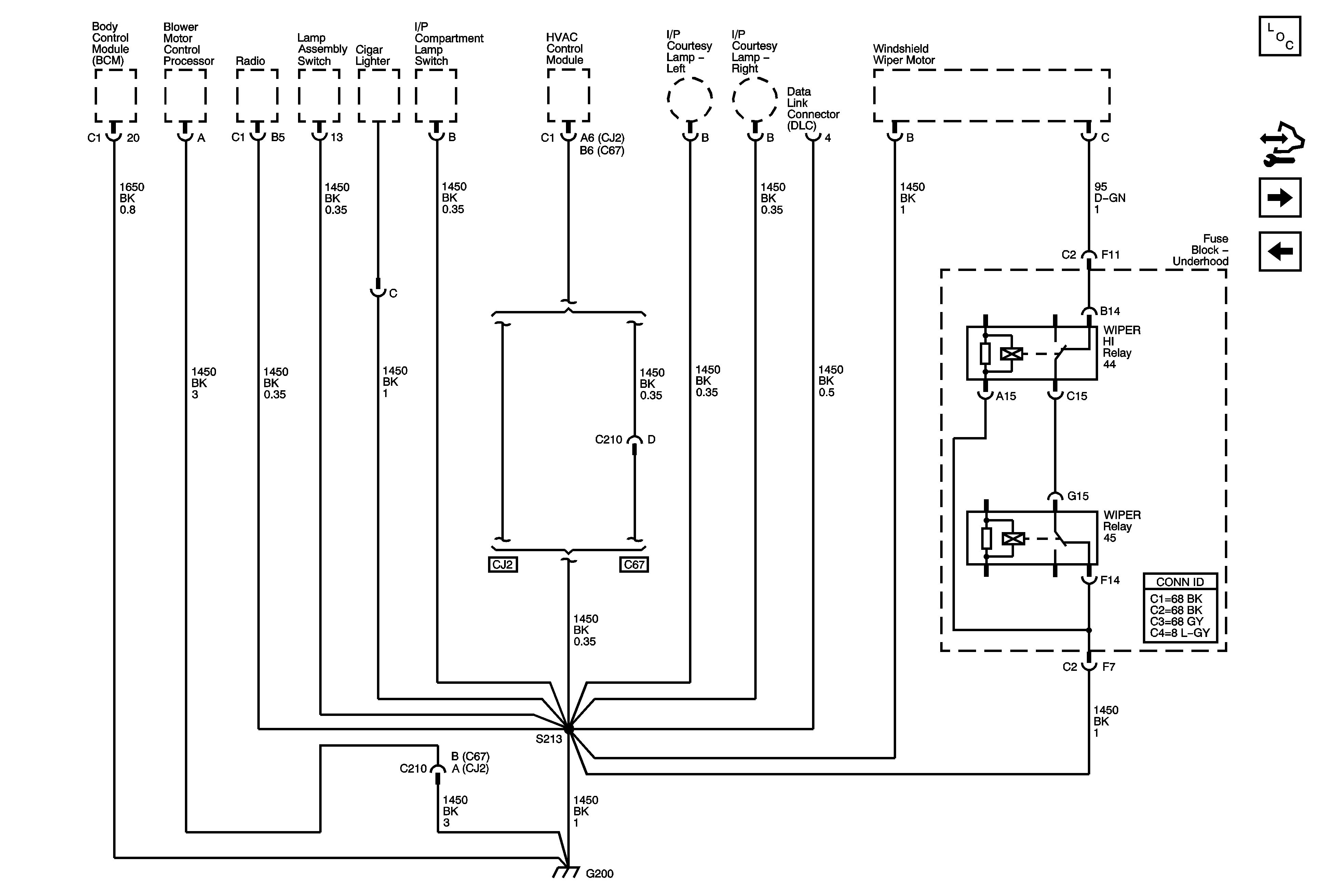
🢒 G200
G200
G200
Master Electrical Component List
Control Module References
G201
G130, G131, LY7