GM Service Manual Online
For 1990-2009 cars only
Makes
🢒
Buick
🢒
2007
🢒
Allure
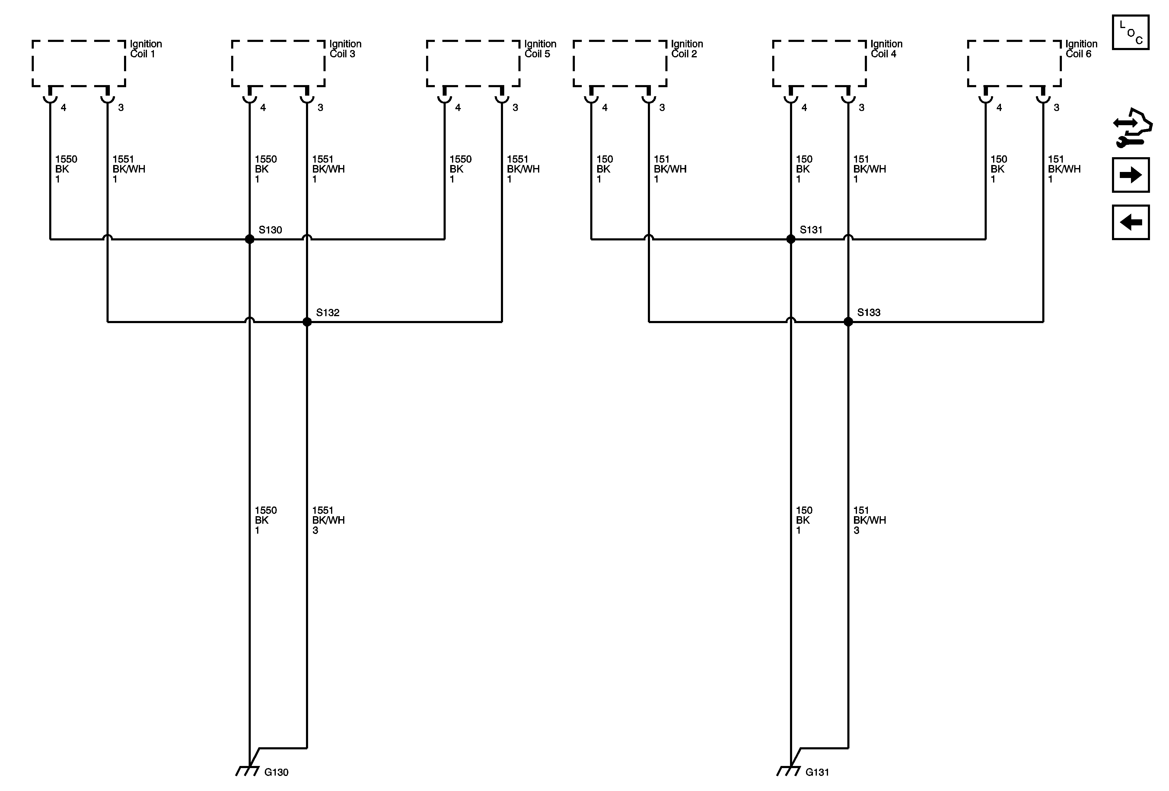
🢒 G130, G131, LY7
G130, G131, LY7
G130, G131 - LY7
Master Electrical Component List
Control Module References
G200
G115 (LY7)