GM Service Manual Online
For 1990-2009 cars only
Makes
🢒
Buick
🢒
2007
🢒
Allure
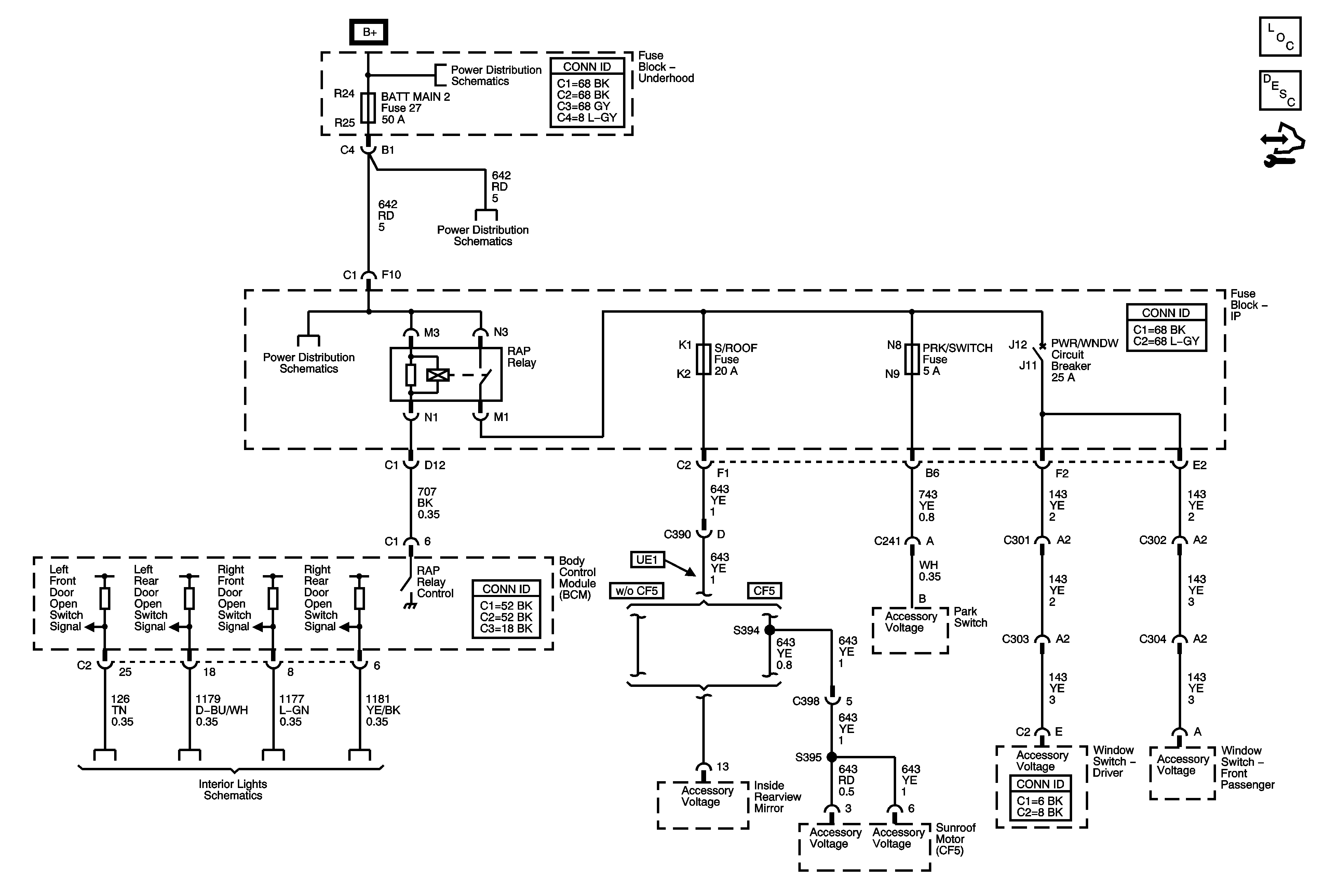
🢒 Retained Accessory Power (RAP) Schematics
Retained Accessory Power (RAP) Schematics
Master Electrical Component List
Power Mode Description and Operation
Control Module References
Fuse Block-Underhood B+ Bus
Fuse Block - Underhood BATT MAIN 2 Fuse
Fuse Block - Underhood BATT MAIN 2 Fuse
Lights Lamp Controls