GM Service Manual Online
For 1990-2009 cars only
Makes
🢒
Buick
🢒
2007
🢒
Allure
🢒 Lights Lamp Controls
Lights Lamp Controls
Lamp Controls
Master Electrical Component List
Interior Lighting Systems Description and Operation
Control Module References
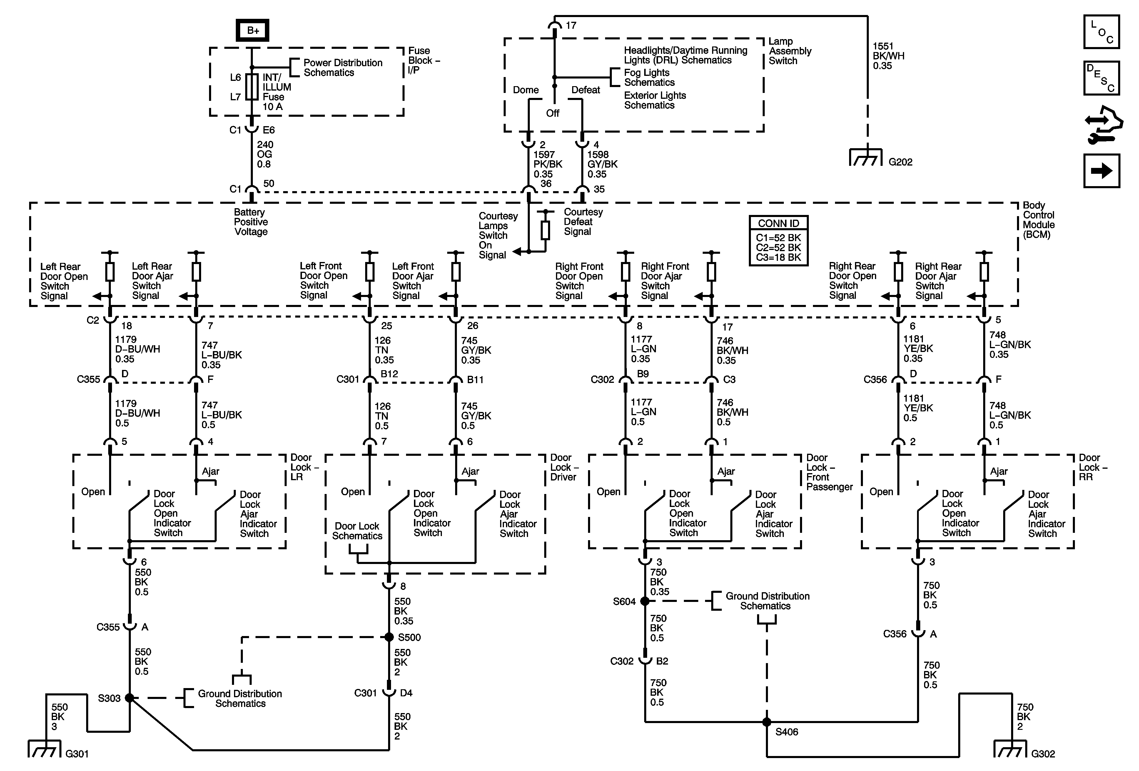
Courtesy Lamps
Fuse Block - Underhood BATT MAIN 1 Fuse
Headlights/Daytime Running Lights (DRL) Schematics
Steering Wheel and Front Passenger Door Lighting
Lights Park Lamps
G202
Lock Indicator Switches
G302
G301
G301
G302