GM Service Manual Online
For 1990-2009 cars only
Makes
🢒
Buick
🢒
2007
🢒
Allure
🢒 Vehicle Theft Deterrent (VTD) System
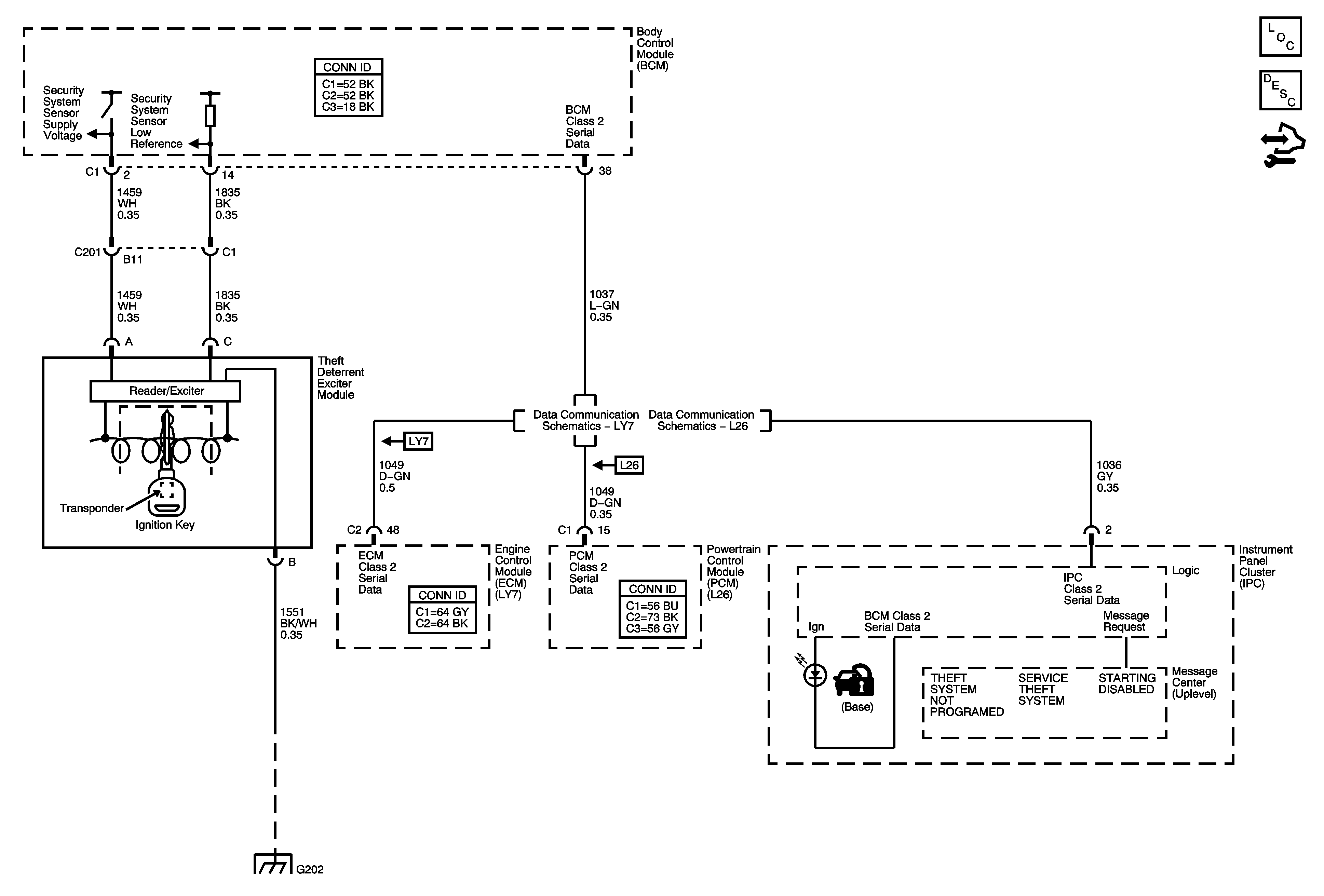
Vehicle Theft Deterrent (VTD) System
Vehicle Theft Deterrent (VTD) System
Master Electrical Component List
Immobilizer Description and Operation
Control Module References
Data Link Connector (DLC) Schematics LY7
Data Link Connector Schematics L26
G202