GM Service Manual Online
For 1990-2009 cars only
Figure 1:

Module Power, Ground, Serial Data, and MIL


Object Number: 1889499  Size: FS
Master Electrical Component List
Engine Control Module Description
Control Module References
5-Volt and Low Reference 2 of 2
Figure 2:

5-Volt and Low Reference 1 of 2


Object Number: 1889503  Size: FS
Master Electrical Component List
Engine Control Module Description
Control Module References
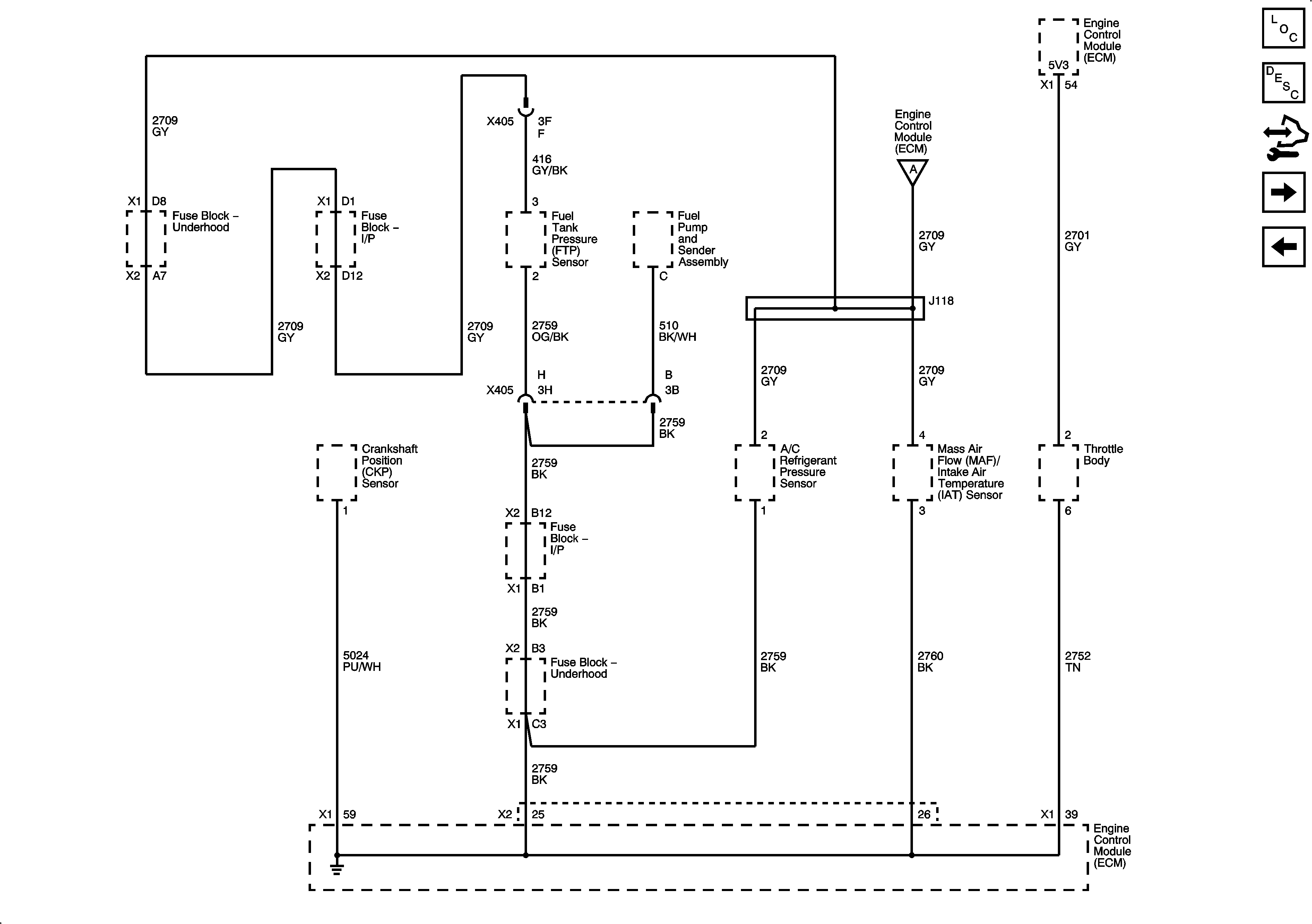
Engine Data Sensors - Pressure, Temperature, and Throttle Control
5-Volt and Low Reference 2 of 2
Figure 3:

5-Volt and Low Reference 2 of 2


Object Number: 1889501  Size: FS
Master Electrical Component List
Engine Control Module Description
Control Module References
5-Volt and Low Reference 1 of 2
Module Power, Ground, Serial Data, and MIL
Figure 4:

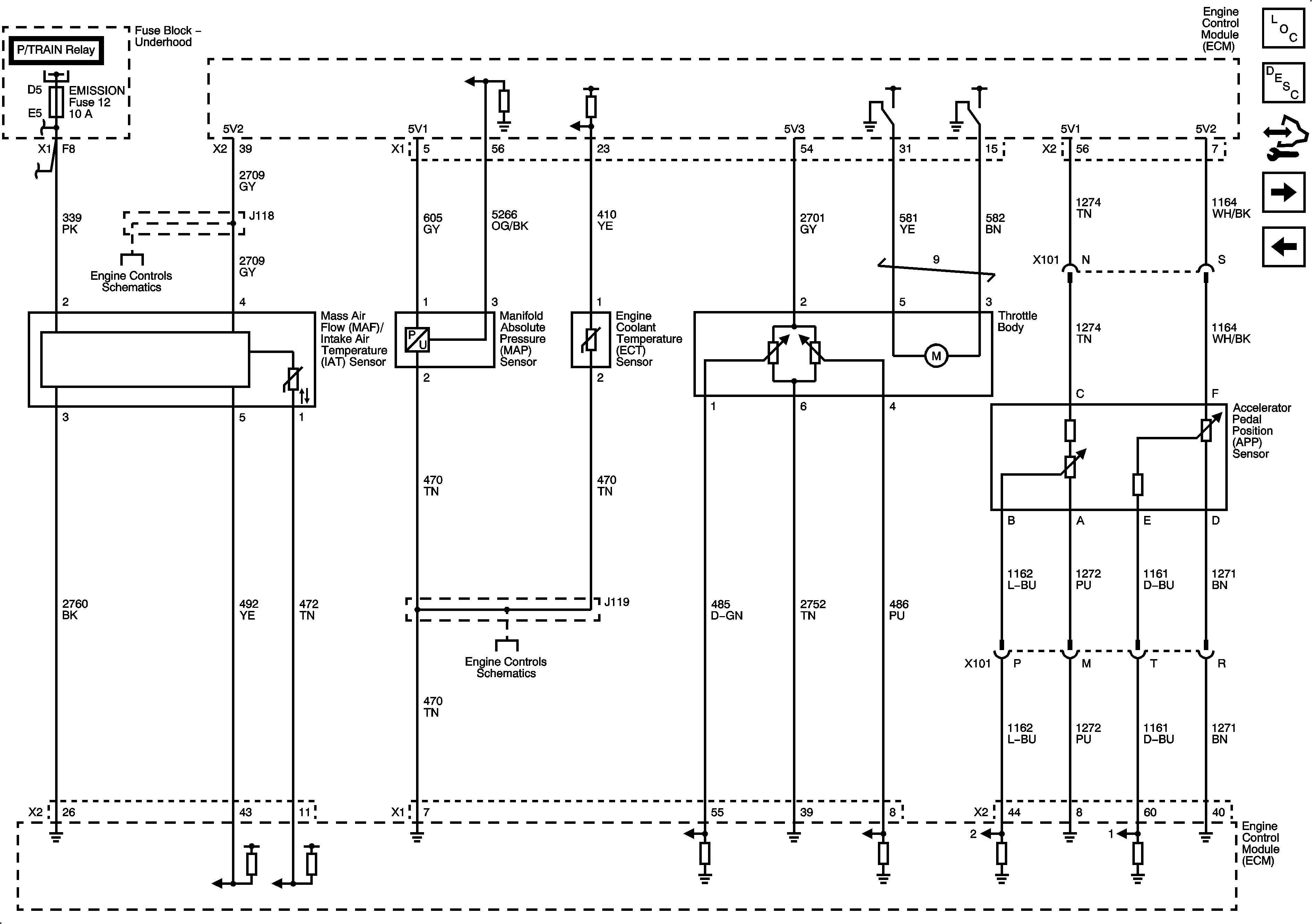
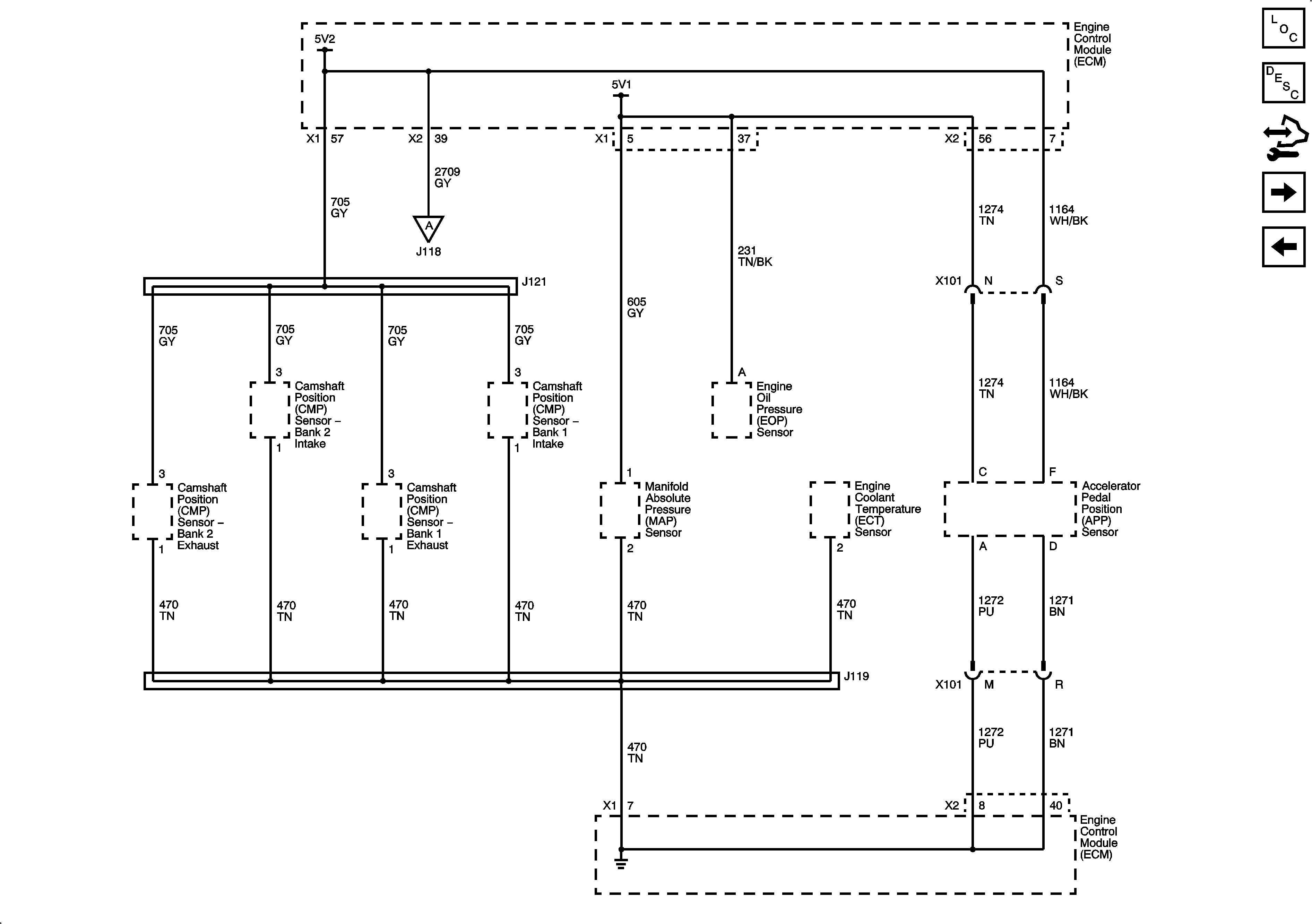
Engine Data Sensors - Pressure, Temperature, and Throttle Control


Object Number: 1889505  Size: FS
Master Electrical Component List
Engine Control Module Description
Control Module References
MAF, VSS, and Stop Lamp Switch
5-Volt and Low Reference 1 of 2
Figure 5:

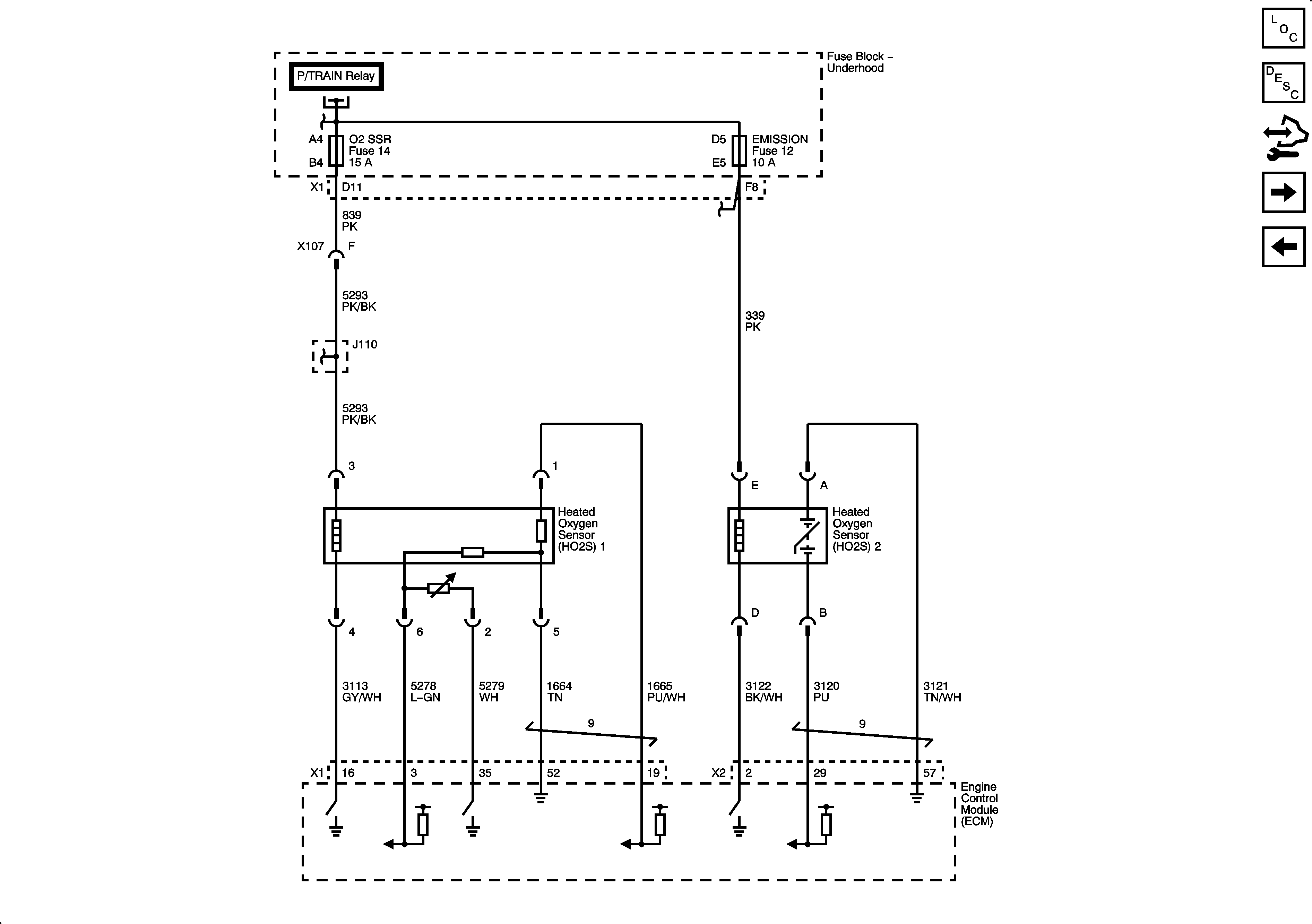
Engine Data Sensors - HO2S


Object Number: 1889508  Size: FS
Master Electrical Component List
Engine Control Module Description
Control Module References
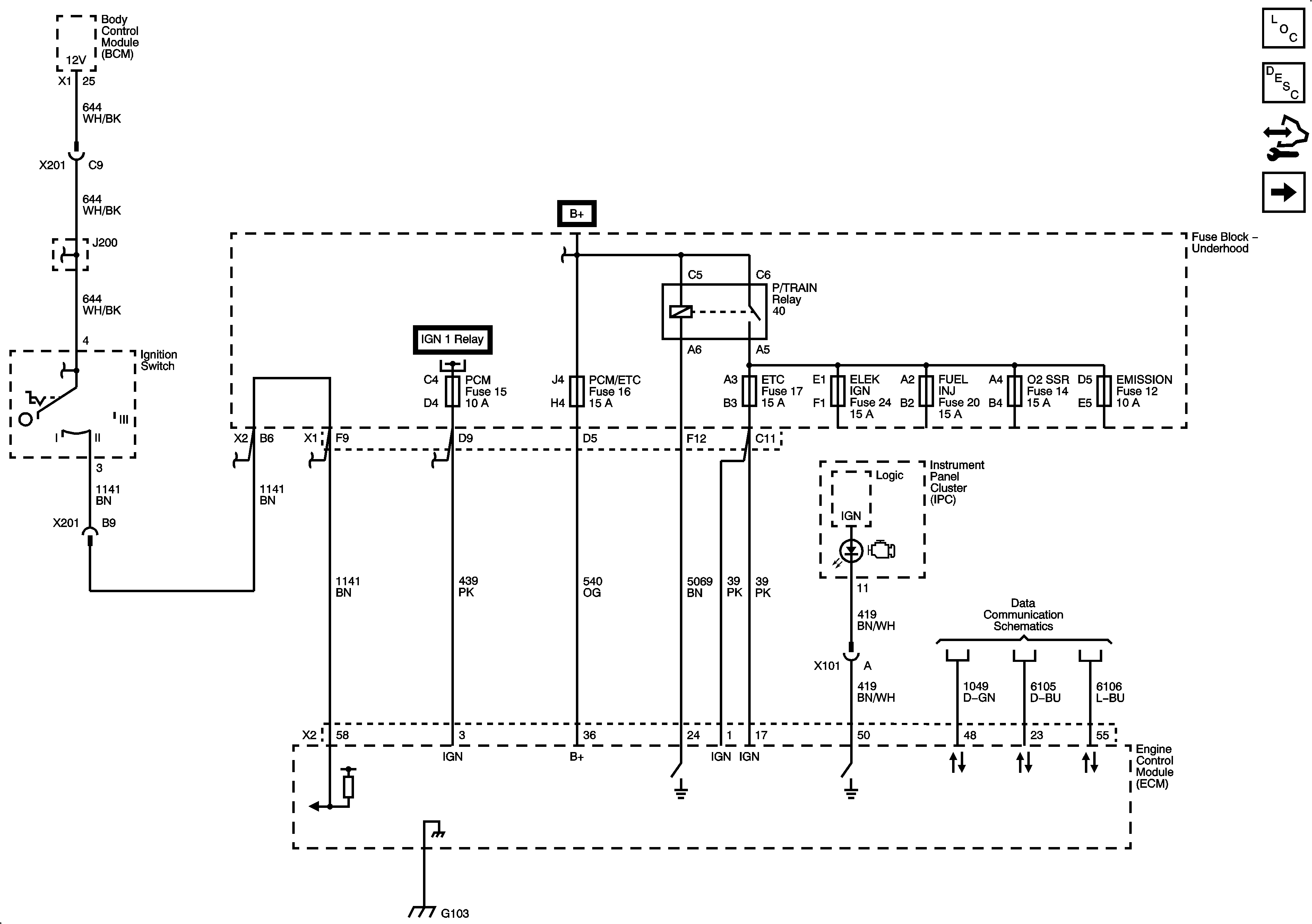
Electronic Throttle Controls
MAF, VSS, and Stop Lamp Switch
Figure 6:

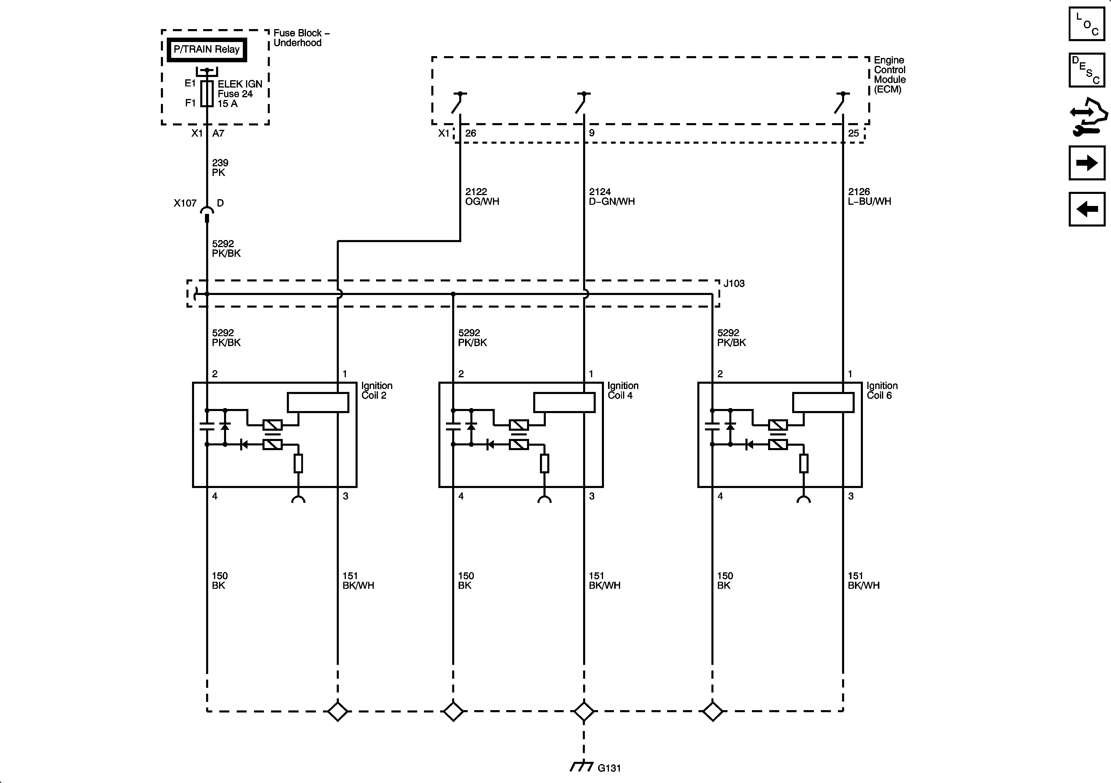
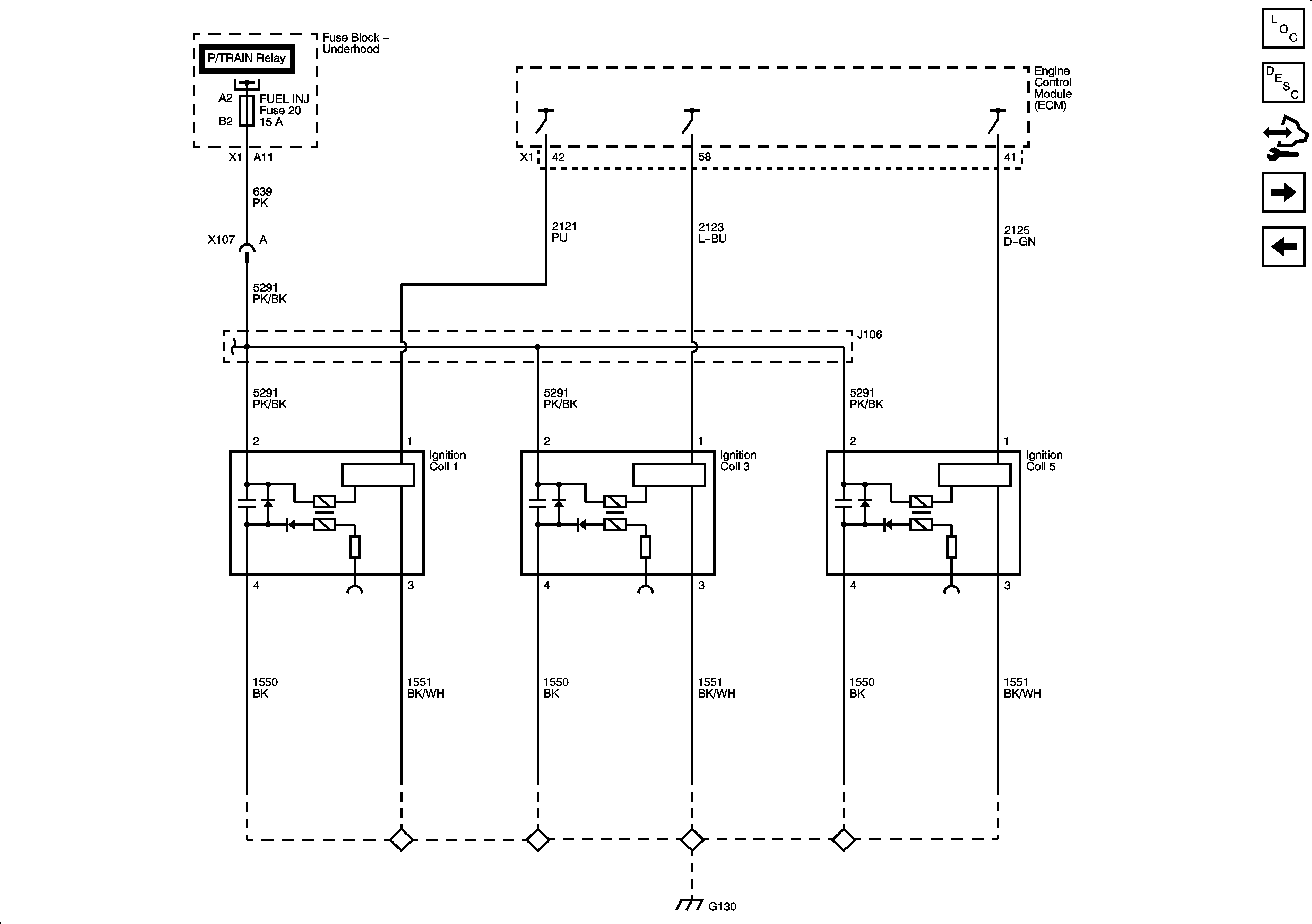
Ignition Controls - Ignition System Coils 1, 3, and 5


Object Number: 1889514  Size: FS
Master Electrical Component List
Electronic Ignition (EI) System Description
Control Module References
Ignition Controls - Ignition System Coils 2, 4, and 6
Electronic Throttle Controls
Figure 7:

Ignition Controls - Ignition System Coils 2, 4, and 6


Object Number: 1889575  Size: FS
Master Electrical Component List
Electronic Ignition (EI) System Description
Control Module References
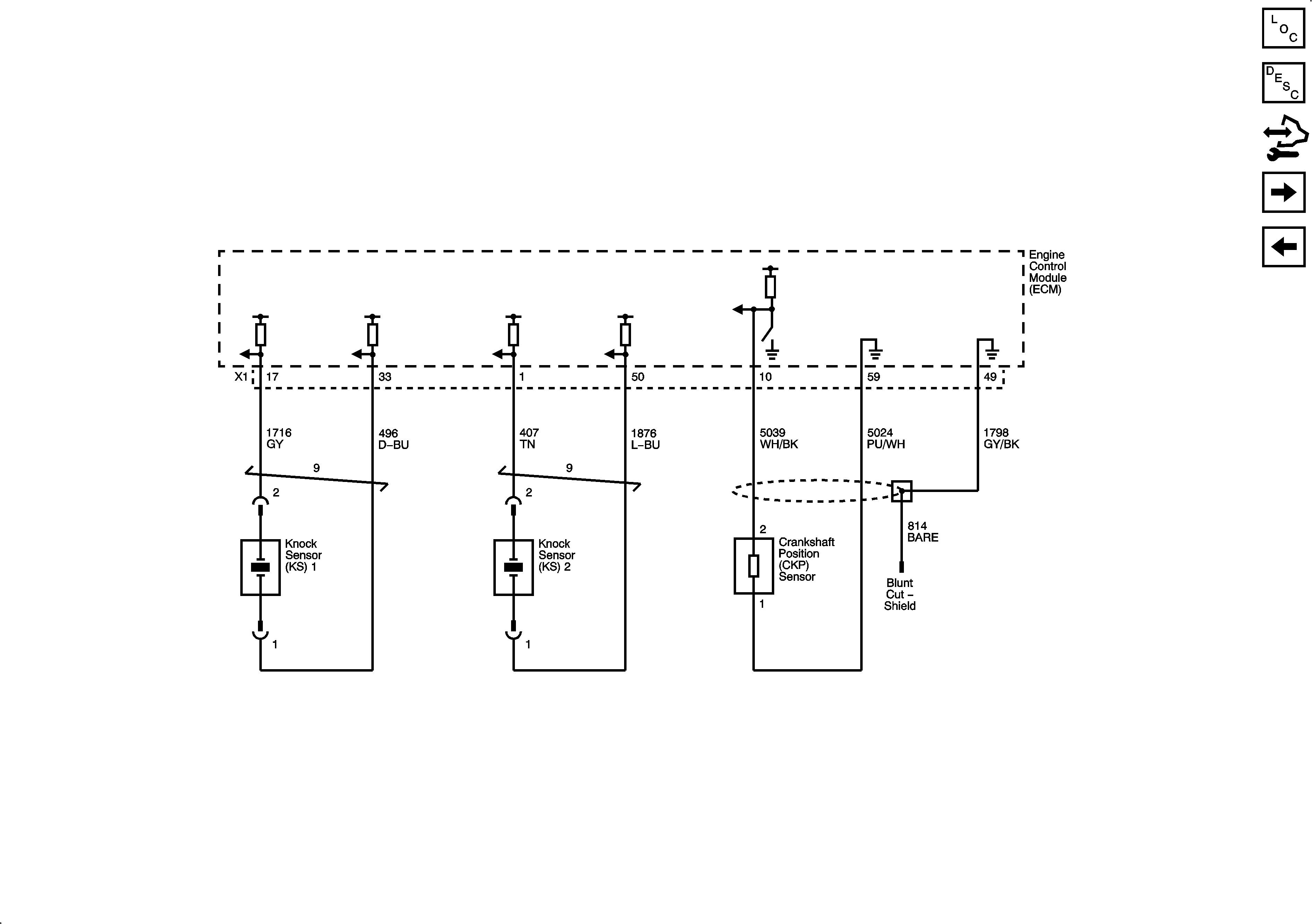
Ignition Controls - Knock and CKP Sensors
Ignition Controls - Ignition System Coils 1, 3, and 5
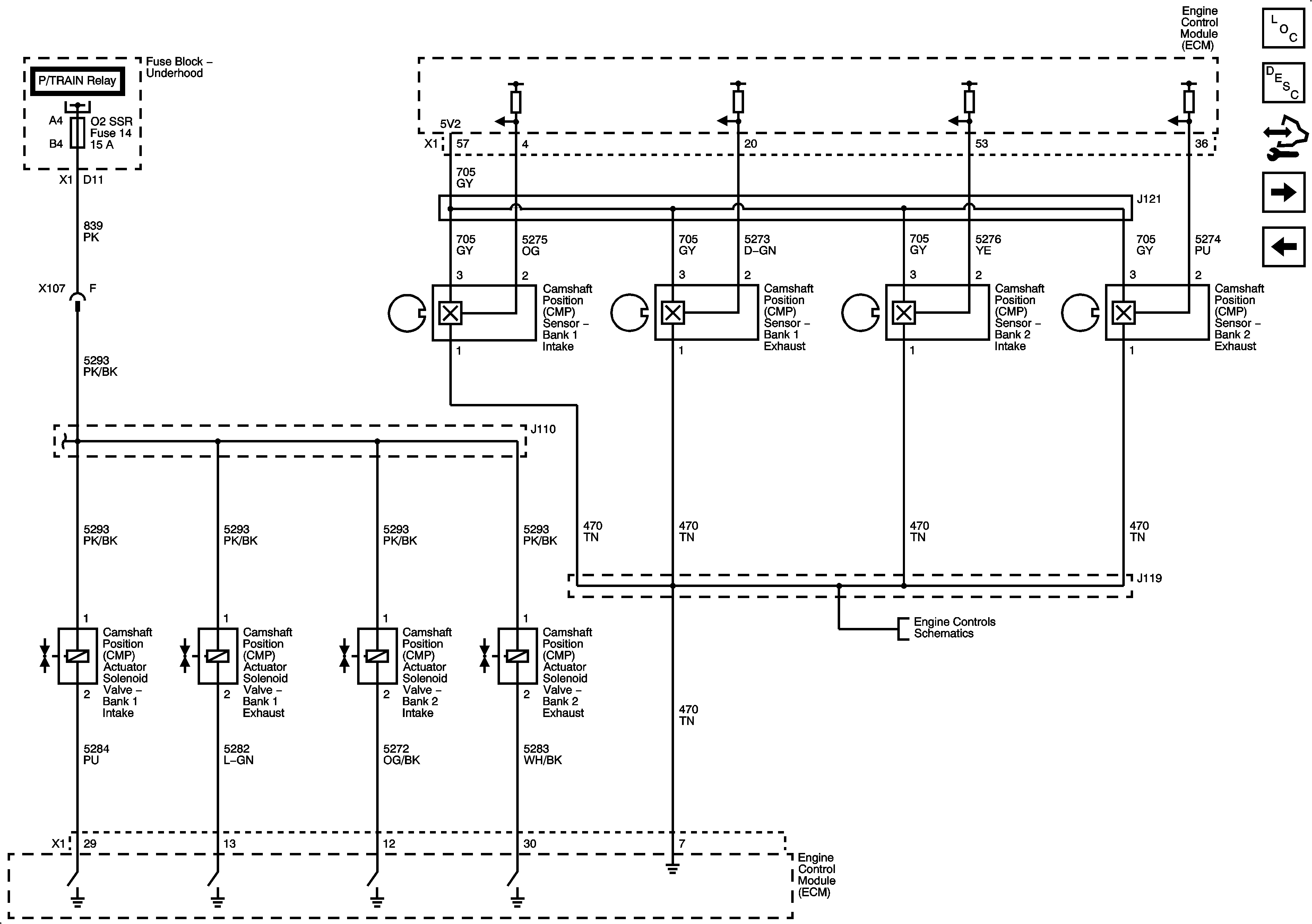
Figure 8:

Ignition Controls - CMP Sensors and Solenoids


Object Number: 1889579  Size: FS
Master Electrical Component List
Electronic Ignition (EI) System Description
Control Module References
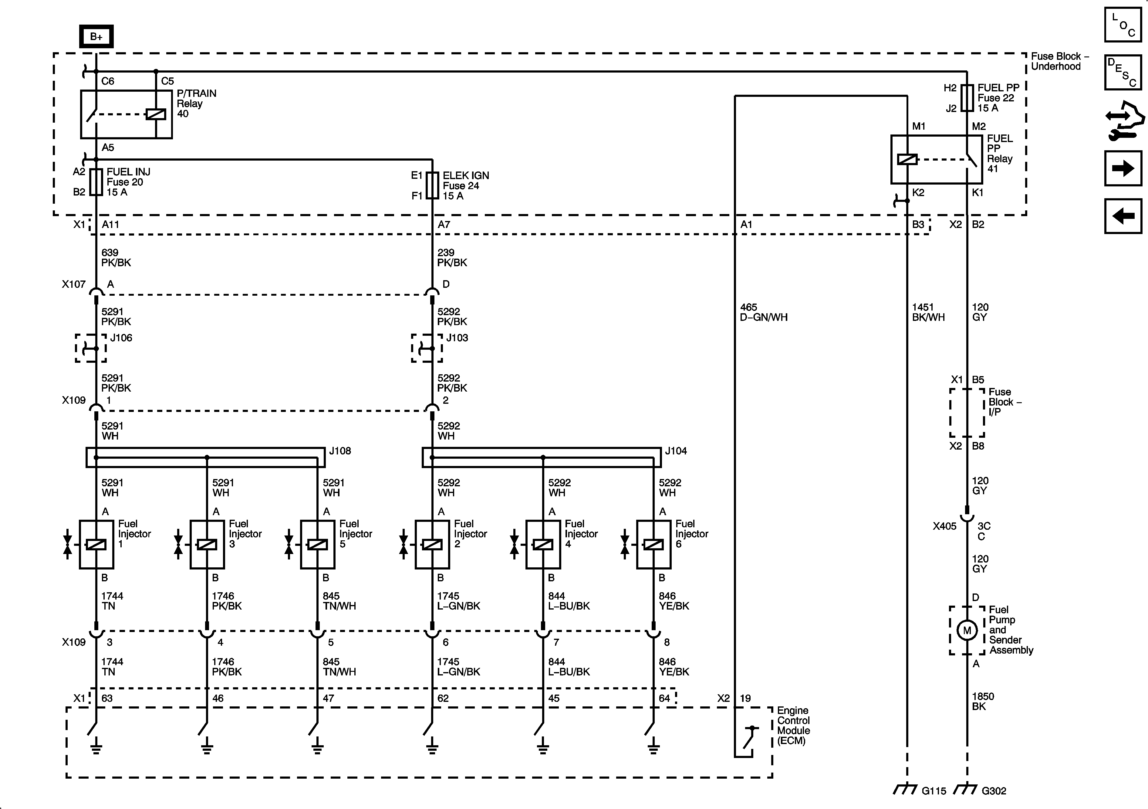
Fuel Controls - Fuel Injectors and Fuel Pump Controls
Ignition Controls - Knock and CKP Sensors
Figure 9:

Ignition Controls - Knock and CKP Sensors


Object Number: 1889578  Size: FS
Master Electrical Component List
Electronic Ignition (EI) System Description
Control Module References
Ignition Controls - CMP Sensors and Solenoids
Ignition Controls - Ignition System Coils 2, 4, and 6
Figure 10:

Fuel Controls - Fuel Injectors and Fuel Pump Controls


Object Number: 1889585  Size: FS
Master Electrical Component List
Fuel System Description
Control Module References
Fuel Controls - EVAP Controls
Ignition Controls - CMP Sensors and Solenoids
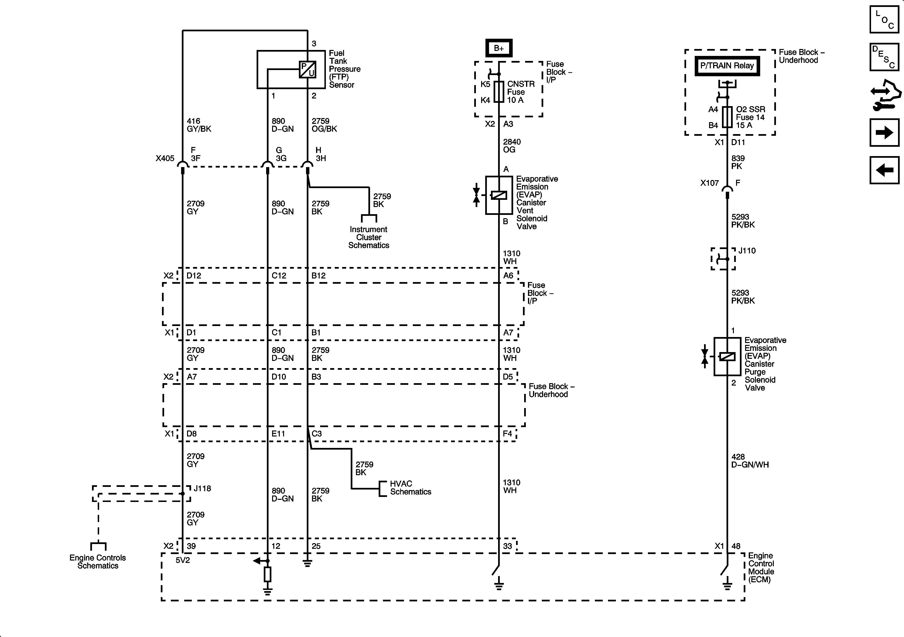
Figure 11:

Fuel Controls - EVAP Controls


Object Number: 1889586  Size: FS
Master Electrical Component List
Evaporative Emission Control System Description
Control Module References
Monitored/Controlled Subsystem References
Fuel Controls - Fuel Injectors and Fuel Pump Controls
Figure 12:

Monitored/Controlled Subsystem References


Object Number: 1889588  Size: FS
Master Electrical Component List
Engine Control Module Description
Control Module References
Fuel Controls - EVAP Controls