GM Service Manual Online
For 1990-2009 cars only
Makes
🢒
Buick
🢒
1996
🢒
Century
🢒 Fuel Pump System
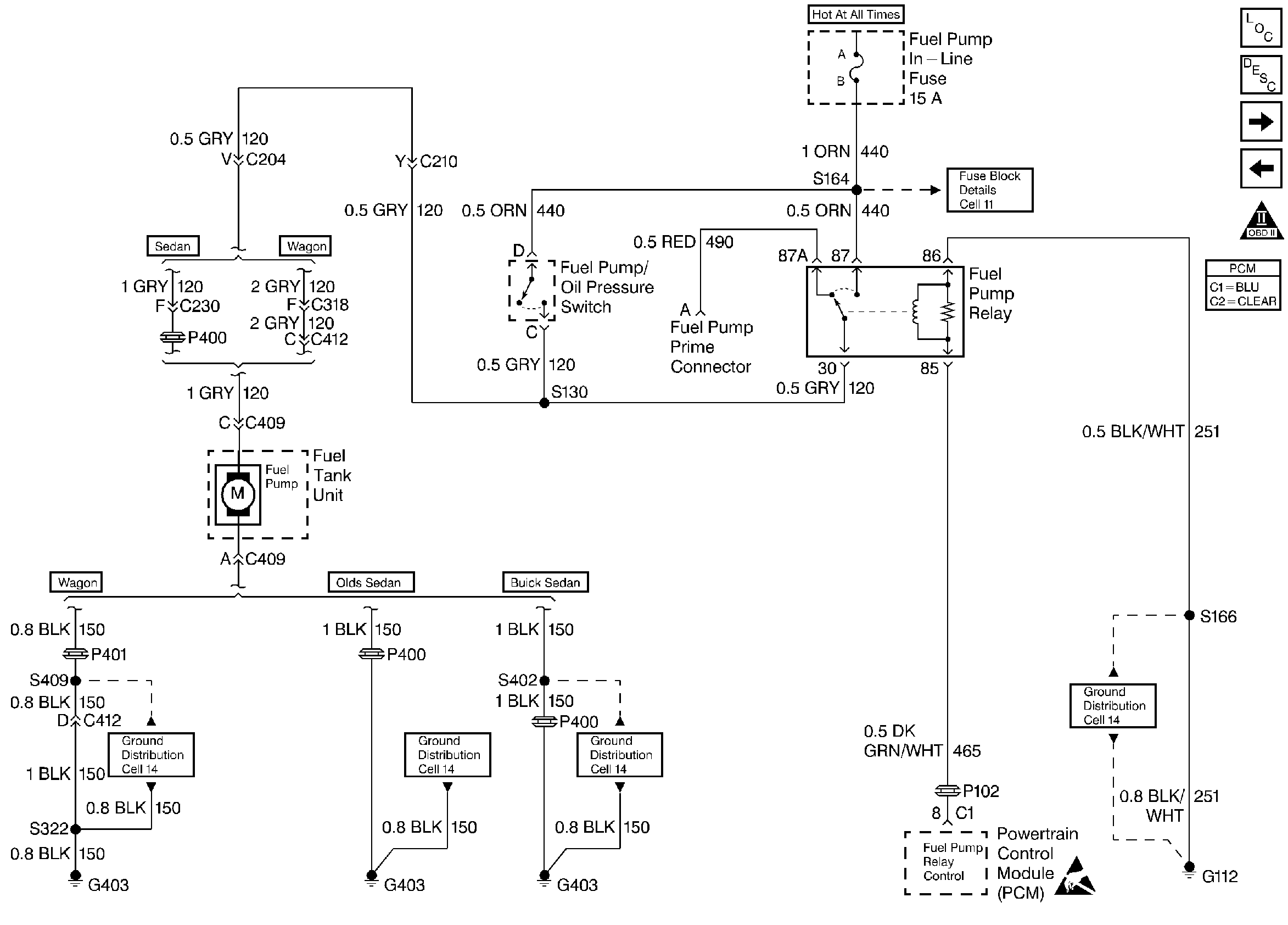
Fuel Pump System
Fuel Pump System
Fuel Injectors
Ignition Control and the Knock Sensor System
OBD II Symbol Description Notice
Handling ESD Sensitive Parts Notice