GM Service Manual Online
For 1990-2009 cars only
Makes
🢒
Buick
🢒
1996
🢒
Century
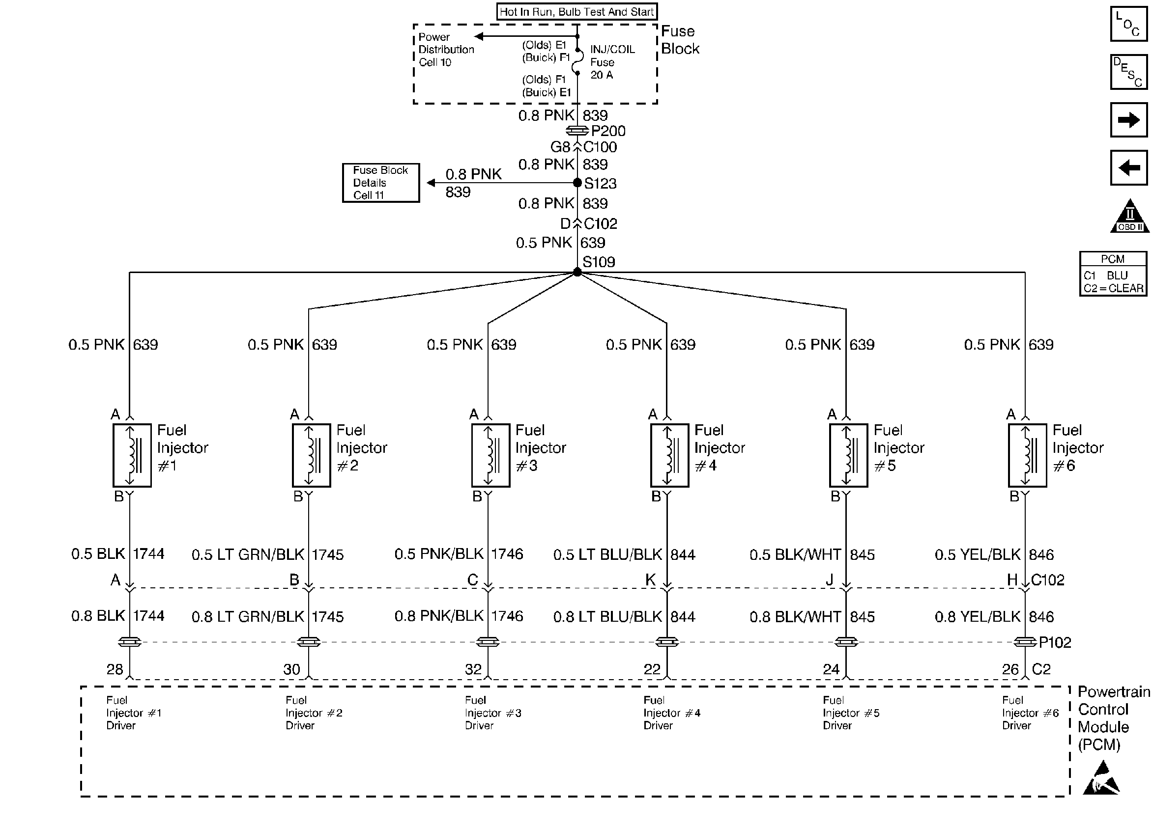
🢒 Fuel Injectors
Fuel Injectors
Fuel Injectors
ECT, MAP, TP, IAT, and A/C Systems
Fuel Pump System
OBD II Symbol Description Notice
Handling ESD Sensitive Parts Notice