GM Service Manual Online
For 1990-2009 cars only
Makes
🢒
Buick
🢒
1996
🢒
Century
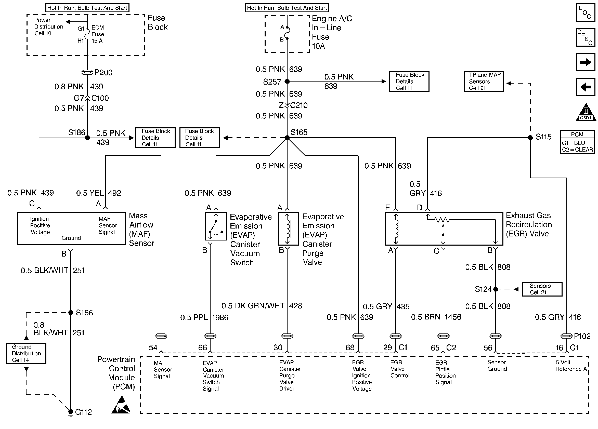
🢒 MAF, EVAP, and EGR Systems
MAF, EVAP, and EGR Systems
MAF, EVAP, and EGR Systems
Heated Oxygen Sensors
ECT, MAP, TP, IAT, and A/C Systems
OBD II Symbol Description Notice
Handling ESD Sensitive Parts Notice