GM Service Manual Online
For 1990-2009 cars only
Makes
🢒
Buick
🢒
1996
🢒
Century
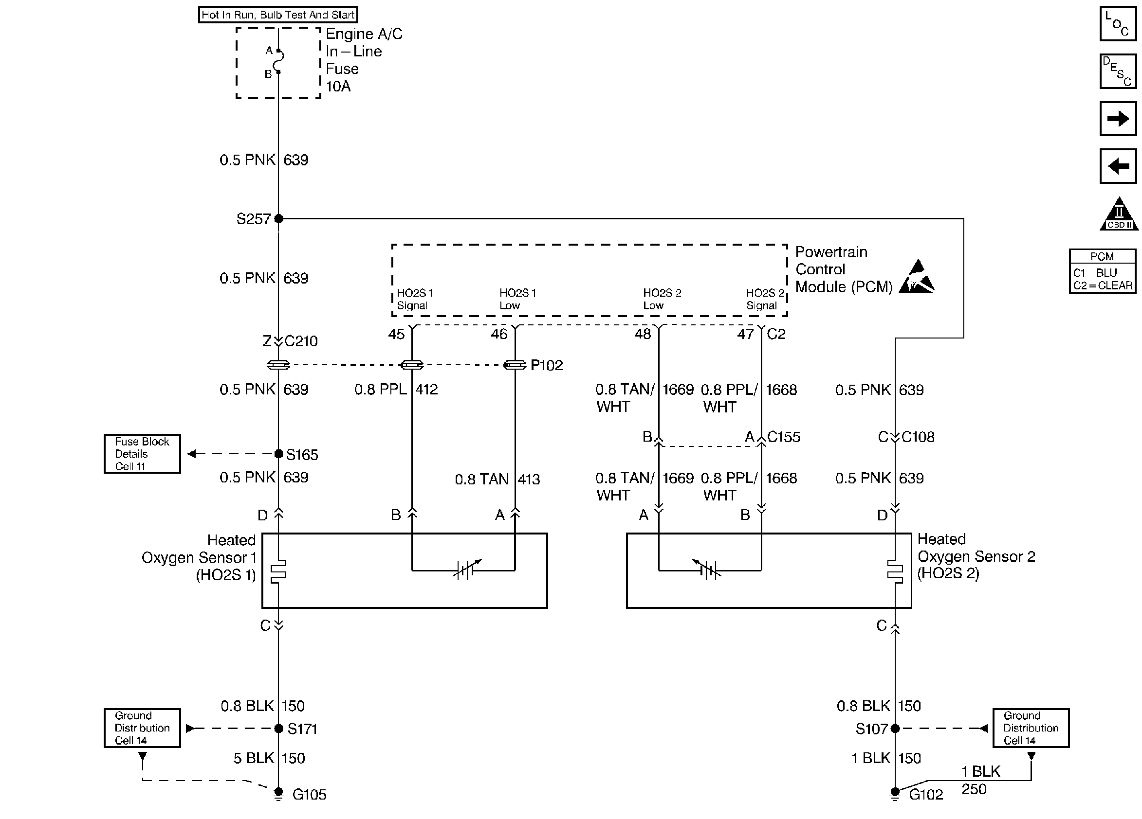
🢒 Heated Oxygen Sensors
Heated Oxygen Sensors
Heated Oxygen Sensors
Instrument Cluster, IAC, and Transmission Range Switch Systems
MAF, EVAP, and EGR Systems
OBD II Symbol Description Notice
Handling ESD Sensitive Parts Notice