GM Service Manual Online
For 1990-2009 cars only
Makes
🢒
Buick
🢒
1996
🢒
Century
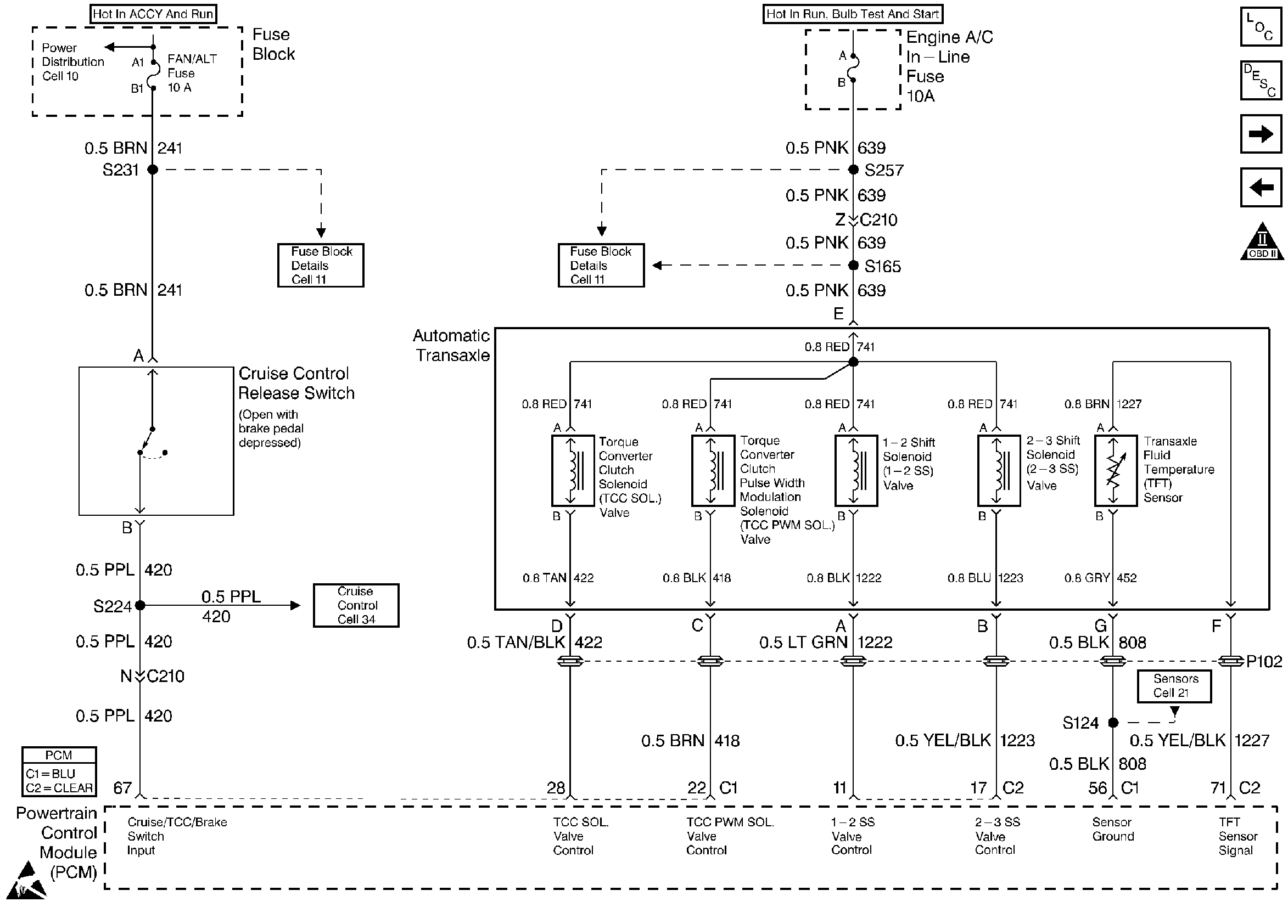
🢒 TCC and Brake Switch Systems
TCC and Brake Switch Systems
TCC and Brake Switch Systems
Heater and A/C Compressor Clutch Systems
Cruise Control and Vehicle Speed Sensor Systems
OBD II Symbol Description Notice
Handling ESD Sensitive Parts Notice