GM Service Manual Online
For 1990-2009 cars only
Makes
🢒
Buick
🢒
1996
🢒
Century
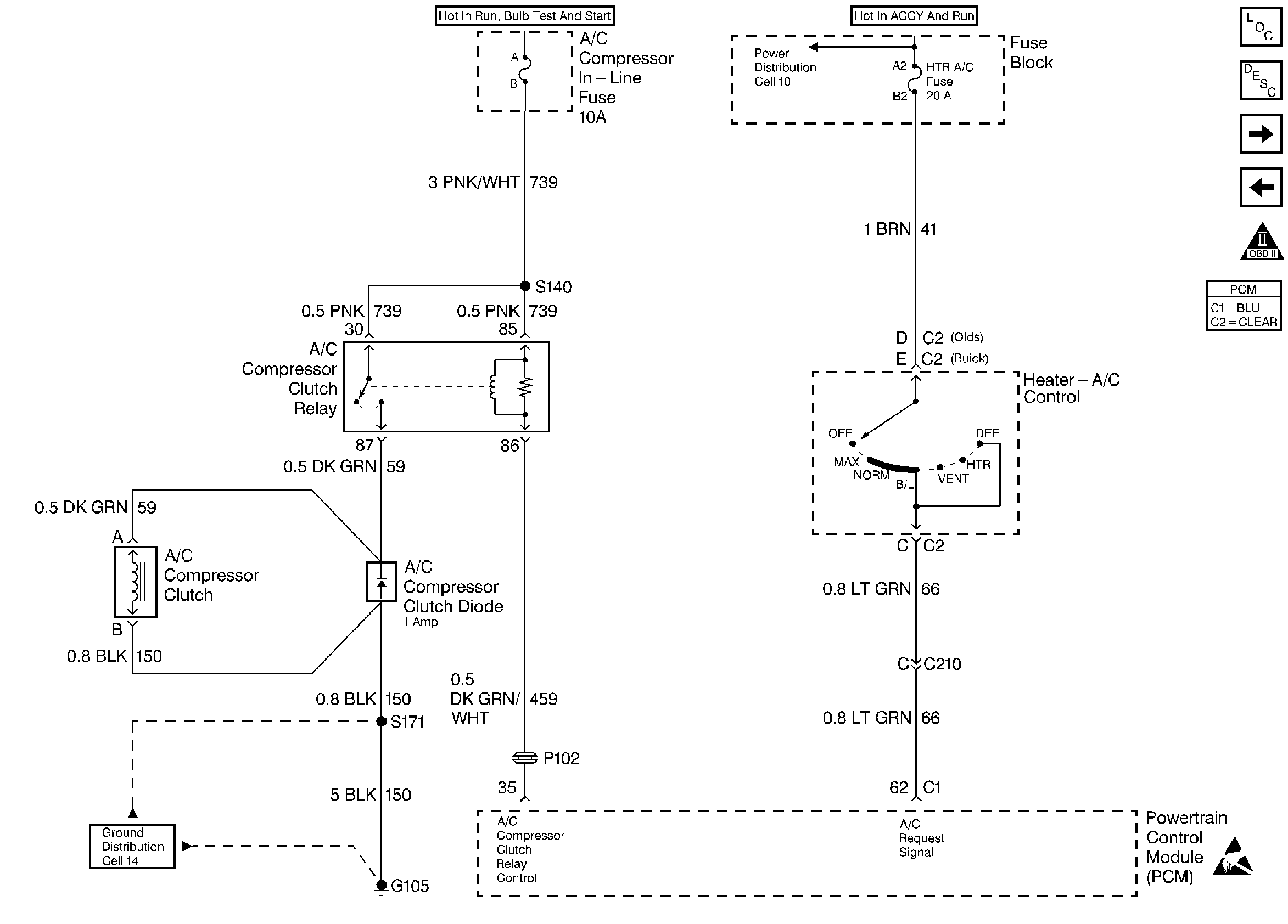
🢒 Heater and A/C Compressor Clutch Systems
Heater and A/C Compressor Clutch Systems
Heater and A/C Compressor Clutch Systems
Engine Cooling Fans
TCC and Brake Switch Systems
OBD II Symbol Description Notice
Handling ESD Sensitive Parts Notice