GM Service Manual Online
For 1990-2009 cars only

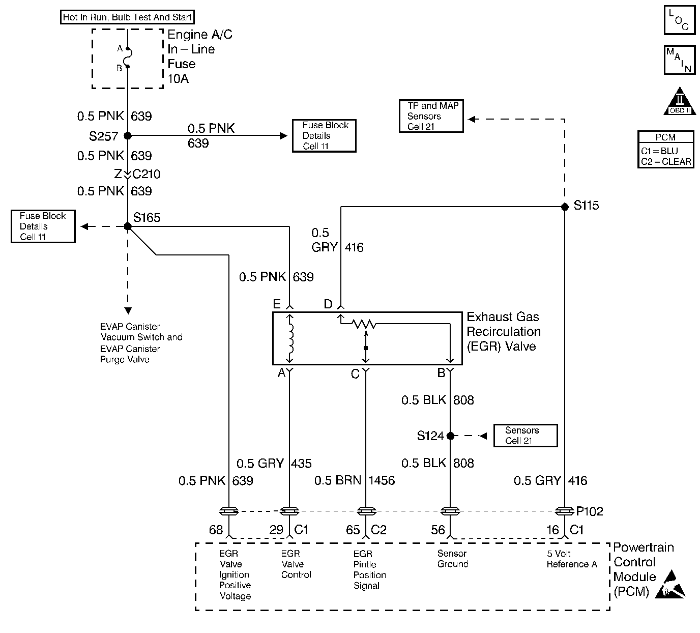
Object Number: 28311  Size: LF
Engine Controls Components
MAF, EVAP, and EGR Systems
OBD II Symbol Description Notice
Handling ESD Sensitive Parts Notice

Circuit Description

The PCM tests the EGR system during deceleration by momentarily commanding the EGR valve to open while monitoring the Manifold Absolute Pressure (MAP) sensor signal. When the EGR valve is opened, the PCM should see a proportional increase in MAP. If the expected increase in MAP is not seen, the PCM notes the amount of error that was detected and adjusts an internal fail counter towards a fail threshold level. When the fail counter exceeds the fail threshold level, the PCM will set DTC P0401. The number of test samples required to accomplish this may vary according to the amount of detected flow error.

Normally, the PCM will only allow one EGR flow test sample to be taken during an ignition cycle. To aid in verifying a repair, the PCM allows twelve test samples during the first ignition cycle following a scan tool Clear Info or a battery disconnect. Between nine and twelve samples should be sufficient for the PCM to determine adequate EGR flow and pass the EGR test.

Conditions for Setting the DTC

    • No TP sensor, Vehicle Speed Sensor, injector circuit, Misfire, IAT sensor, MAP sensor, Idle speed, EGR Pintle Position sensor, ECT sensor, CKP sensor, or MAF sensor DTC(s) set.
    • TP angle is less than 1%.
    • Engine coolant temperature is greater than 80°C (180°F).
    • Engine speed is between 800 RPM and 1500 RPM.
    • IAC position is steady.
    • Vehicle speed is greater than 30 mph.
    • MAP changes monitored during EGR flow test indicate insufficient EGR flow.
    • BARO sensor greater than 65 kPa.

Action Taken When the DTC Sets

    • The PCM will illuminate the malfunction indicator lamp (MIL) during the first trip in which the diagnostic test has been run and failed.
    • The PCM will store conditions which were present when the DTC set as Freeze Frame and Failure Records data.

Conditions for Clearing the MIL/DTC

    • The PCM will turn OFF the MIL during the third consecutive trip in which the diagnostic has been run and passed.
    • The History DTC will clear after 40 consecutive warm-up cycles have occurred without a malfunction.
    • The DTC can be cleared by using the scan tool.

Diagnostic Aids

To verify a repair, clear info with the scan tool and run the EGR flow test keeping the following items in mind:

    • The PCM will only run the EGR flow test during a gradual deceleration.
    • The PCM will only run the EGR test during a closed throttle condition.
    • The PCM will only run the EGR test at vehicle speeds above 30 mph.
    • Several deceleration cycles will be necessary to run a sufficient number of EGR flow test samples (9-12).
    • The EGR Test Counter displayed on the scan tool can be useful in determining that the EGR flow test is running and to keep track of the number of test samples taken. The counter will increment each time a test sample is taken.

Check for the following conditions:

    • Poor connection or damaged harness. Inspect the wiring harness for damage. If the harness appears to be OK, observe the Actual EGR Position display on the scan tool while moving connectors and wiring harnesses related to the EGR valve. A change in the display will indicate the location of the fault.

Reviewing the Fail Records vehicle mileage since the diagnostic test last failed may help determine how often the condition that caused the DTC to be set occurs. This may assist in diagnosing the condition.

Notice: If the EGR valve shows signs of excessive heat, check the exhaust system for blockage (possibly a plugged catalytic converter) using the Restricted Exhaust System Check.

DTC P0401 - EGR Flow Insufficient Detected

Step

Action

Value(s)

Yes

No

1

Was the Powertrain On-Board Diagnostic System Check performed?

--

Go to Step 2

Go to Powertrain OBD System Check

2

  1. Inspect the exhaust system for modification of original installed parts or leaks.
  2. If a problem was found, repair exhaust system as necessary.

Was a condition present that required repair?

--

Go to Step 5

Go to Step 3

3

  1. Remove the EGR valve.
  2. Visually and physically inspect the following items:
  3. • Pintle, valve passages and the adapter for excessive deposits or any kind of a restriction.
    • EGR valve gasket and pipes for leaks.
  4. If a problem is found, clean or replace EGR system components as necessary.

Was a condition present that required repair?

--

Go to Step 5

Go to Step 4

4

  1. Remove the EGR inlet and outlet pipes from the exhaust manifold and the intake manifold.
  2. Inspect the manifold EGR ports and the EGR inlet and outlet pipes for a blockage caused by excessive deposits, casting flashing or other damage.
  3. If a problem is found, correct the condition as necessary.

Was a condition present that required repair?

--

Go to Step 5

Refer to Diagnostic Aids

5

  1. Review and record the scan tool Fail Records data.
  2. Clear DTC and monitor EGR Test Count display on the scan tool while operating the vehicle as specified in Diagnostic Aids.
  3. Continue operating the vehicle EGR Test Count until 9 - 12 test samples have been taken.
  4. Select scan tool Specific DTC information for DTC P0401.

Note test result does scan tool indicate DTC P0401 Test Ran and Passed?

--

Repair complete

Go to Step 2