GM Service Manual Online
For 1990-2009 cars only
Makes
🢒
Buick
🢒
1998
🢒
Century
🢒 Cell 66
Cell 66
Cell 66
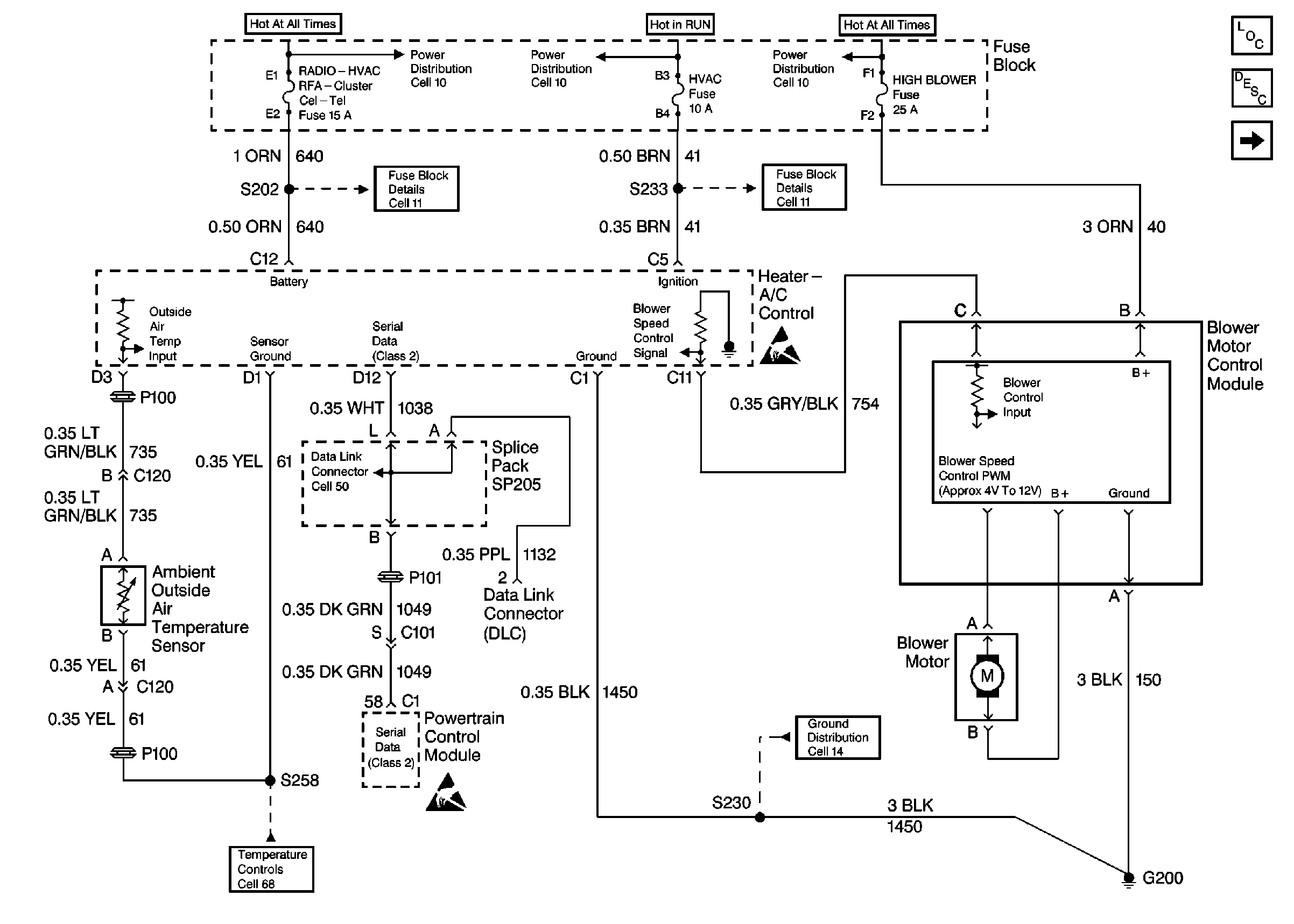
HVAC Components
HVAC Blower Controls Circuit Description
Cell 67
Fuse Block Schematics
Fuse Block Schematics
Handling ESD Sensitive Parts Notice
Cell 68: Heater A/C Control
Handling ESD Sensitive Parts Notice
Ground Distribution Schematics