GM Service Manual Online
For 1990-2009 cars only

Radio/Audio System Schematics 99 W-B

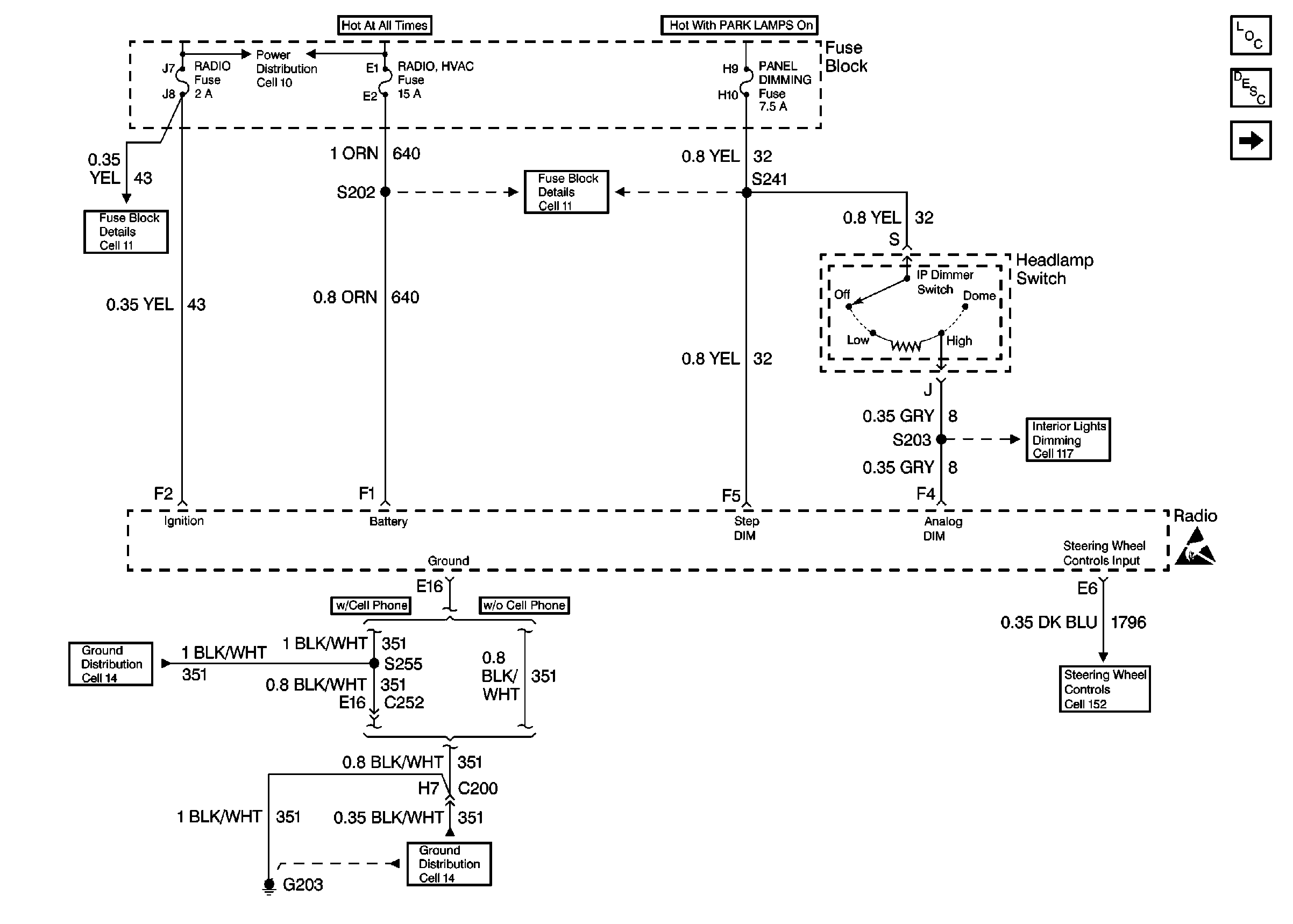
Figure 1:

Cell 150: Radio, Headlamp Switch, Fuse Block


Object Number: 349359  Size: FS
Entertainment Components
Radio/Audio System Circuit Description
Cell 150: Speakers, Radio, w/o U85
Interior Lights Dimming Schematics Buick
Handling ESD Sensitive Parts Notice
Cell 152
Cell 14: G203 (2 of 2)
Cell 14: G203 (2 of 2)
Cell 11: WIPER, BCM ACC, POWER DROP, RADIO and STRG WHL CONT Fuses
Cell 11: FRT PARK LPS FOG LAMPS, TAIL LAMPS LIC LAMPS, and PANEL DIMMING Fuses
Cell 11: RADIO-HVAC RFA CLUSTER CEL TEL, BCM PWR, INADV POWER BUS,and CIGAR LTR DATA LINK Fuses
Figure 2:

Cell 150: Speakers, Radio, w/o U85


Object Number: 349365  Size: FS
Entertainment Components
Radio/Audio System Circuit Description
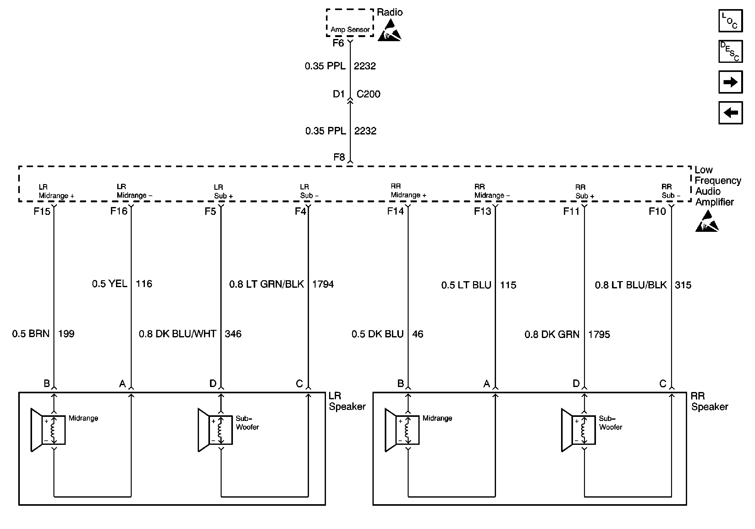
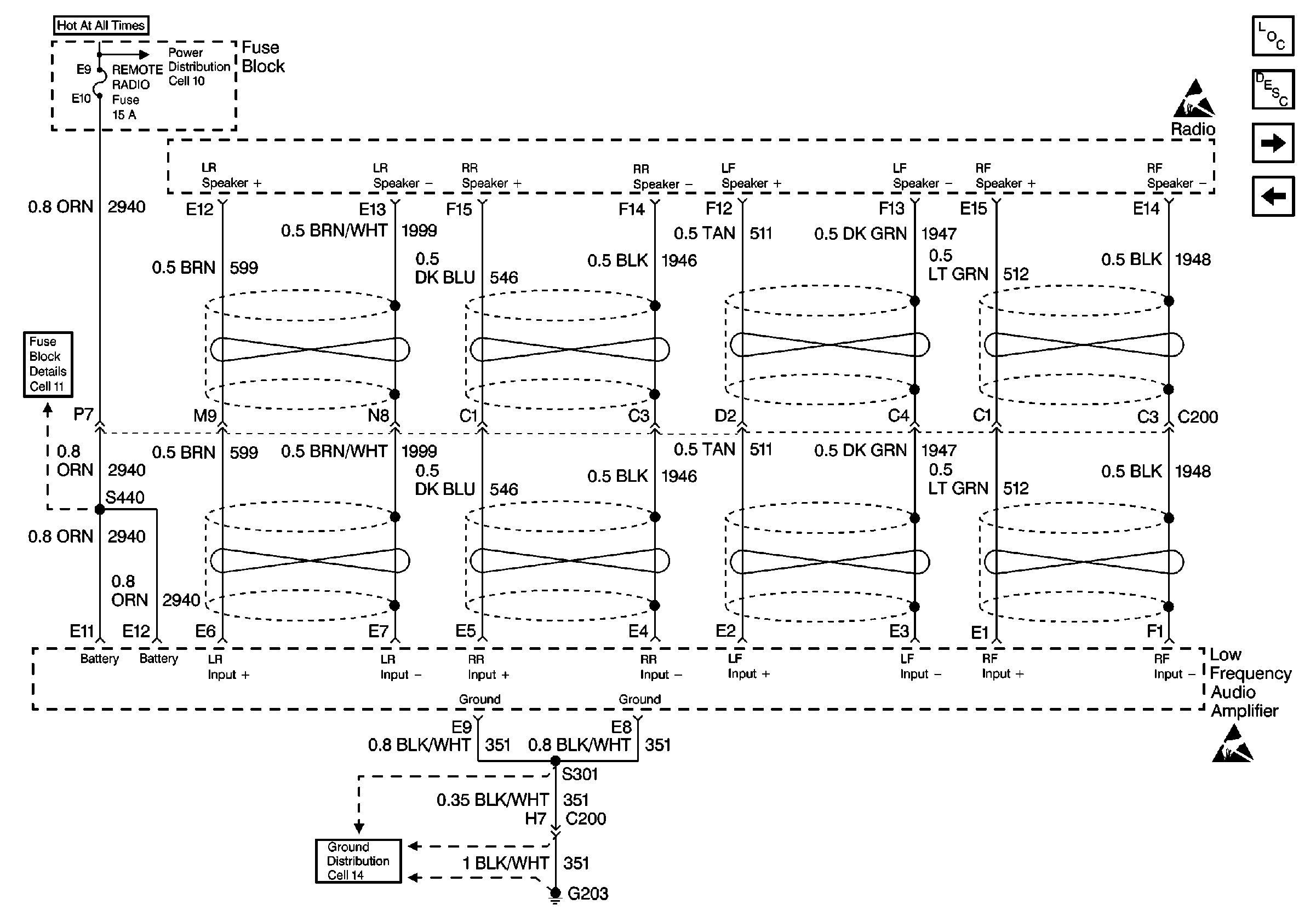
Cell 150: Low Frequency Audio Amplifier, Radio, RPO U85
Cell 150: Radio, Headlamp Switch, Fuse Block
Handling ESD Sensitive Parts Notice
Figure 3:

Cell 150: Low Frequency Audio Amplifier, Radio, RPO U85


Object Number: 349376  Size: FS
Entertainment Components
Radio/Audio System Circuit Description
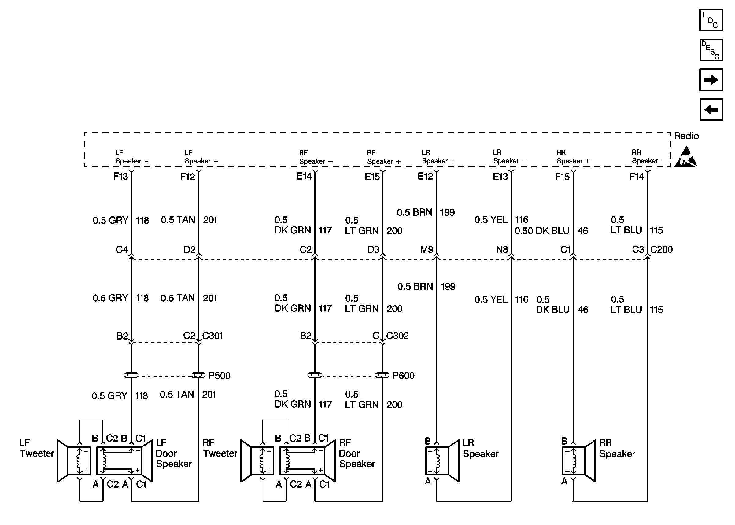
Cell 150: Low Frequency Audio Amplifier, RR/LR Speakers
Cell 150: Speakers, Radio, w/o U85
Handling ESD Sensitive Parts Notice
Cell 14: G203 (2 of 2)
Cell 11: RADIO-HVAC RFA CLUSTER CEL TEL, BCM PWR, INADV POWER BUS,and CIGAR LTR DATA LINK Fuses
Cell 11: RADIO-HVAC RFA CLUSTER CEL TEL, BCM PWR, INADV POWER BUS,and CIGAR LTR DATA LINK Fuses
Handling ESD Sensitive Parts Notice
Figure 4:

Cell 150: Low Frequency Audio Amplifier, RR/LR Speakers


Object Number: 349389  Size: FS
Entertainment Components
Radio/Audio System Circuit Description
Cell 150: Low Frequency Audio Amplifier, RF/LF Midrange/Tweeter Speakers, RPO U85
Cell 150: Low Frequency Audio Amplifier, Radio, RPO U85
Handling ESD Sensitive Parts Notice
Figure 5:

Cell 150: Low Frequency Audio Amplifier, RF/LF Midrange/Tweeter Speakers, RPO U85


Object Number: 349377  Size: FS
Entertainment Components
Radio/Audio System Circuit Description
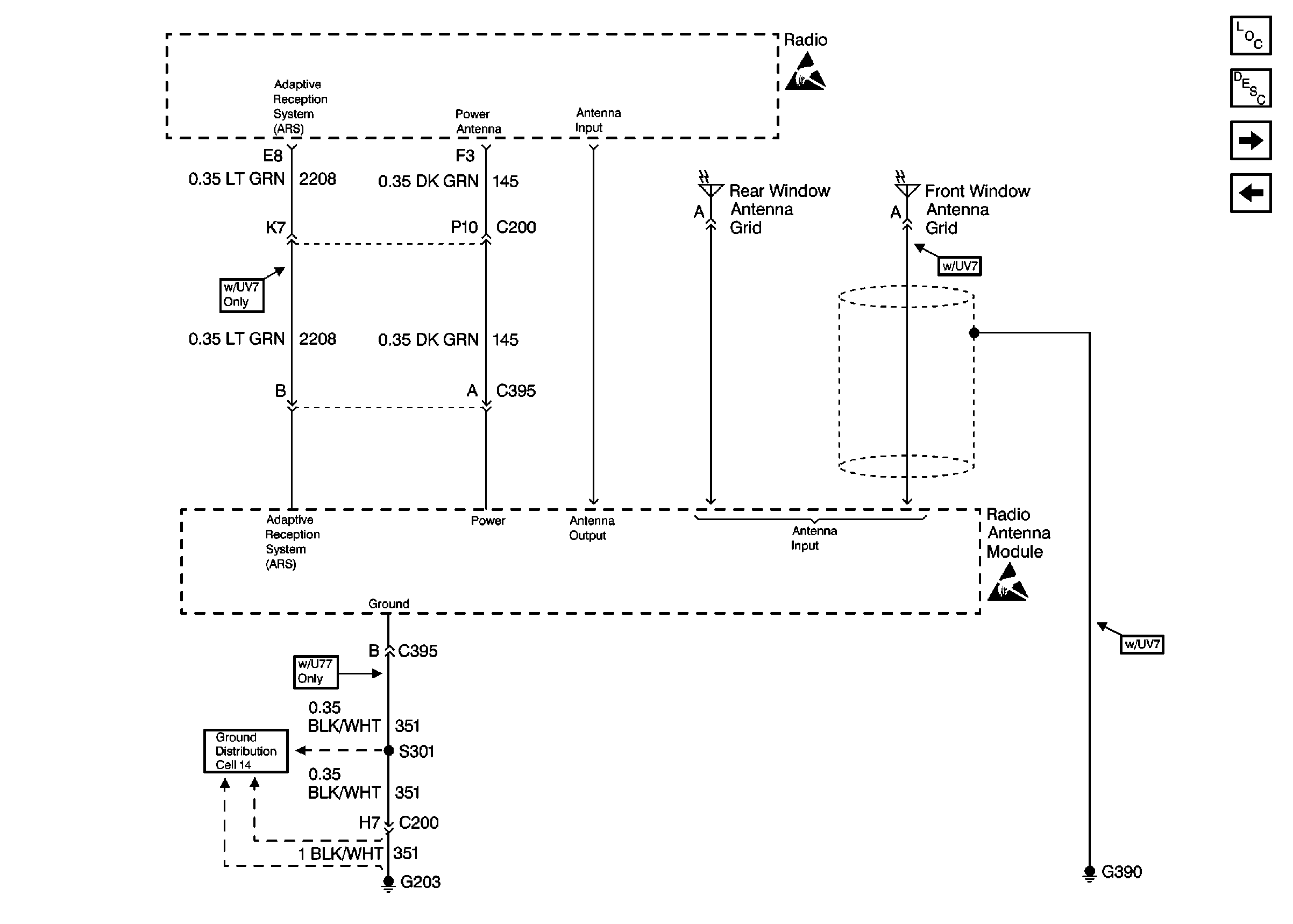
Cell 150: Radio Antenna Module, Rear/Front Antenna Grid
Cell 150: Low Frequency Audio Amplifier, RR/LR Speakers
Handling ESD Sensitive Parts Notice
Figure 6:

Cell 150: Radio Antenna Module, Rear/Front Antenna Grid


Object Number: 349394  Size: FS
Entertainment Components
Radio/Audio System Circuit Description
Cell 150: Premium, Remote CD Player, Radio, RPO U1S
Cell 150: Low Frequency Audio Amplifier, RF/LF Midrange/Tweeter Speakers, RPO U85
Handling ESD Sensitive Parts Notice
Handling ESD Sensitive Parts Notice
Cell 14: G203 (2 of 2)
Figure 7:

Cell 150: Premium, Remote Cd Player,Radio, RPO U1S


Object Number: 349372  Size: FS
Entertainment Components
Radio/Audio System Circuit Description
Cell 150: Remote CD Player, Mobile Telephone Handset, Serial Data
Cell 150: Radio Antenna Module, Rear/Front Antenna Grid
Handling ESD Sensitive Parts Notice
Cell 11: RADIO-HVAC RFA CLUSTER CEL TEL, BCM PWR, INADV POWER BUS,and CIGAR LTR DATA LINK Fuses
Cell 14: G203 (2 of 2)
Cell 11: RADIO-HVAC RFA CLUSTER CEL TEL, BCM PWR, INADV POWER BUS,and CIGAR LTR DATA LINK Fuses
Figure 8:

Cell 150: Remote CD Player, Mobile Telephone Handset, Serial Data


Object Number: 385082  Size: FS
Entertainment Components
Radio/Audio System Circuit Description
Cell 150: Premium, Remote CD Player, Radio, RPO U1S
Handling ESD Sensitive Parts Notice