GM Service Manual Online
For 1990-2009 cars only
Makes
🢒
Buick
🢒
1999
🢒
Century
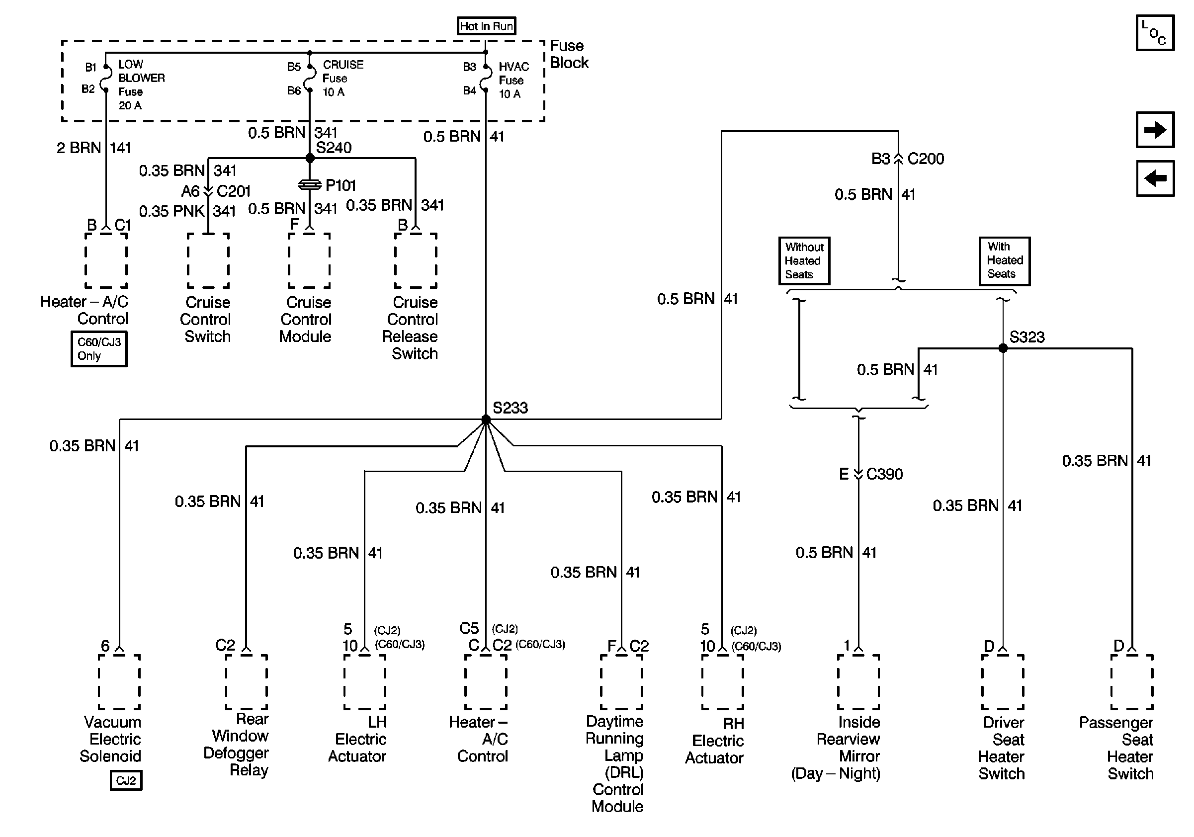
🢒 Cell 11: LOW BLOWER, CRUISE and HVAC Fuses
Cell 11: LOW BLOWER, CRUISE and HVAC Fuses
Cell 11: LOW BLOWER, CRUISE and HVAC Fuses
Power and Grounding Components
Cell 11: ABS, and BTSI PARK LOCK Fuses
Cell 11: HEATED MIRROR, CRANK SIGNAL BCM CLUSTER, IGN 0: CLUSTER PCM & BCM, and PARK LOCK Fuses