GM Service Manual Online
For 1990-2009 cars only
Makes
🢒
Buick
🢒
1999
🢒
Century
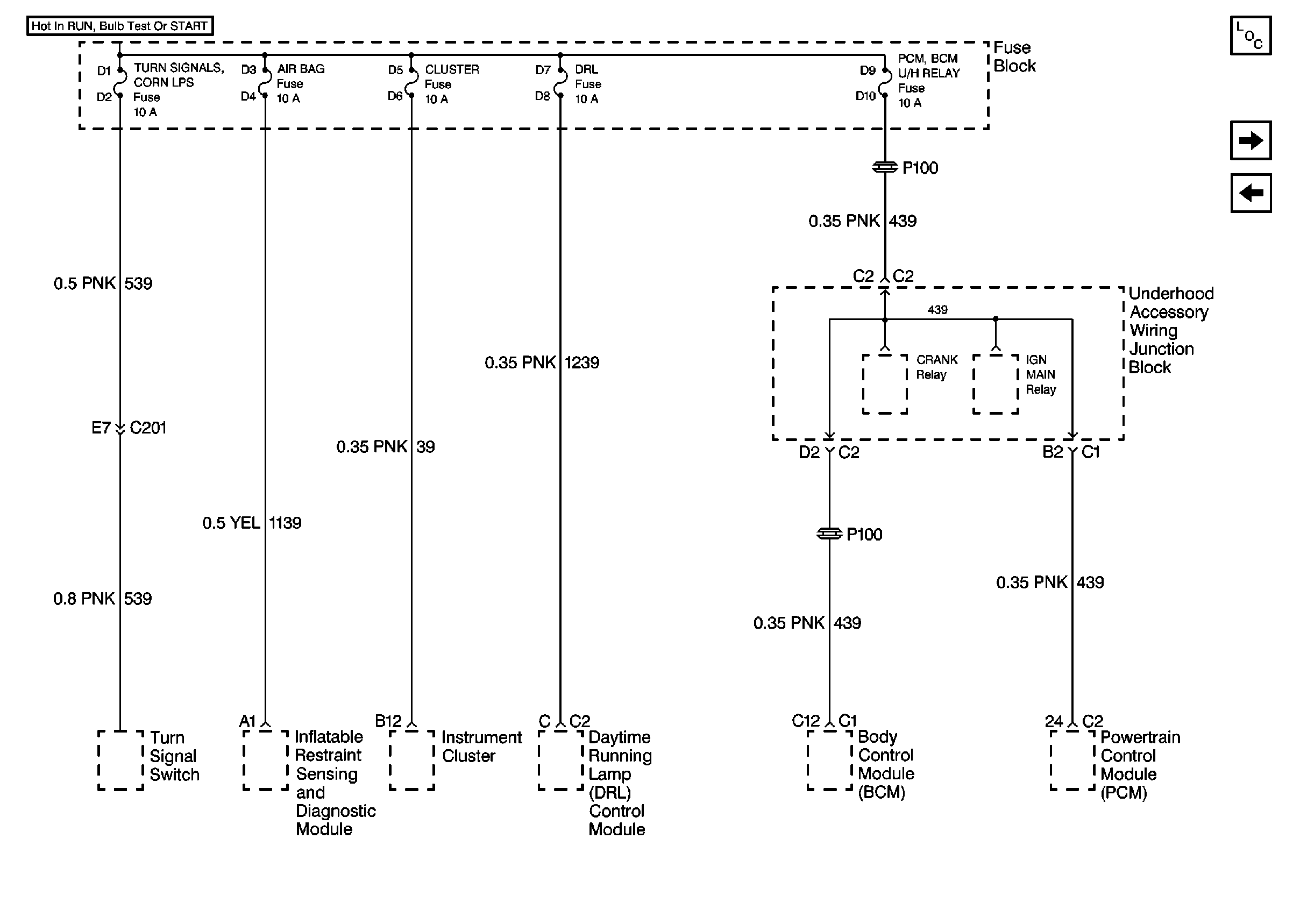
🢒 Cell 11: TURN SIGNALS CORN LPS, AIR BAG, CLUSTER, DRL and PCM-BCM U/H RELAY Fuses
Cell 11: TURN SIGNALS CORN LPS, AIR BAG, CLUSTER, DRL and PCM-BCM U/H RELAY Fuses
Cell 11: TURN SIGNALS CORN LPS, AIR BAG, CLUSTER, DRL and PCM-BCM U/H RELAY Fuses
Power and Grounding Components
Cell 11: RADIO-HVAC RFA CLUSTER CEL TEL, BCM PWR, INADV POWER BUS,and CIGAR LTR DATA LINK Fuses
Cell 11: ABS, and BTSI PARK LOCK Fuses