GM Service Manual Online
For 1990-2009 cars only
Makes
🢒
Buick
🢒
2000
🢒
Century
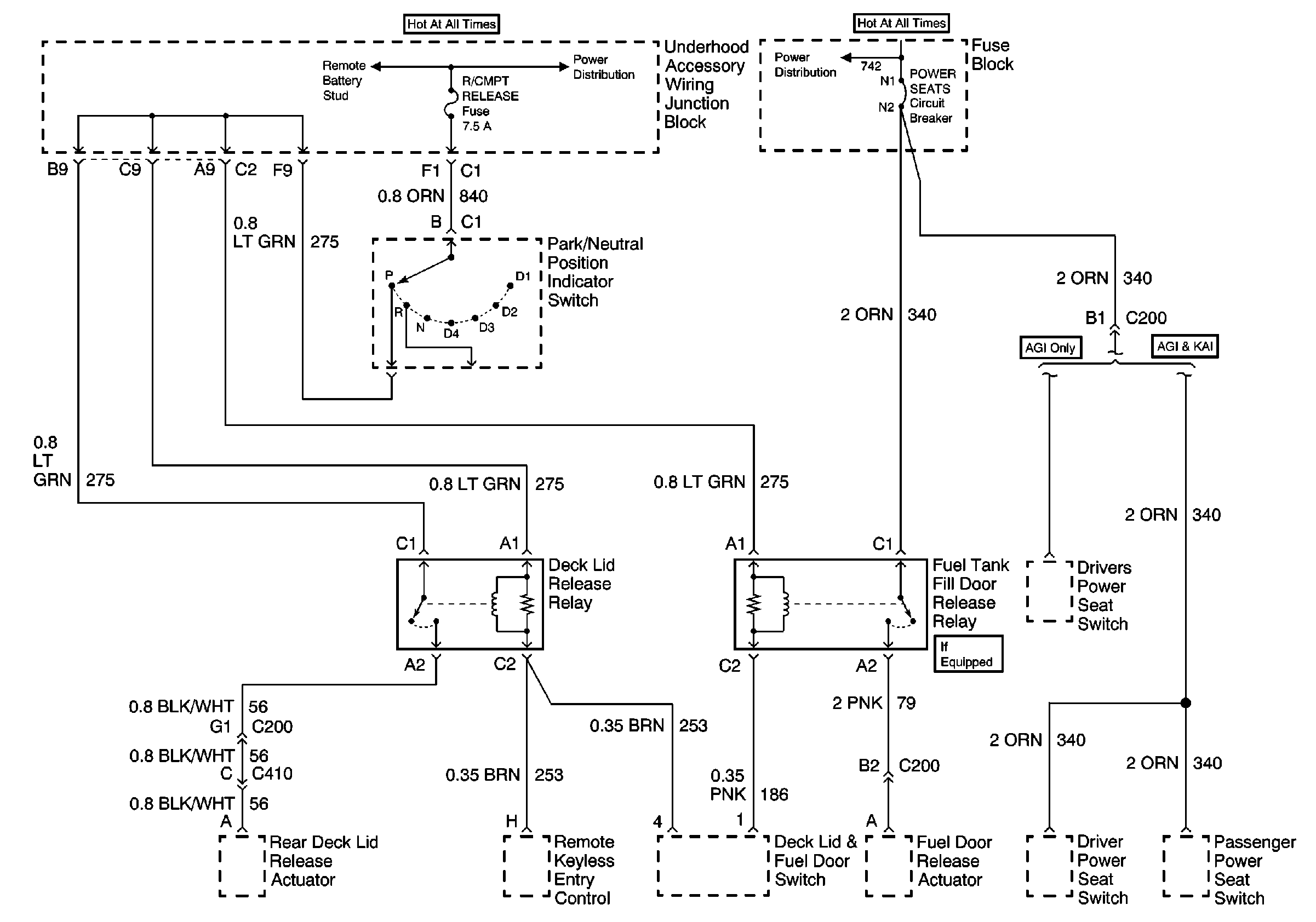
🢒 Deck Lid, Fuel door Release Relay
Deck Lid, Fuel door Release Relay
Deck Lid, Fuel door Release Relay
Power and Grounding Components
PWR Windows/Pwr Sunroof, Rear Defog and Power Seats Circuit Breakers