GM Service Manual Online
For 1990-2009 cars only
Makes
🢒
Buick
🢒
2000
🢒
Century
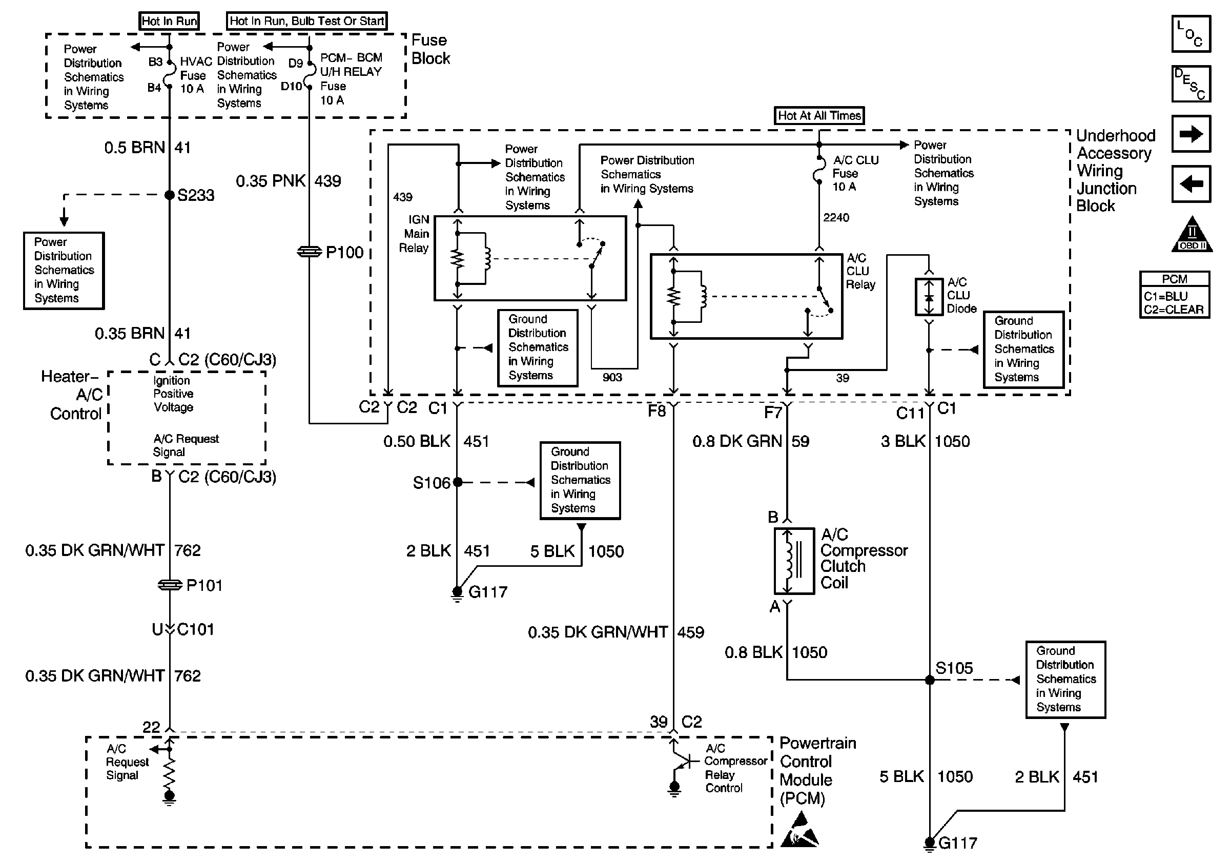
🢒 Heater A/C Control Output and A/C Compressor Clutch Coil
Heater A/C Control Output and A/C Compressor Clutch Coil
Heater A/C Control Output and A/C Compressor Clutch Coil
Low Blower, Cruise, and HVAC Fuses
Low Blower, Cruise, and HVAC Fuses
UAWJB, Ignition Switch, and Fuse Block
UAWJB
UAWJB
G100, G113 and G113
G100, G113 and G113
UAWJB
G113 and G117
Handling ESD Sensitive Parts Notice
G113 and G117
Engine Controls Component Views
Powertrain Control Module Description
Cooling Fans Output
Automatic Transaxle Inputs
OBD II Symbol Description Notice