GM Service Manual Online
For 1990-2009 cars only
Makes
🢒
Buick
🢒
2000
🢒
Century
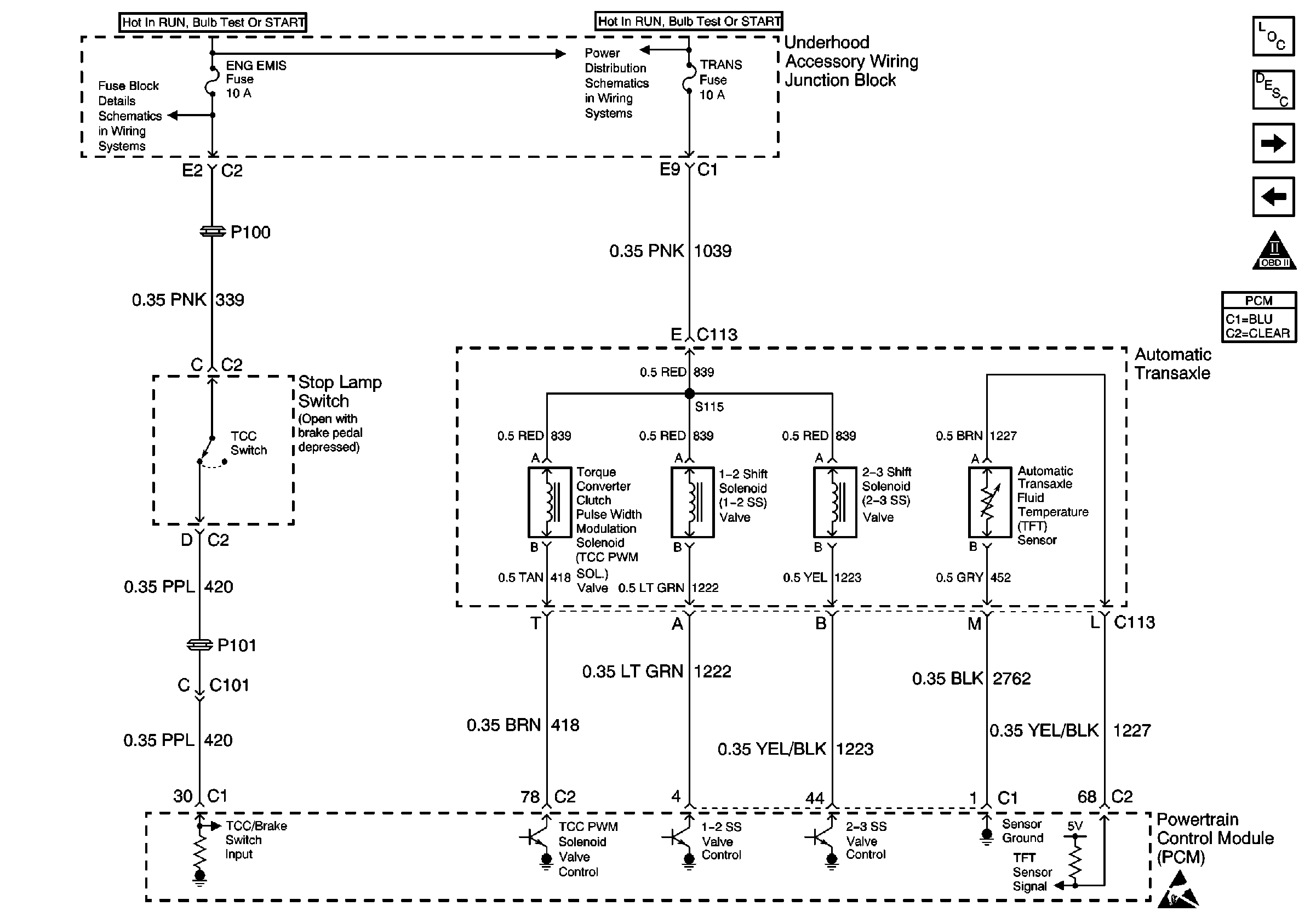
🢒 Automatic Transaxle Inputs
Automatic Transaxle Inputs
Automatic Transaxle Inputs
UAWJB, Stop Lamp Switch, EVAP, MAF Secondary Air Injection Bypass Valve Solenoid
UAWJB, Automatic Transaxle, ICM, HO2S1 and HO2S2
Handling ESD Sensitive Parts Notice
Engine Controls Component Views
Powertrain Control Module Description
Heater A/C Control Output and A/C Compressor Clutch Coil
IPC Class 2 Serial Data Input from PCM and Generator Input/Output
OBD II Symbol Description Notice