GM Service Manual Online
For 1990-2009 cars only
Makes
🢒
Buick
🢒
2000
🢒
Century
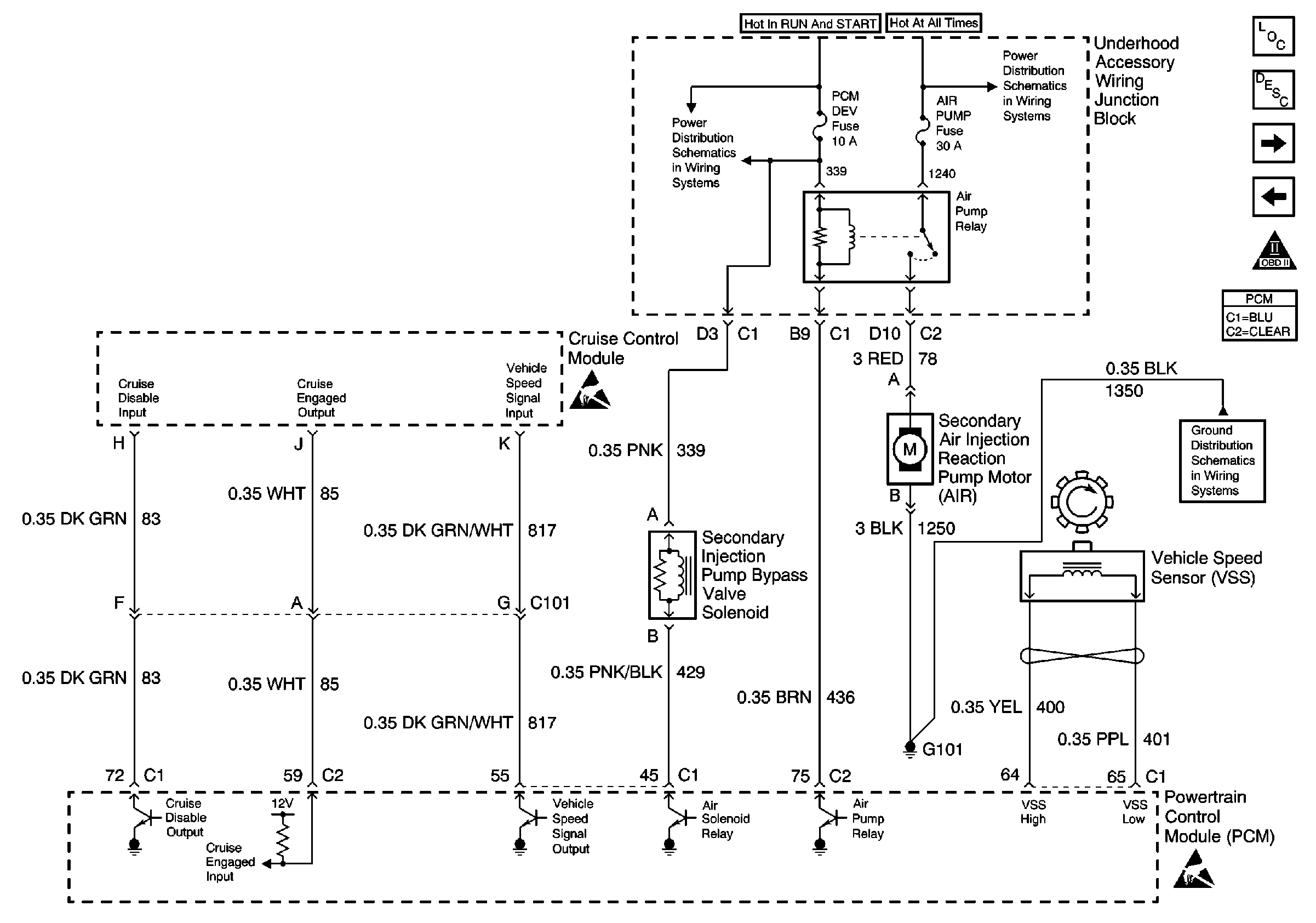
🢒 Cruise Control Module Input/Output and AIR System
Cruise Control Module Input/Output and AIR System
Cruise Control Module Input/Output and AIR System
UAWJB, Stop Lamp Switch, EVAP, MAF Secondary Air Injection Bypass Valve Solenoid
Handling ESD Sensitive Parts Notice
UAWJB, PCM, PNP Switch, and Backup Relay
G101
Handling ESD Sensitive Parts Notice
Engine Controls Component Views
Powertrain Control Module Description
IPC Class 2 Serial Data Input from PCM and Generator Input/Output
Idle Air Control Valve Inputs
OBD II Symbol Description Notice