GM Service Manual Online
For 1990-2009 cars only
Makes
🢒
Buick
🢒
2000
🢒
Century
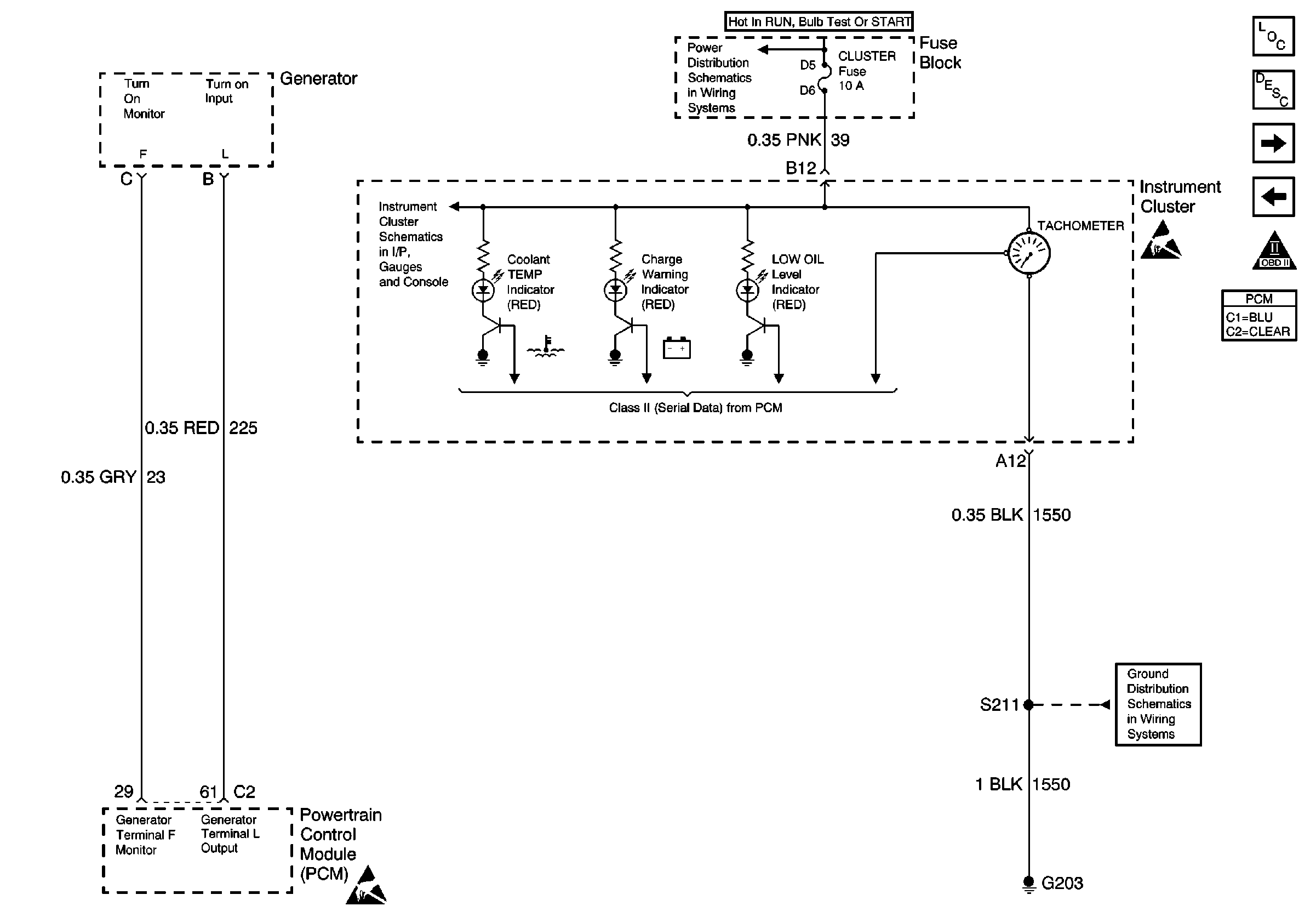
🢒 IPC Class 2 Serial Data Input from PCM and Generator Input/Output
IPC Class 2 Serial Data Input from PCM and Generator Input/Output
IPC Class 2 Serial Data Input from PCM and Generator Input/Output
Handling ESD Sensitive Parts Notice
IPC Class 2 Serial Data MIL Outputs and Brake Fluid Level Indicator Input
UAWJB, Ignition Switch, and Fuse Block
Handling ESD Sensitive Parts Notice
G203
Engine Controls Component Views
Powertrain Control Module Description
Transaxle Range Switch Inputs
Cruise Control Module Input/Output and AIR System
OBD II Symbol Description Notice