GM Service Manual Online
For 1990-2009 cars only
Makes
🢒
Buick
🢒
2000
🢒
Century
🢒 Door Locks
Door Locks
Door Locks
Battery, UAWJB, Fuse Block, Headlamp Switch, Parklamp and Headlamp Relay
High Blower, Hazard, Stoplamps, Door Locks, Power Mirrors, and Heated Seats Fuses
Handling ESD Sensitive Parts Notice
G201
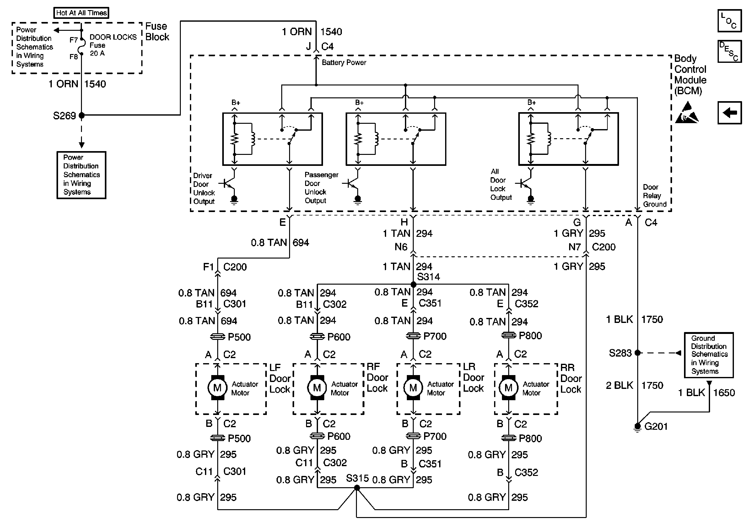
Body Control Module Components
Body Control System Circuit Description
Door Lock Switch Inputs and RCDLR