GM Service Manual Online
For 1990-2009 cars only
Makes
🢒
Buick
🢒
2000
🢒
Century
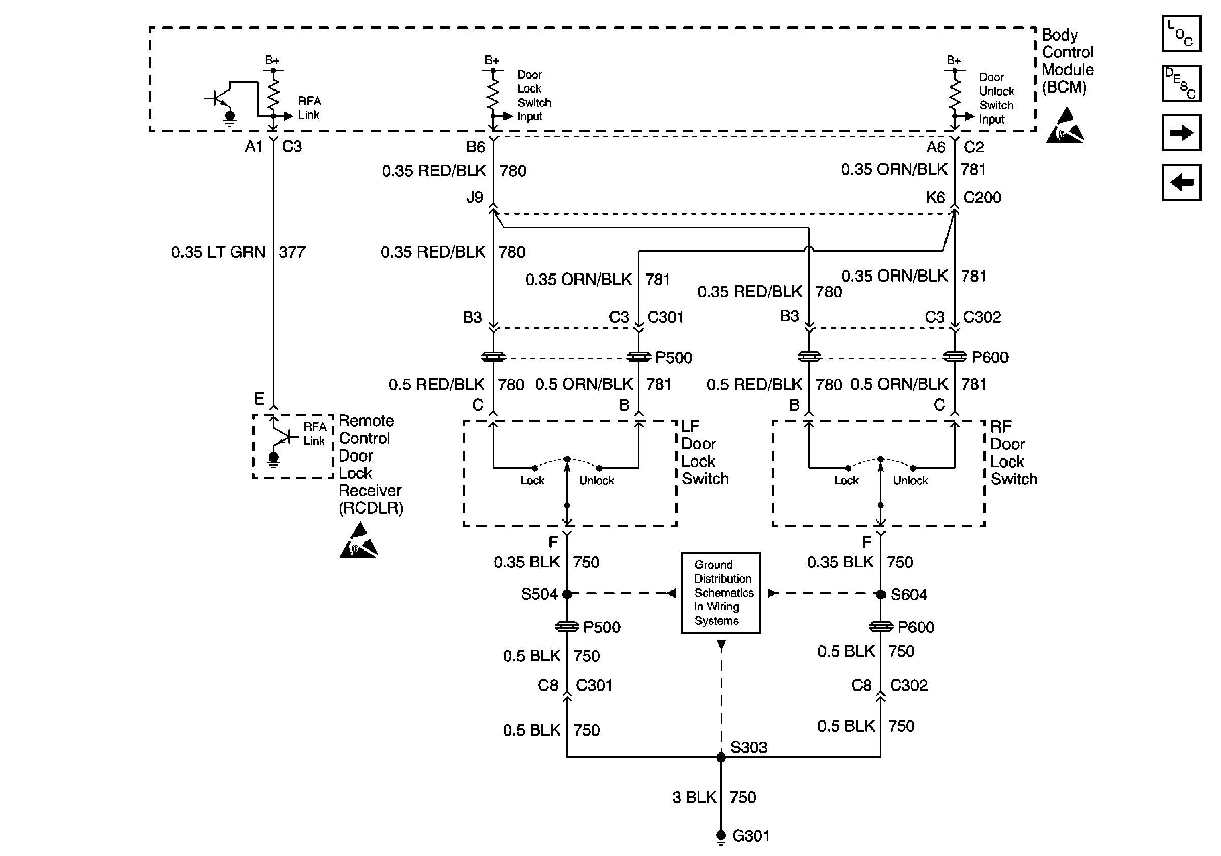
🢒 Door Lock Switch Inputs and RCDLR
Door Lock Switch Inputs and RCDLR
Door Lock Switch Inputs and RCDLR
Handling ESD Sensitive Parts Notice
G301
Handling ESD Sensitive Parts Notice
Body Control Module Components
Body Control System Circuit Description
Door Locks
Interior Lights