GM Service Manual Online
For 1990-2009 cars only
Makes
🢒
Buick
🢒
2001
🢒
Century
🢒 RAP
RAP
Master Electrical Component List
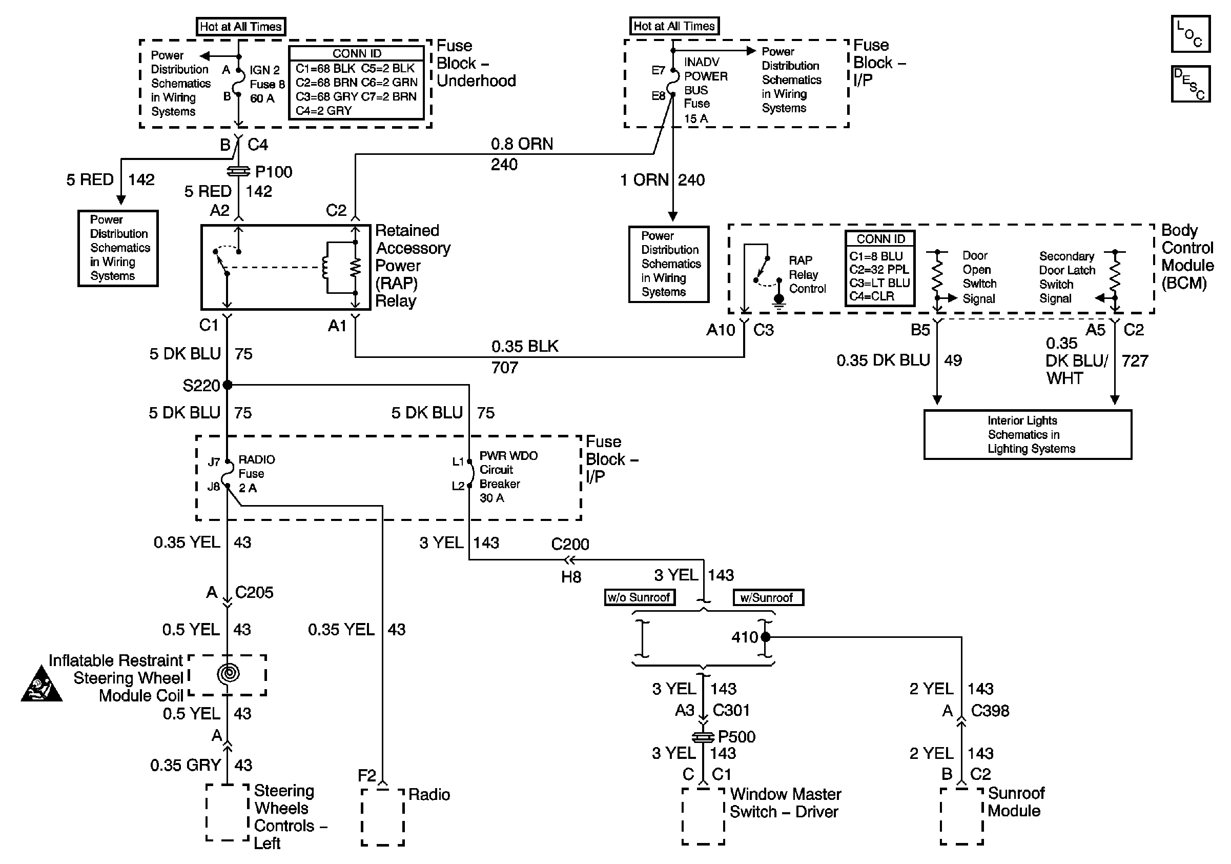
Retained Accessory Power (RAP) Description and Operation
Power Bussing for Fuse Block Underhood Page 1 of 2
IGN 2
Batt 1 Fuse
Batt 1 Fuse
Dome Lamp Control
SIR Caution