GM Service Manual Online
For 1990-2009 cars only
Makes
🢒
Buick
🢒
2001
🢒
Century
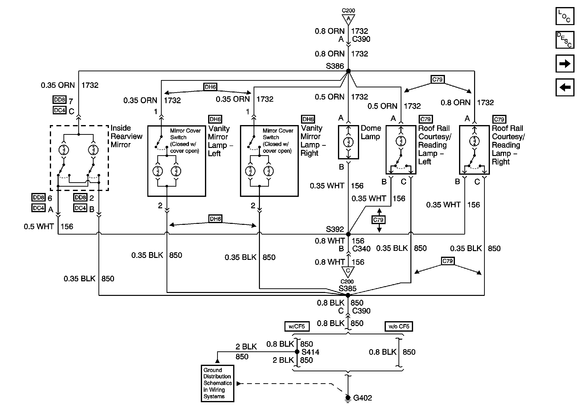
🢒 Sunshade and Courtesy/Reading Lamps
Sunshade and Courtesy/Reading Lamps
Sunshade and Courtesy/Reading Lamps
Master Electrical Component List
Interior Lighting Systems Description and Operation
Dome Lamp Control
Compartment and IP Courtesy Lamps
Compartment and IP Courtesy Lamps
Compartment and IP Courtesy Lamps
G402, Page 1 of 2