GM Service Manual Online
For 1990-2009 cars only
Makes
🢒
Buick
🢒
2002
🢒
Century
🢒 Batt 3
Batt 3
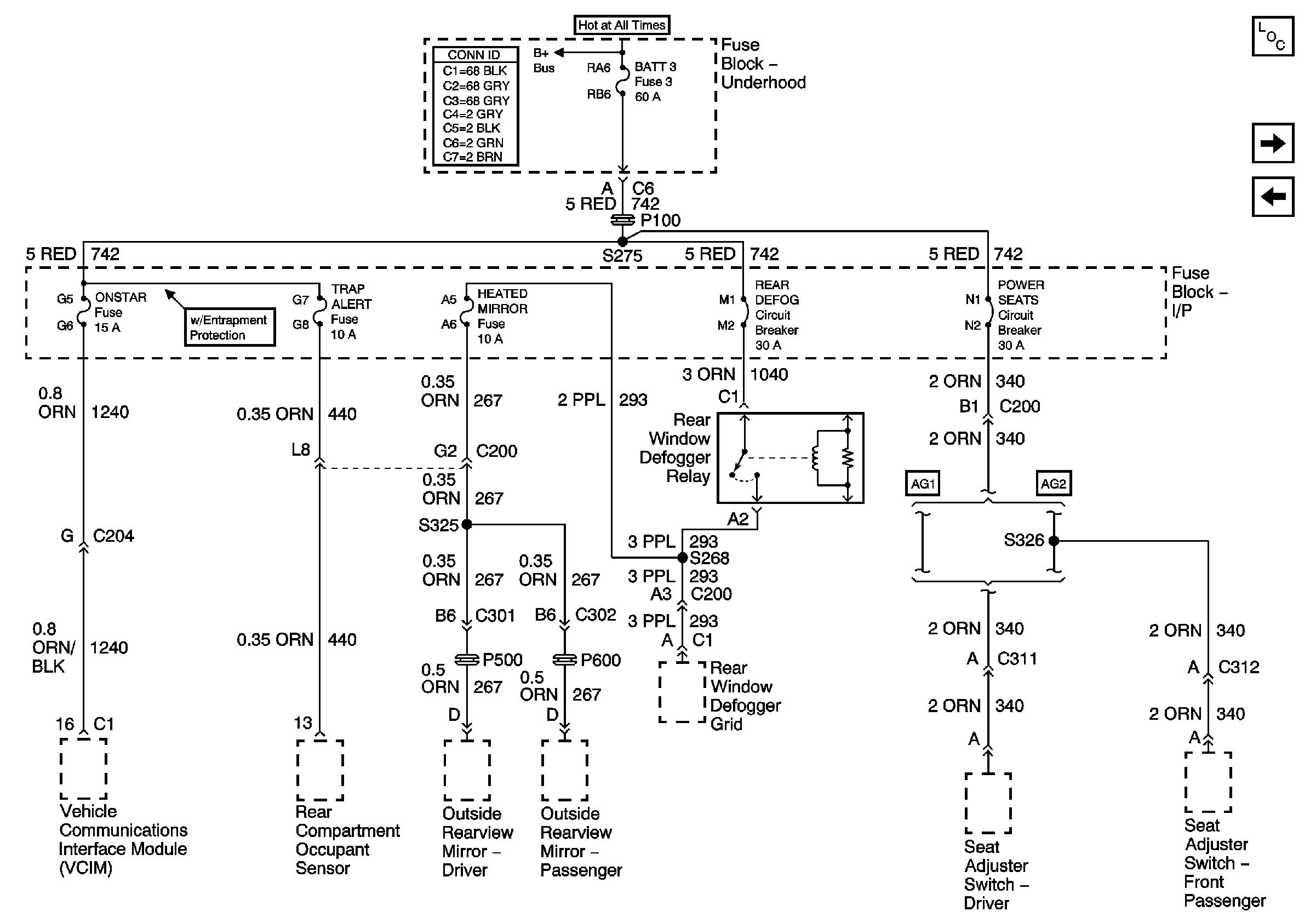
Fuse Block - Underhood BATT 3 Fuse, Fuse Block - I/P ONSTAR, TRAP ALERT, HEATED MIRROR Fuses, REAR DEFOG, and POWER SEATS Circuit Breakers - Century
Master Electrical Component List
Battery 3 (Regal)
Batt 2
Fuse Block Underhood Power Bussing (Page 1 of 2)