GM Service Manual Online
For 1990-2009 cars only
Makes
🢒
Buick
🢒
2002
🢒
Century
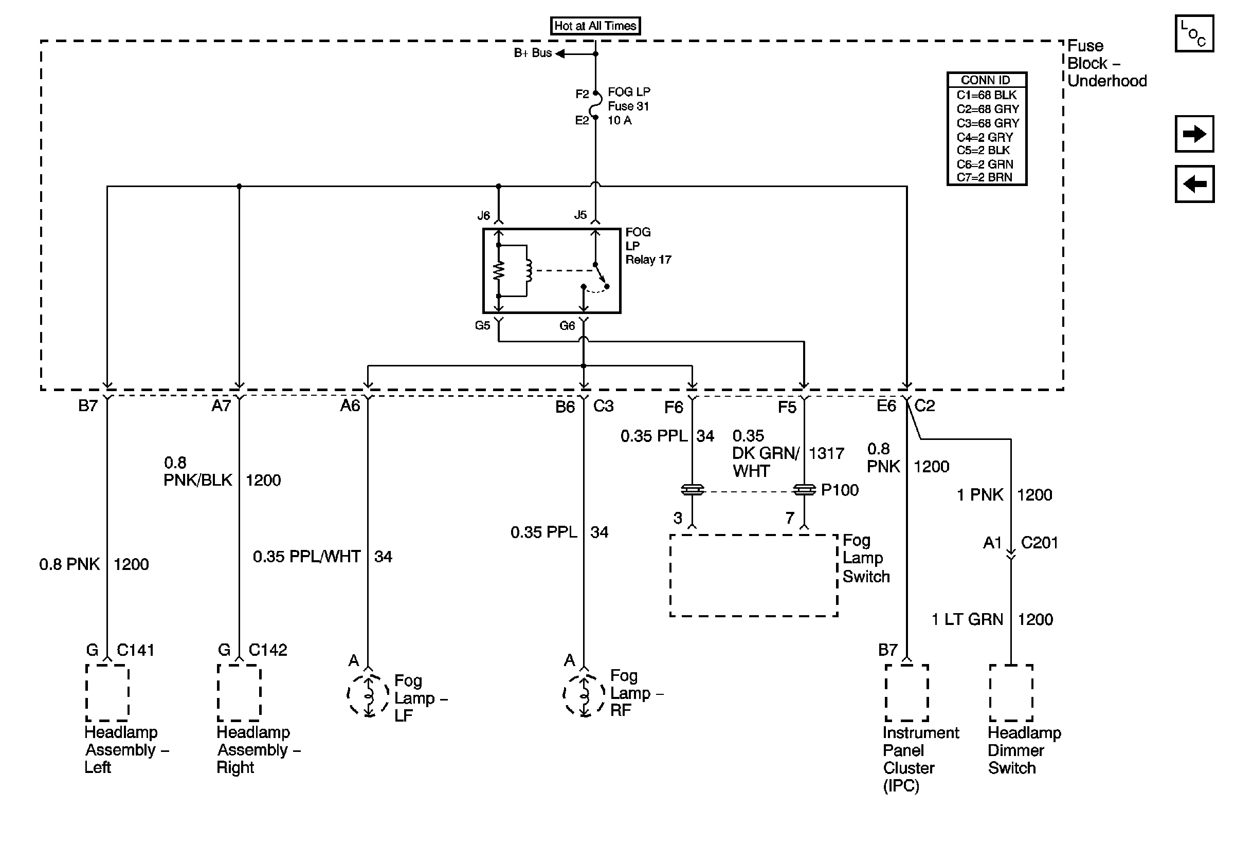
🢒 Fuse Block - Underhood FOG LP Fuse and FOG LP Relay
Fuse Block - Underhood FOG LP Fuse and FOG LP Relay
Fuse Block - Underhood FOG LP Fuse and FOG LP Relay
Master Electrical Component List
PCM, BCM, Cluster, Turn, SDM
Headlamps, Generator
Fuse Block Underhood Power Bussing (Page 1 of 2)