GM Service Manual Online
For 1990-2009 cars only
Makes
🢒
Buick
🢒
2003
🢒
Century
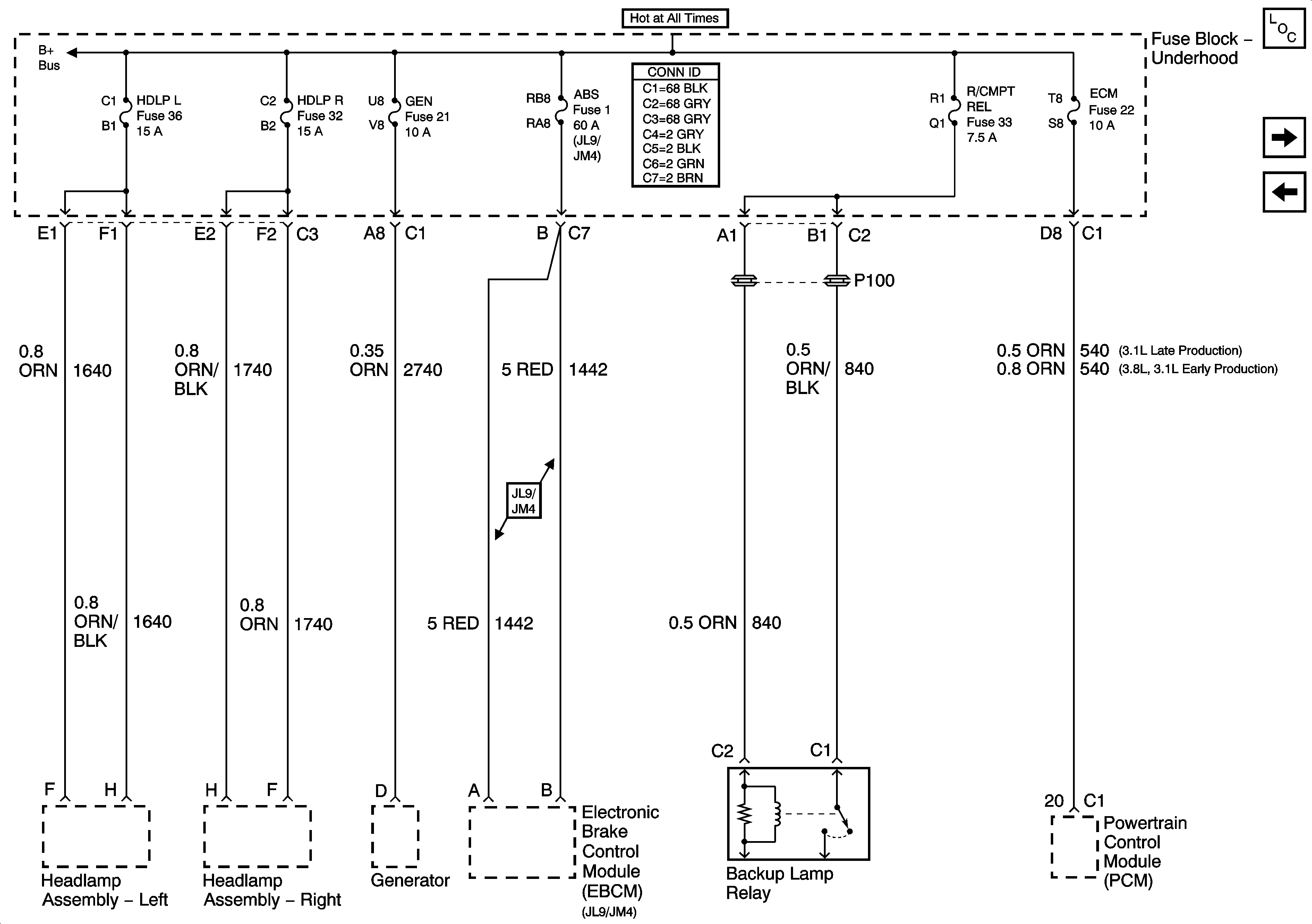
🢒 Fuse Block-Underhood HDLP,GEN,ABS,R/CMPT REL,ECM Fuses
Fuse Block-Underhood HDLP,GEN,ABS,R/CMPT REL,ECM Fuses
Fuse Block - Underhood HDLP, GEN, ABS, R/CMPT REL, and ECM Fuses
Master Electrical Component List
Fuse Block-Underhood FOG LP Fuse, FOG LP Relay
Fuse Block-Underhood ENG EMIS Fuse
Fuse Block-Underhood B+ Buss