GM Service Manual Online
For 1990-2009 cars only
Makes
🢒
Buick
🢒
2003
🢒
Century
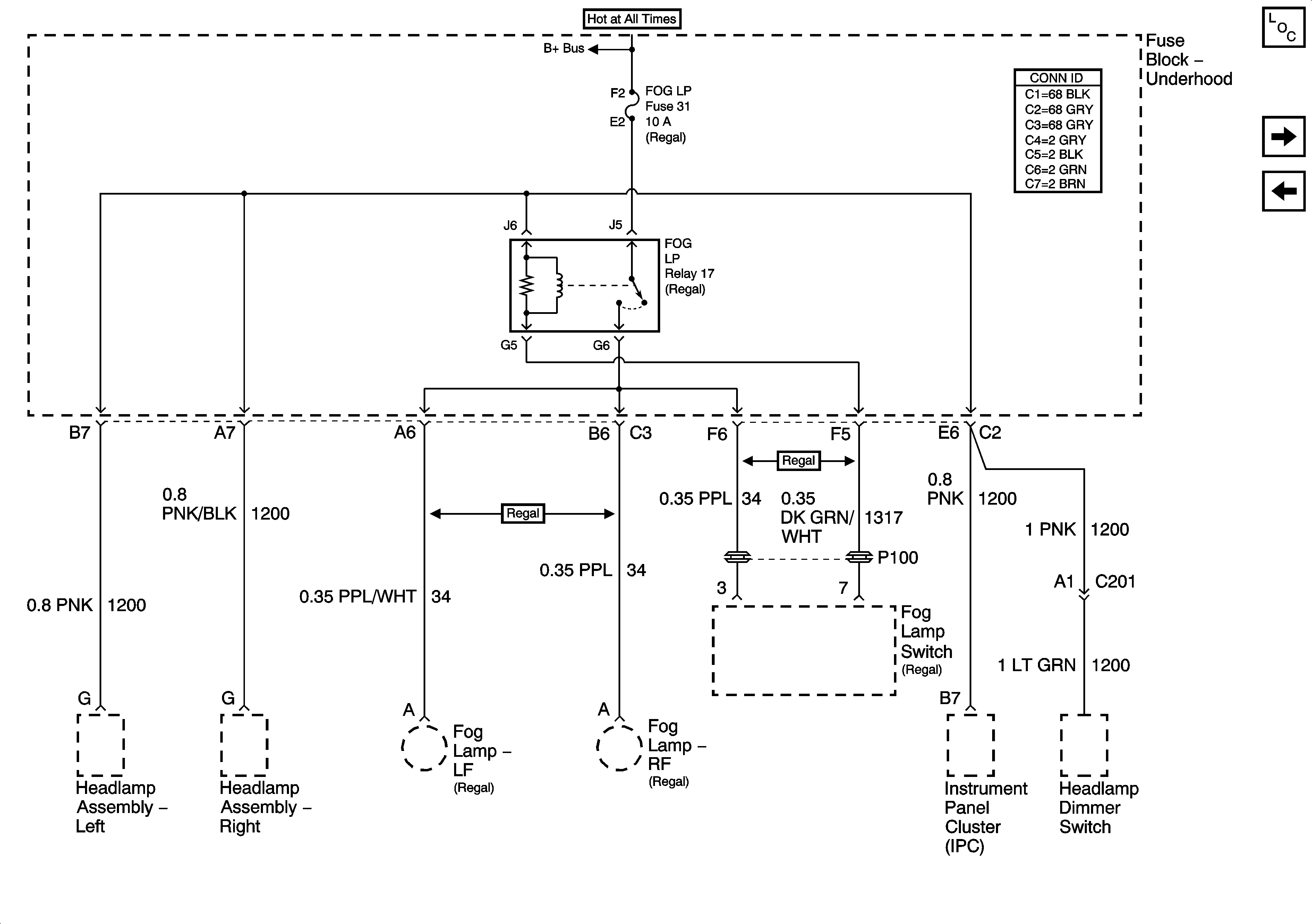
🢒 Fuse Block-Underhood FOG LP Fuse, FOG LP Relay
Fuse Block-Underhood FOG LP Fuse, FOG LP Relay
Fuse Block - Underhood FOG LP Fuse and FOG LP Relay
Master Electrical Component List
Fuse Block-I/P Turn Signals,Corn Lps,Air Bag,Cluster,PCM,BCM U/H Relay Fuses,Fuse Block-U/H Crank, IGN Main Relays
Fuse Block-Underhood HDLP,GEN,ABS,R/CMPT REL,ECM Fuses
Fuse Block-Underhood B+ Buss