GM Service Manual Online
For 1990-2009 cars only
Makes
🢒
Buick
🢒
2004
🢒
Century
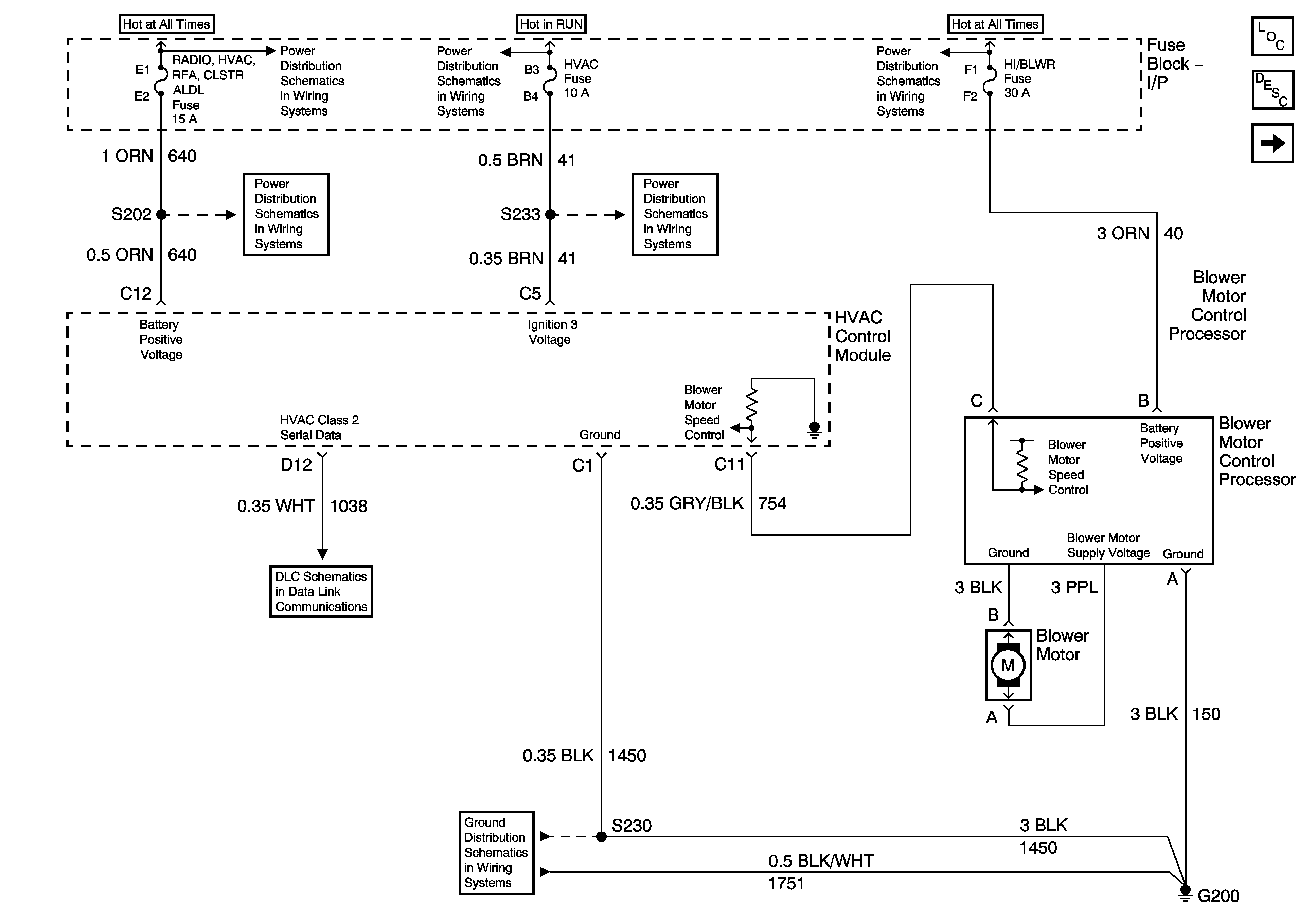
🢒 Blower Controls
Blower Controls
Blower Controls
Master Electrical Component List
Air Delivery Description and Operation
Compressor Controls
Fuse Block - Underhood BAT 1 Fuse, Fuse Block - I/P RADIO, HVAC, RFA, CLSTR, ALDL, BCM PWR, ACCY POWER BUS, RADIO PREM. SOUND, and LTR Fuses
Fuse Block - Underhood IGN 2 Fuse
Fuse Block - Underhood BAT 2 Fuse, Fuse Block - I/P HI/BLWR, HAZRD, STOP LAMPS, DR/LCK, and PWR/MIR Fuses
Fuse Block - Underhood BAT 1 Fuse, Fuse Block - I/P RADIO, HVAC, RFA, CLSTR, ALDL, BCM PWR, ACCY POWER BUS, RADIO PREM. SOUND, and LTR Fuses
Fuse Block - I/P LOW BLWER, CRUISE, HVAC Fuses
Data Link Connector (DLC) Schematics
G200, Page 1 of 2