GM Service Manual Online
For 1990-2009 cars only
Makes
🢒
Buick
🢒
2004
🢒
Century
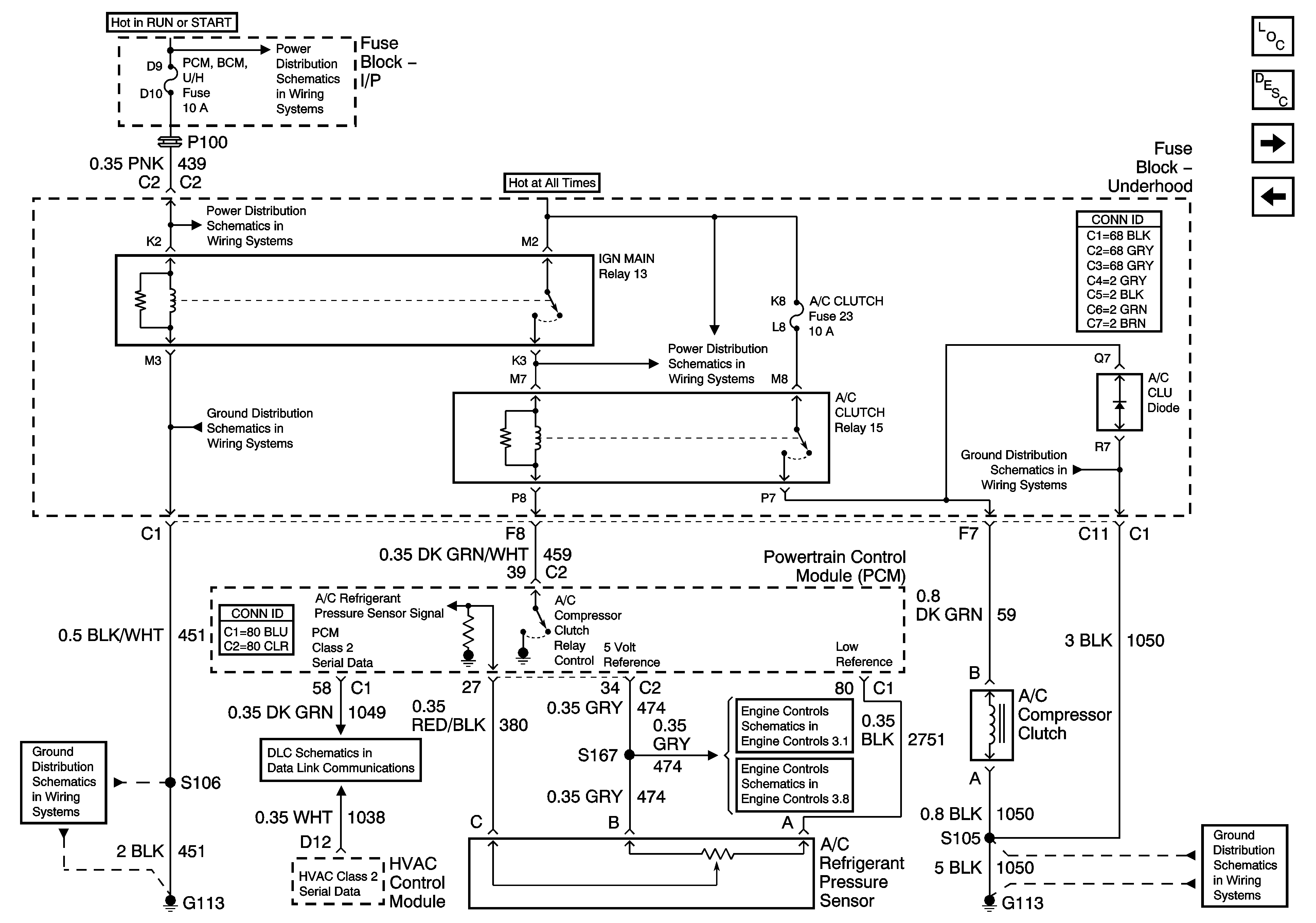
🢒 Compressor Controls
Compressor Controls
Compressor Controls
Master Electrical Component List
Air Temperature Description and Operation
Air Temperature and Sunload Sensors
Blower Controls
Fuse Block - I/P TRN/SIG, AIR BAG, CLSTR, and PCM, BCM U/H Fuses, Fuse Block - Underhood CRANK and IGN MAIN Relays
Fuse Block - I/P TRN/SIG, AIR BAG, CLSTR, and PCM, BCM U/H Fuses, Fuse Block - Underhood CRANK and IGN MAIN Relays
G100, G113, and G171
G100, G113, and G171
Data Link Connector (DLC) Schematics
Fuse Block - Underhood B+ Bus
G100, G113, and G171
EVAP Controls and FTP Sensor
Fuel Controls - EVAP and FTP
G100, G113, and G171