GM Service Manual Online
For 1990-2009 cars only
Makes
🢒
Buick
🢒
2004
🢒
Century
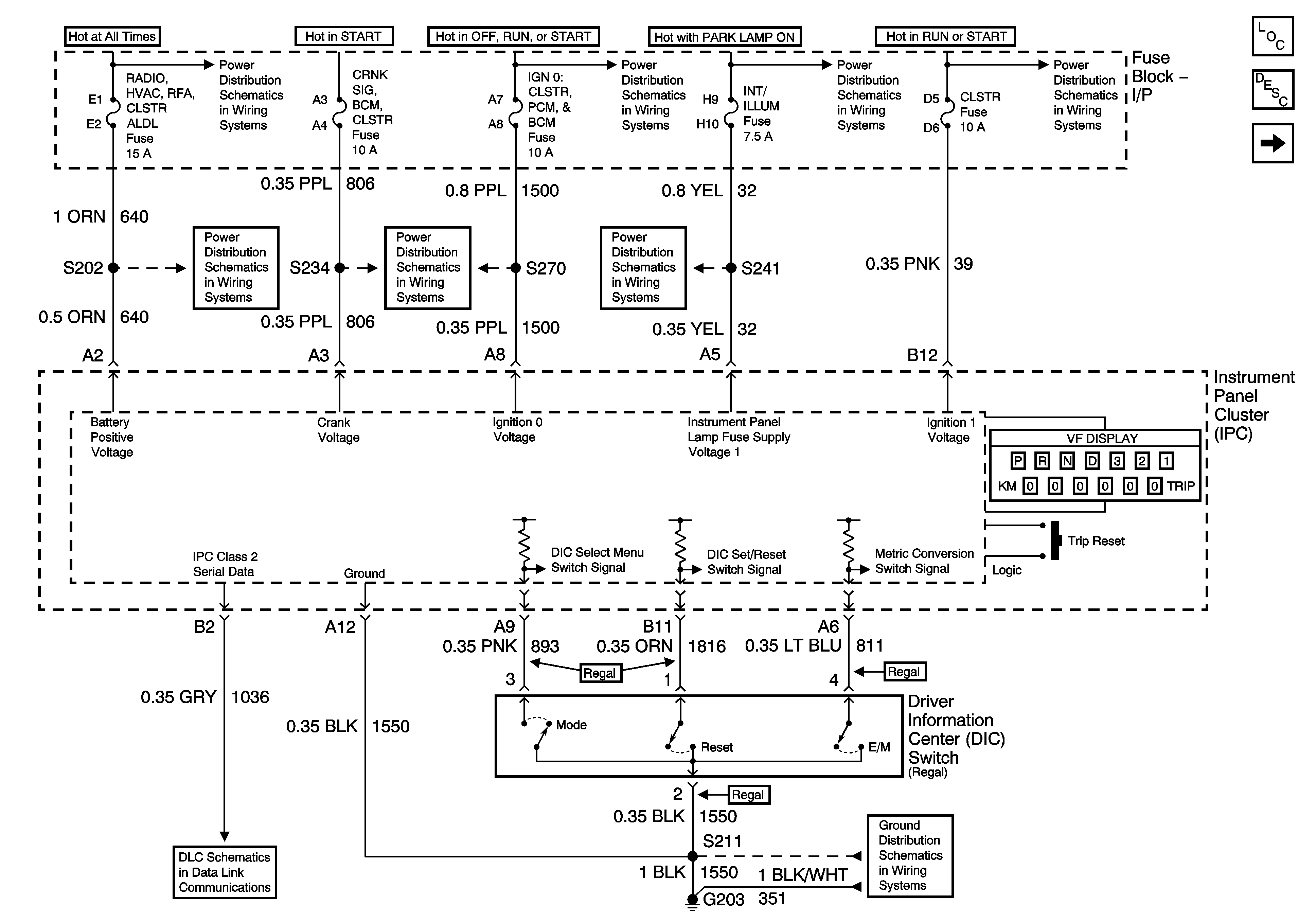
🢒 Power, Ground, DLC, and DIC Switch
Power, Ground, DLC, and DIC Switch
Power, Ground, DIC Switch, and DLC
Master Electrical Component List
Instrument Cluster Description and Operation
Gages
Fuse Block - Underhood BAT 1 Fuse, Fuse Block - I/P RADIO, HVAC, RFA, CLSTR, ALDL, BCM PWR, ACCY POWER BUS, RADIO PREM. SOUND, and LTR Fuses
Fuse Block - Underhood IGN 1 Fuse
Fuse Block - I/P R/LAMPS and INT/ILLUM Fuses
Fuse Block - Underhood IGN 1 Fuse
Fuse Block - Underhood BAT 1 Fuse, Fuse Block - I/P RADIO, HVAC, RFA, CLSTR, ALDL, BCM PWR, ACCY POWER BUS, RADIO PREM. SOUND, and LTR Fuses
Fuse Block - I/P CRNK SIG, BCM, CLSTR, IGN0:CLSTR, PCM, BCM, and PRK/LCK Fuses
Fuse Block - I/P R/LAMPS and INT/ILLUM Fuses
Data Link Connector (DLC) Schematics
G203, Page 1 of 2