GM Service Manual Online
For 1990-2009 cars only
Makes
🢒
Buick
🢒
2004
🢒
Century
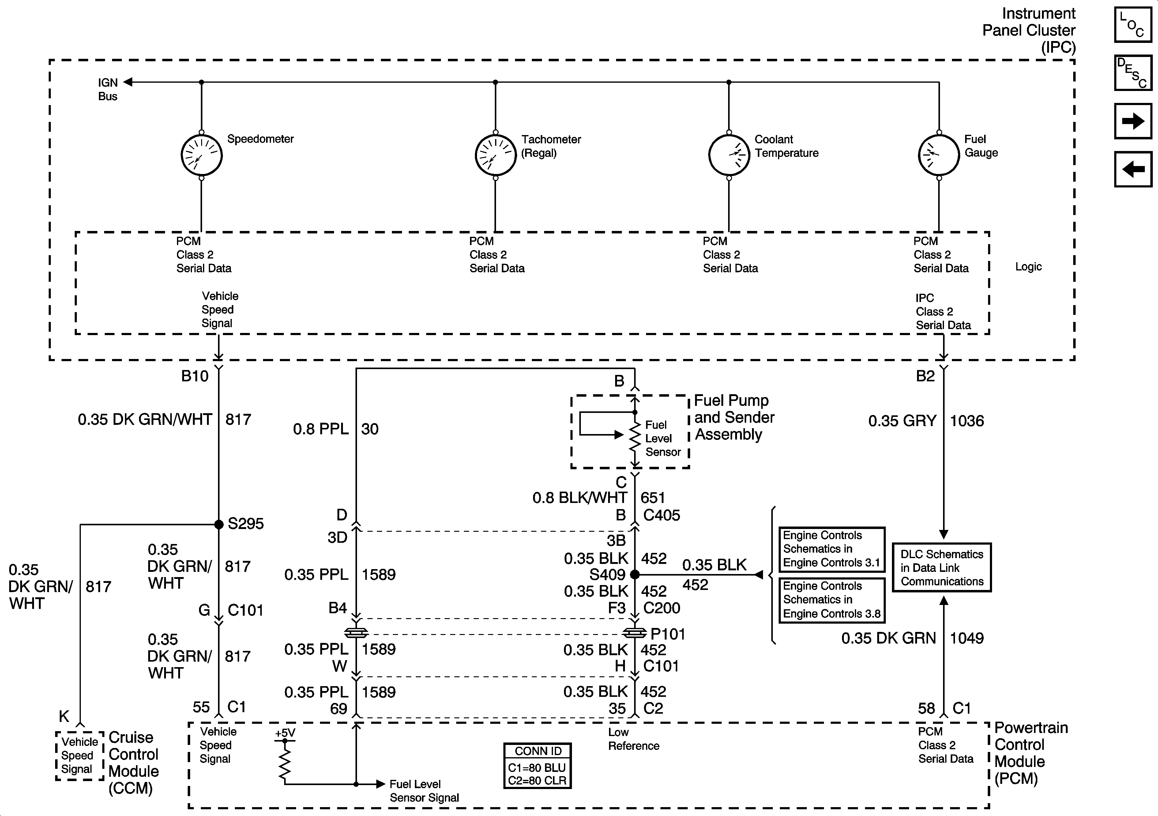
🢒 Gages
Gages
Gages
Master Electrical Component List
Driver Information Center (DIC) Description and Operation
Indicators, Page 1 of 2
Power, Ground, DLC, and DIC Switch
EVAP Controls and FTP Sensor
Fuel Controls - EVAP and FTP
Fuel Controls - EVAP and FTP
Data Link Connector (DLC) Schematics