GM Service Manual Online
For 1990-2009 cars only
Makes
🢒
Buick
🢒
2004
🢒
Century
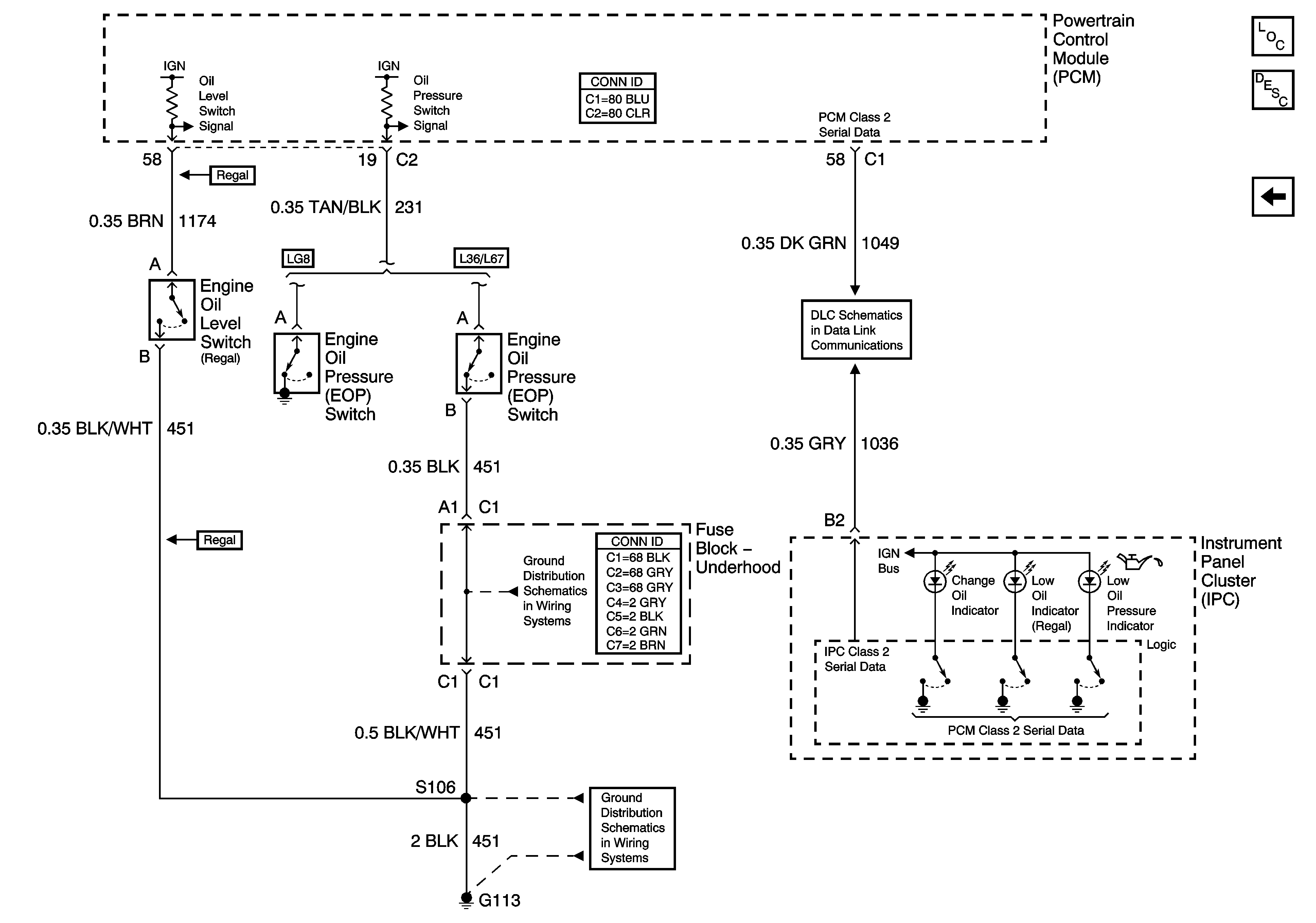
🢒 Indicators, Page 2 of 2
Indicators, Page 2 of 2
Indicators, Page 2 of 2
Master Electrical Component List
Indicator/Warning Message Description and Operation
Indicators, Page 1 of 2
Data Link Connector (DLC) Schematics
G100, G113, and G171
G100, G113, and G171