GM Service Manual Online
For 1990-2009 cars only
Makes
🢒
Buick
🢒
2005
🢒
Century
🢒 Compressor Controls
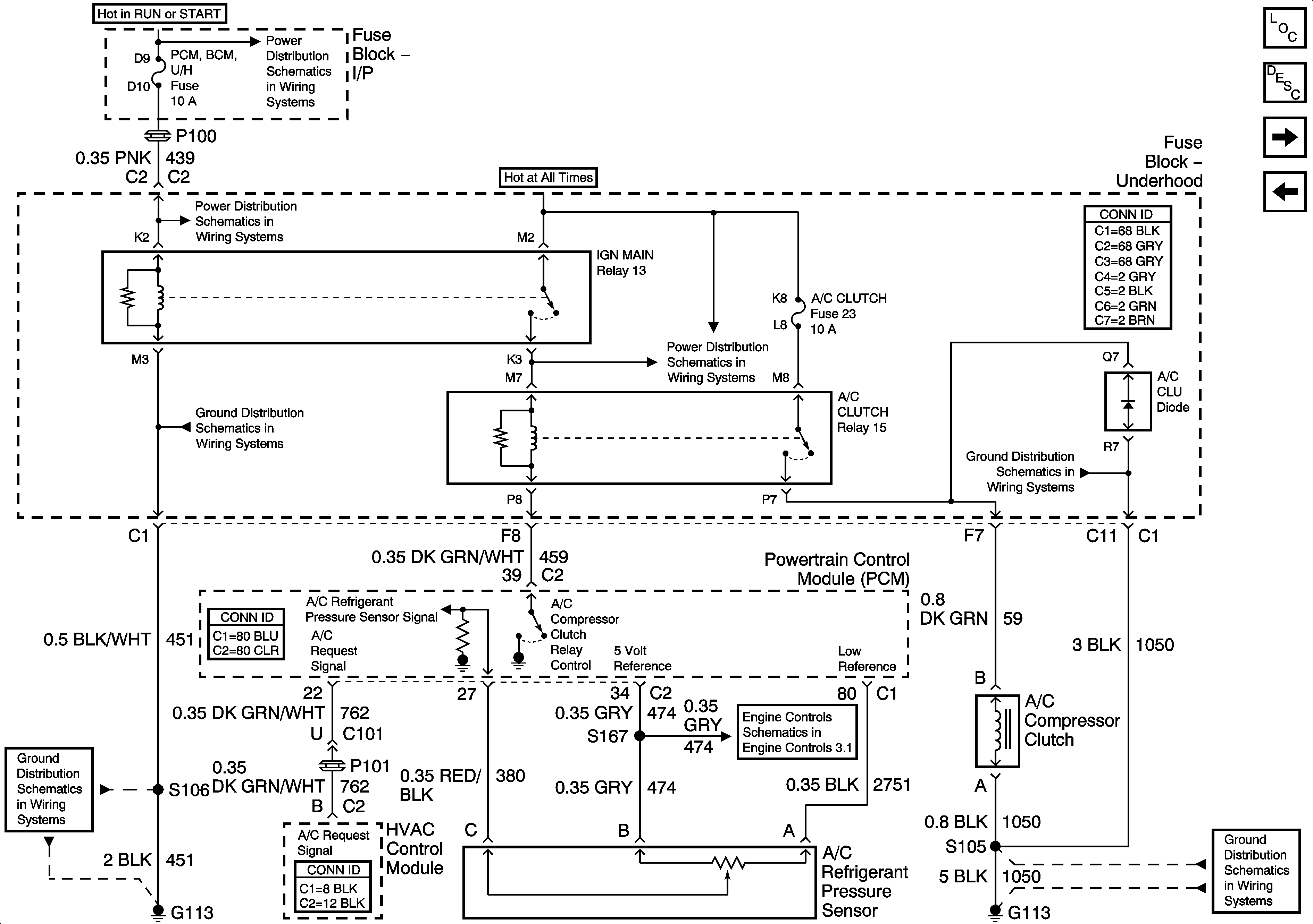
Compressor Controls
Compressor Controls
Master Electrical Component List
Air Temperature Description and Operation
Temperature Actuators
Blower Controls
Fuse Block - I/P TRN/SIG, AIRBAG, CLSTR, and PCM, BCM, U/H Fuses, Fuse Block-Underhood CRANK and IGN MAIN Relays
Fuse Block - I/P TRN/SIG, AIRBAG, CLSTR, and PCM, BCM, U/H Fuses, Fuse Block-Underhood CRANK and IGN MAIN Relays
G100, G113, and G171
G100, G113, and G171
Fuse Block-Underhood B+ Bus
G100, G113, and G171
EVAP Controls
G100, G113, and G171