GM Service Manual Online
For 1990-2009 cars only
Makes
🢒
Buick
🢒
2005
🢒
Century
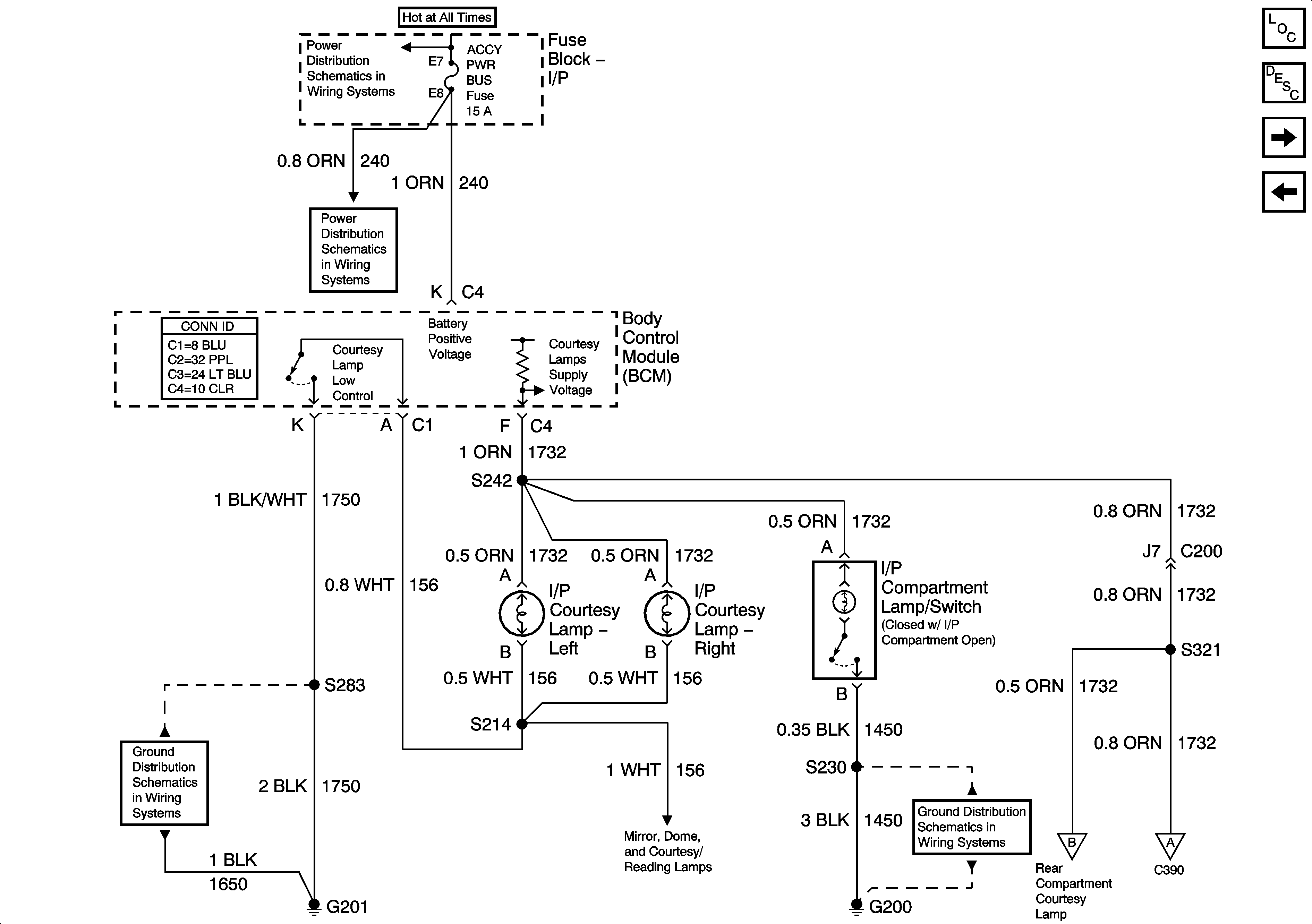
🢒 I/P Courtesy and Compartment Lamps
I/P Courtesy and Compartment Lamps
I/P Courtesy and Compartment Lamps
Master Electrical Component List
Interior Lighting Systems Description and Operation
Mirror, Dome, and Courtesy/Reading Lamps
Lamp Controls
Fuse Block - Underhood BAT 1 Fuse, Fuse Block - I/P RADIO, HVAC, RFA, CLSTR ALDL, BCM PWR, ACCY PWR BUS, RADIO PREM SOUND, and LTR Fuses
Fuse Block - Underhood BAT 1 Fuse, Fuse Block - I/P RADIO, HVAC, RFA, CLSTR ALDL, BCM PWR, ACCY PWR BUS, RADIO PREM SOUND, and LTR Fuses
G201
Mirror, Dome, and Courtesy/Reading Lamps
G200
Rear Compartment Courtesy Lamp
Mirror, Dome, and Courtesy/Reading Lamps