GM Service Manual Online
For 1990-2009 cars only
Makes
🢒
Buick
🢒
2000
🢒
Century (China)
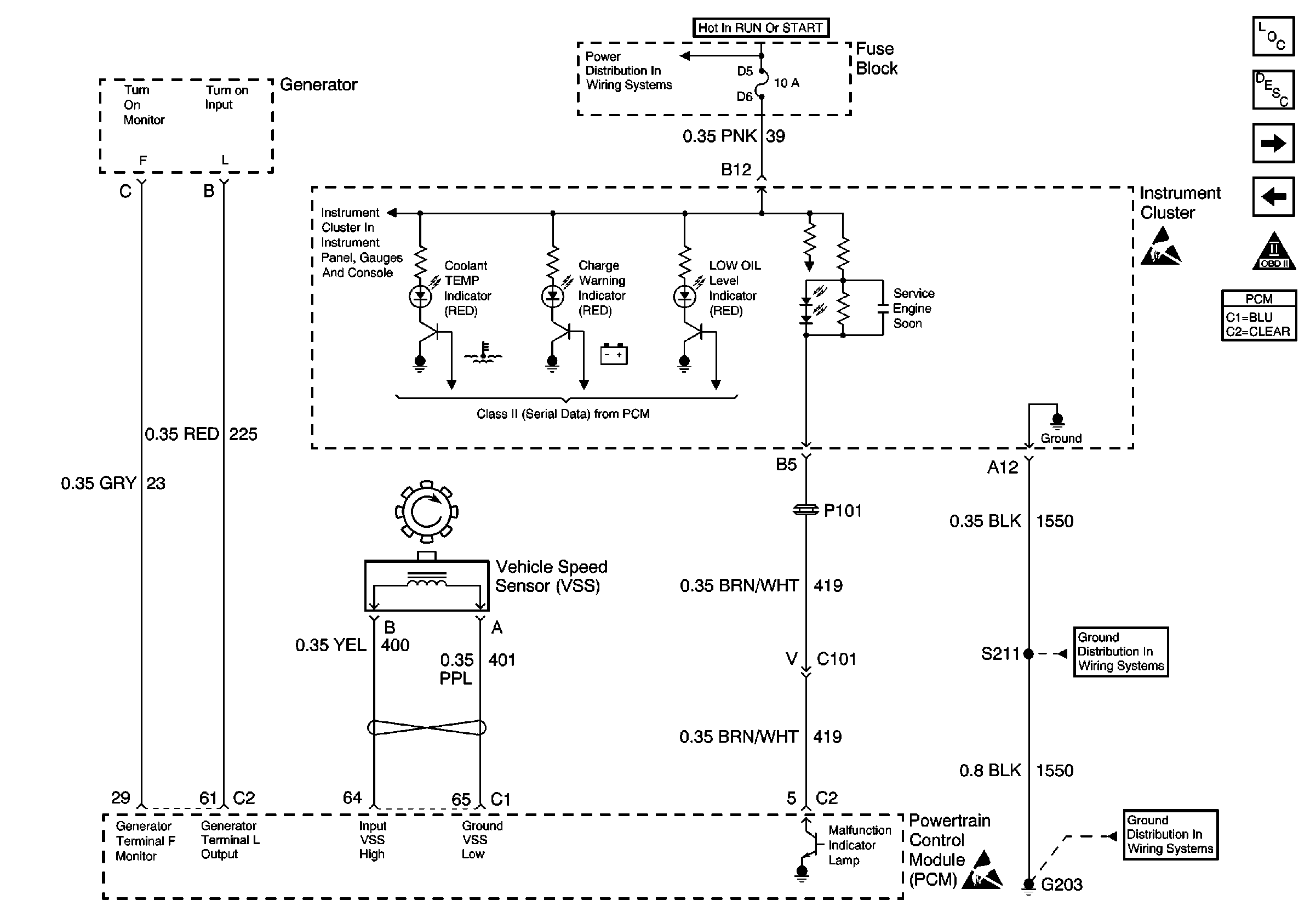
🢒 Generator, I/P and VSS
Generator, I/P and VSS
Generator, I/P and VSS
Power/Ground Distribution, Instrument Cluster
Fuse Block, UAWJB, PCM and BCM
G203
G203
Handling ESD Sensitive Parts Notice
Engine Controls Components
Powertrain Control Module Description
PNP and A/T
IAC, Oil Level Switch and Oil Pressure Indicator
Handling ESD Sensitive Parts Notice
OBD II Symbol Description Notice