GM Service Manual Online
For 1990-2009 cars only
Makes
🢒
Buick
🢒
2000
🢒
Century (China)
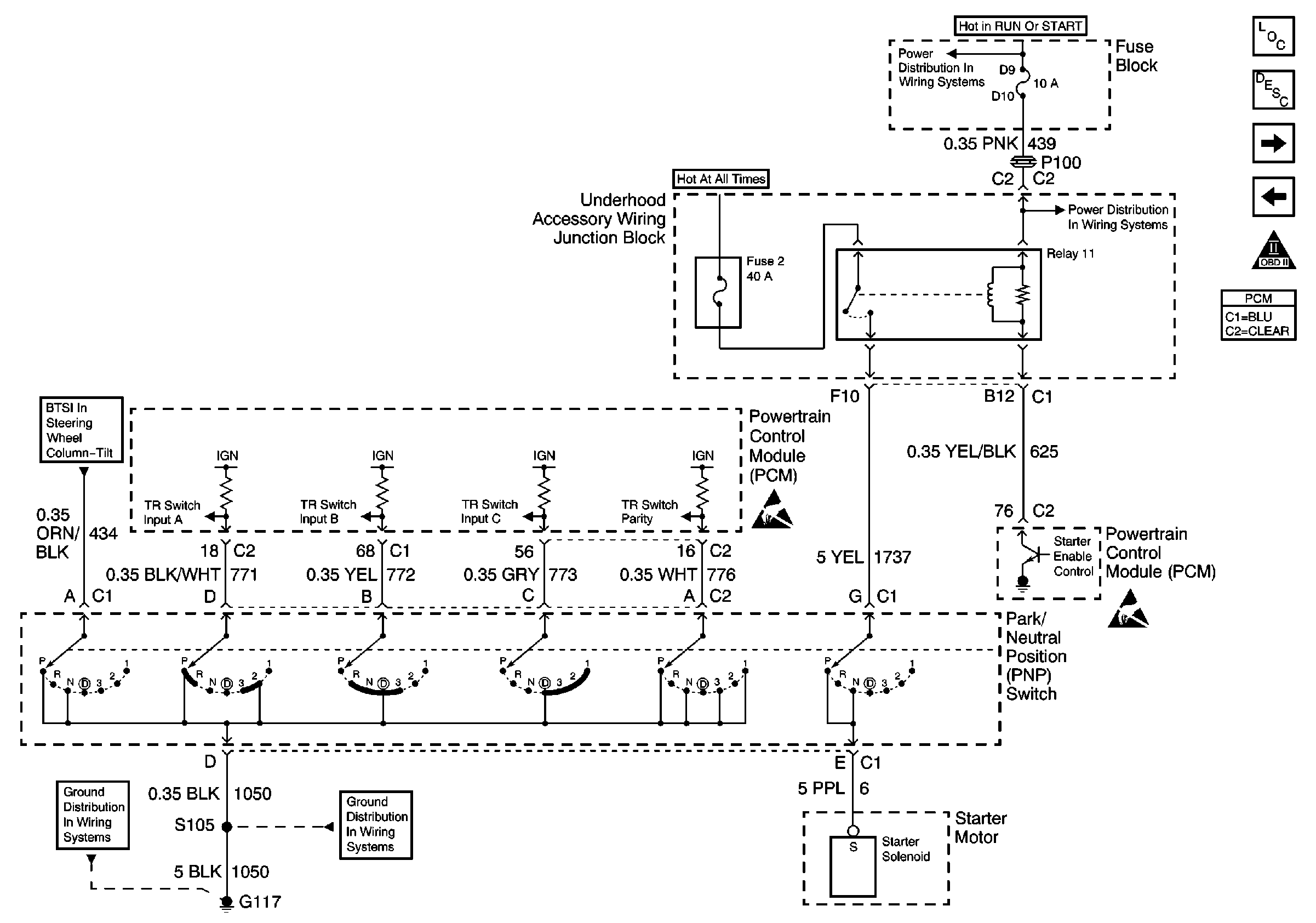
🢒 PNP and A/T
PNP and A/T
PNP and A/T
G100, G117 and G119
G113
Handling ESD Sensitive Parts Notice
Fuse Block, UAWJB, PCM and BCM
Fuse Block, UAWJB, PCM and BCM
Handling ESD Sensitive Parts Notice
Engine Controls Components
Powertrain Control Module Description
PCM and Automatic Transaxle
Generator, I/P and VSS
OBD II Symbol Description Notice